ՀՀ ԿԱՌԱՎԱՐՈՒԹՅԱՆ ՈՐՈՇՈՒՄԸ ՀՀ ԳԵՂԱՐՔՈՒՆԻՔԻ ՄԱՐԶԻ ԱՎԱԶԱՆԻ ԳՅՈՒՂԱԿԱՆ ՀԱՄԱՅՆՔԻ ՎԱՐՉԱԿԱՆ ՍԱՀՄԱՆՆԵՐԻ ՆԿԱՐԱԳԻՐԸ ՀԱՍՏԱՏԵԼՈՒ ԵՎ ԱՎԱԶԱՆԻ ԳՅՈՒՂԱԿԱՆ ՀԱՄԱՅՆՔԻ ՎԱՐՉԱԿԱՆ ՍԱՀՄԱՆՆԵՐՈՒՄ ԳՏՆՎՈՂ` ՊԵՏԱԿԱՆ ՍԵՓԱԿԱՆՈՒԹՅՈՒՆ ՀԱՆԴԻՍԱՑՈՂ ՀՈՂԱՄԱՍԵՐՆ ԱՆՀԱՏՈՒՅՑ ՍԵՓԱԿԱՆՈՒԹՅԱՆ ԻՐԱՎՈՒՆՔՈՎ ՀԱՄԱՅՆՔԻՆ ՓՈԽԱՆՑԵԼՈՒ ՄԱՍԻՆ

Գլխավոր տեղեկություն
Номер
N 850-Ն
Տիպ
Որոշում
Тип
Исходный акт (28.07.2005-20.11.2010)
Статус
Գործում է
Первоисточник
ՀՀՊՏ 2005.07.27/47.1 Հոդ.912.26
Принят
ՀՀ կառավարություն
Дата принятия
09.06.2005
Подписан
ՀՀ վարչապետ
Дата подписания
27.06.2005
Վավերացնող մարմին
ՀՀ Նախագահ
Վավերացման ամսաթից
30.06.2005
Дата вступления в силу
28.07.2005

 

«Վավերացնում եմ»
Հայաստանի Հանրապետության
Նախագահ Ռ. Քոչարյան
30 հունիսի 2005 թ.

 

 

ՀԱՅԱՍՏԱՆԻ ՀԱՆՐԱՊԵՏՈՒԹՅԱՆ ԿԱՌԱՎԱՐՈՒԹՅՈՒՆ

 

Ո Ր Ո Շ ՈՒ Մ

9 հունիսի 2005 թվականի N 850-Ն

 

ՀԱՅԱՍՏԱՆԻ ՀԱՆՐԱՊԵՏՈՒԹՅԱՆ ԳԵՂԱՐՔՈՒՆԻՔԻ ՄԱՐԶԻ ԱՎԱԶԱՆԻ ԳՅՈՒՂԱԿԱՆ ՀԱՄԱՅՆՔԻ ՎԱՐՉԱԿԱՆ ՍԱՀՄԱՆՆԵՐԻ ՆԿԱՐԱԳԻՐԸ ՀԱՍՏԱՏԵԼՈՒ ԵՎ ԱՎԱԶԱՆԻ ԳՅՈՒՂԱԿԱՆ ՀԱՄԱՅՆՔԻ ՎԱՐՉԱԿԱՆ ՍԱՀՄԱՆՆԵՐՈՒՄ ԳՏՆՎՈՂ` ՊԵՏԱԿԱՆ ՍԵՓԱԿԱՆՈՒԹՅՈՒՆ ՀԱՆԴԻՍԱՑՈՂ ՀՈՂԱՄԱՍԵՐՆ ԱՆՀԱՏՈՒՅՑ ՍԵՓԱԿԱՆՈՒԹՅԱՆ ԻՐԱՎՈՒՆՔՈՎ ՀԱՄԱՅՆՔԻՆ ՓՈԽԱՆՑԵԼՈՒ ՄԱՍԻՆ

 

Հայաստանի Հանրապետության հողային օրենսգրքի 34-րդ ու 56-րդ, «Տեղական ինքնակառավարման մասին» Հայաստանի Հանրապետության օրենքի 6-րդ, 47-րդ ու 84-րդ և «Հայաստանի Հանրապետության վարչատարածքային բաժանման մասին» Հայաստանի Հանրապետության օրենքի 6-րդ հոդվածների պահանջներին համապատասխան` Հայաստանի Հանրապետության կառավարությունը որոշում է.

1. Հաստատել Հայաստանի Հանրապետության Գեղարքունիքի մարզի Ավազանի գյուղական համայնքի սահմանների նկարագիրը` համաձայն NN 1 և 2 հավելվածների:

2. Հայաստանի Հանրապետության Գեղարքունիքի մարզի Ավազանի գյուղական համայնքի վարչական սահմաններում գտնվող` պետական սեփականություն հանդիսացող 682.78 հեկտար հողամասերից 614.13 հեկտարը, որից` գյուղատնտեսական նշանակության` 587.7 հեկտար, բնակավայրերի հողերի` 16.0 հեկտար, արդյունաբերության, ընդերքօգտագործման և այլ արտադրական նշանակության օբյեկտների` 9.97 հեկտար, էներգետիկայի, տրանսպորտի, կապի և կոմունալ ենթակառուցվածքների օբյեկտների` 0.02 հեկտար, հատուկ պահպանվող տարածքների` 0.44 հեկտար, անհատույց սեփականության իրավունքով փոխանցել Ավազանի գյուղական համայնքին` համաձայն NN 3, 4, 5 և 6 հավելվածների:

3. Սահմանել, որ Հայաստանի Հանրապետության հողային օրենսգրքի 60-րդ հոդվածի պահանջներին համապատասխան`

ա) Հայաստանի Հանրապետության Գեղարքունիքի մարզի Ավազանի գյուղական համայնքին անհատույց սեփականության իրավունքով փոխանցվող 614.13 հեկտար հողերից 14.27 հեկտարը մասնավորեցման ենթակա չէ.

 բ) Հայաստանի Հանրապետության Գեղարքունիքի մարզի Ավազանի գյուղական համայնքի վարչական սահմաններում գտնվող հողերից 68.65 հեկտարը համարվում է պետական սեփականություն` համաձայն N 7 հավելվածի:

4. Ընդունել ի գիտություն Հայաստանի Հանրապետության Գեղարքունիքի մարզի Ավազանի գյուղական համայնքի հողային ֆոնդի առկայության և բաշխման մասին հաշվետվությունը` 2005 թվականի հունվարի 1-ի դրությամբ` համաձայն NN 8 և 9 հավելվածների:

5. Հայաստանի Հանրապետության կառավարությանն առընթեր անշարժ գույքի կադաստրի պետական կոմիտեի նախագահին` սահմանված կարգով ապահովել սկզբնական հաշվառման նյութերի տրամադրումը Հայաստանի Հանրապետության Գեղարքունիքի մարզի Ավազանի գյուղական համայնքի ղեկավարին` հողերի ընթացիկ հաշվառումն անցկացնելու և համայնքի հողային հաշվեկշիռը կազմելու համար:

6. Թույլատրել Հայաստանի Հանրապետության կառավարությանն առընթեր անշարժ գույքի կադաստրի պետական կոմիտեի նախագահին Հայաստանի Հանրապետության պետական գեոդեզիական ցանցի հավասարակշռման արդյունքների հիման վրա Հայաստանի Հանրապետության վարչատարածքային միավորների սահմանանիշերի կոորդինատների ժողովածուի հրատարակումից հետո հողային ֆոնդի ընթացիկ հաշվառման ժամանակ Ավազանի գյուղական համայնքի հողային հաշվեկշռում սահմանված կարգով կատարել համապատասխան փոփոխություններ:

7. Հայաստանի Հանրապետության Գեղարքունիքի մարզպետին` Հայաստանի Հանրապետության կառավարության 2000 թվականի հոկտեմբերի 23-ի N 656 որոշմամբ սահմանված կարգով` սկզբնական հաշվառման տվյալների հիման վրա ապահովել մարզի տարածքում ընթացիկ հաշվառման աշխատանքների իրականացումը:

8. Սույն որոշումն ուժի մեջ է մտնում պաշտոնական հրապարակմանը հաջորդող օրվանից:

 

Հայաստանի Հանրապետության
վարչապետ

Ա. Մարգարյան


2005 թ. հունիսի 27
Երևան

 

 

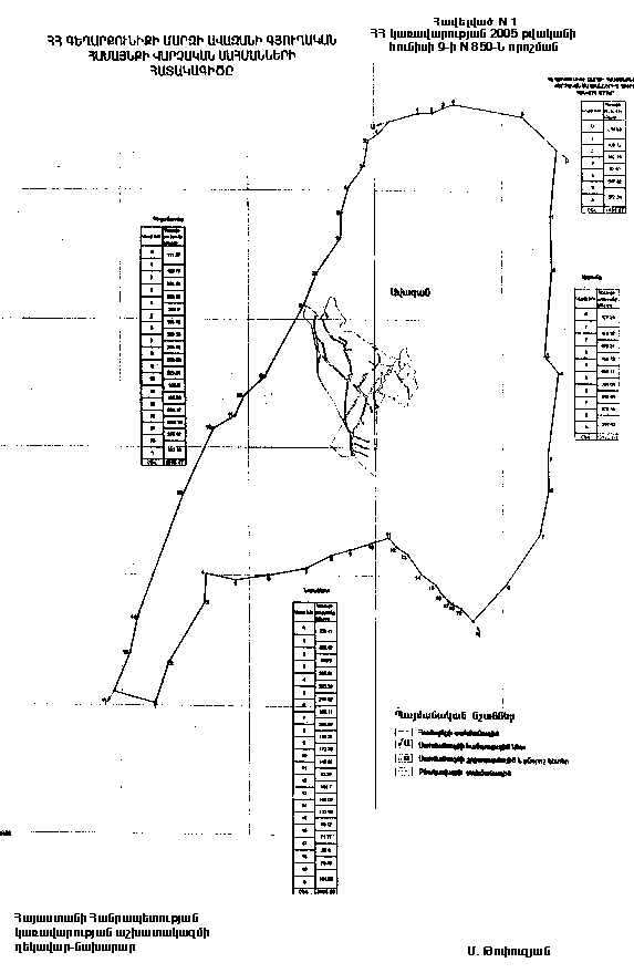
Հավելված N 1
ՀՀ կառավարության 2005 թվականի
հունիսի 9-ի N 850-Ն որոշման

 

 

ՀԱՅԱՍՏԱՆԻ ՀԱՆՐԱՊԵՏՈՒԹՅԱՆ ԳԵՂԱՐՔՈՒՆԻՔԻ ՄԱՐԶԻ ԱՎԱԶԱՆԻ ԳՅՈՒՂԱԿԱՆ ՀԱՄԱՅՆՔԻ ՎԱՐՉԱԿԱՆ ՍԱՀՄԱՆՆԵՐԻ ՀԱՏԱԿԱԳԻԾԸ

 

 
Հայաստանի Հանրապետության
կառավարության աշխատակազմի
ղեկավար-նախարար
Մ. Թոփուզյան

 

 

 

Հավելված N 2
ՀՀ կառավարության 2005 թվականի
հունիսի 9-ի N 850-Ն որոշման

 

 

 

 ՀԱՅԱՍՏԱՆԻ ՀԱՆՐԱՊԵՏՈՒԹՅԱՆ ԳԵՂԱՐՔՈՒՆԻՔԻ ՄԱՐԶԻ ԱՎԱԶԱՆԻ ԳՅՈՒՂԱԿԱՆ ՀԱՄԱՅՆՔԻ ՎԱՐՉԱԿԱՆ ՍԱՀՄԱՆՆԵՐԻ ՆԿԱՐԱԳՐՈՒԹՅՈՒՆԸ

 

Ավազան համայնքը գտնվում է մարզի հյուսիսային մասում:

Հեռավորությունը մարզկենտրոն ք. Գավառից 75.0 կմ է:

Համայնքը հյուսիսից «Ա»-«Բ» հատվածով սահմանակից է մարզի համայնքների վարչական սահմաններից դուրս գտնվող հողերին, արևելքից «Բ»-«Գ» հատվածով` Արփունք համայնքին, հարավից «Գ»-«Դ» հատվածով` Նորակերտ համայնքին, արևմուտքից «Դ»-«Ա» հատվածով` Գեղամասար համայնքին:

 

ԱՎԱԶԱՆ-ՄԱՐԶԻ ՀԱՄԱՅՆՔՆԵՐԻ ՎԱՐՉԱԿԱՆ ՍԱՀՄԱՆՆԵՐԻՑ ԴՈՒՐՍ ԳՏՆՎՈՂ ՀՈՂԵՐԻ ՍԱՀՄԱՆԱԳԻԾԸ` «Ա»-«Բ»

 

Ավազան, Գեղամասար համայնքների և մարզի համայնքների վարչական սահմաններից դուրս գտնվող հողերի տարածքների բաժանման «Ա» հանգուցային կետից սահմանագիծը ձորով անցնելով թիվ 1-3 կետերով 531.36 մ, հասնում է թիվ 4 կետին, այնուհետև թեքվում է հարավ-արևելք, անցնում 547.22 մ հասնում է թիվ 5 կետին, որտեղից թեքվելով հարավ-արևելք անցնելով 372.39 մ, հատելով դաշտային ճանապարհները հասնում է Ավազան, Արփունք համայնքների և համայնքների վարչական սահմաններից դուրս գտնվող հողերի բաժանման «Բ» հանգուցային կետին:

«Ա»-«Բ» սահմանագծի երկարությունը 1450.97 մ է:


ԱՎԱԶԱՆ-ԱՐՓՈՒՆՔ ՍԱՀՄԱՆԱԳԻԾԸ` «Բ»-«Գ»

 

Ավազան, Արփունք համայնքների և մարզի համայնքների վարչական սահմաններից դուրս գտնվող հողերի բաժանման «Բ» հանգուցային կետից սահմանագիծը բլուրների գագաթներով անցնելով թիվ 1, 2 կետերով դեպի հարավ, 1607.98 մ հասնում թիվ 3 կետին, որից հետո թեքվում է հարավ-արևելք անցնում 168.73 մ, հատում է ձորը, հասնում է լանջի վրա գտնվող թիվ 4 կետը: Թիվ 4 կետից սահմանագիծը թեքվելով նորից հարավ, անցնելով թիվ 5 կետով 929.17 մ, հասնում է թիվ 6 կետին, այդտեղից թեքվելով հարավ-արևմուտք, անցնելով թիվ 7, 8 կետերով 1216.15 մ հասնում է Ավազան, Արբունք և Նորակերտ համայնքների տարածքների բաժանման «Գ» հանգուցային կետին:

 «Բ»-«Գ» սահմանագծի երկարությունը 3922.03 մ է:

ԱՎԱԶԱՆ-ՆՈՐԱԿԵՐՏ ՍԱՀՄԱՆԱԳԻԾԸ` «Գ»-«Դ»

 

Ավազան, ԳԵղամասար և Նորակերտ համայնքների տարածքների բաժանման «Դ» հանգուցային կետից սահմանագիծը ձգվում է դեպի հարավ-արևելք, անցնում 339.41, հասնում է թիվ 1 կետին, որից հետո կտրուկ թեքվում է հյուսիս-արևելք, անցնում թիվ 2 կետով 867.42 մ, հասնում է թիվ 3 կետը, թեքվում հյուսիս 223.51 մ, հասնում է թիվ 4 կետը, թեքվում հարավ-արևելք, անցնում 235.26 մ, միանում է թիվ 5 կետին, թեքվում հյուսիս-արևելք, անցնում թիվ 6-10 կետերով 1269.49 մ, թեքվելով հարավ-արևելք` հատելով Նորակերտ-Գեղամասար ճանապարհը և ձորը միանում է թիվ 11 կետին, որից հետո դաշտային ճանապարհով անցնելով թիվ 12-19 կետերով 929.5 մ հասնում է Ավազան, Արբունք և Գեղամասար համայնքների տարածքների բաժանման «Գ» հանգուցային կետին:

«Գ»-«Դ» սահմանագծի երկարությունը 3864.59 մ է:

 

ԱՎԱԶԱՆ-ԳԵՂԱՄԱՍԱՐ ՍԱՀՄԱՆԱԳԻԾԸ` «Դ»-«Ա»

 

Ավազան, Գեղամասար համայնքների և մարզի համայնքների վարչական սահմաններից դուրս գտնվող հողերի բաժանման «Ա» հանգուցային կետից սահմանագիծը ձորով իջնում է դեպի հարավ-արևմուտք անցնելով թիվ 1-15 կետերով 5055.4 մ հասնում է Ավազան, Գեղամասար և Նորակերտ համայնքների տարածքների բաժանման «Դ» հանգուցային կետին:

«Դ»-«Ա» սահմանագծի երկարությունը 5055.47 մ է:


Հայաստանի Հանրապետության
կառավարության աշխատակազմի
ղեկավար-նախարար
Մ. Թոփուզյան

 

 

 

Հավելված N 3
ՀՀ կառավարության 2005 թվականի
հունիսի 9-ի N 850-Ն որոշման

 

 

ՀԱՅԱՍՏԱՆԻ ՀԱՆՐԱՊԵՏՈՒԹՅԱՆ ԳԵՂԱՐՔՈՒՆԻՔԻ ՄԱՐԶԻ ԱՎԱԶԱՆԻ ԳՅՈՒՂԱԿԱՆ ՀԱՄԱՅՆՔԻ ՀՈՂԱՇԻՆԱՐԱՐԱԿԱՆ ՀԱՏԱԿԱԳԻԾԸ

 

Հայաստանի Հանրապետության
կառավարության աշխատակազմի
ղեկավար-նախարար
Մ. Թոփուզյան

 

 

 

Հավելված N 4
ՀՀ կառավարության 2005 թվականի
հունիսի 9-ի N 850-Ն որոշման

 

Ա Ն Վ Ա Ն Ա Ց Ա Ն Կ

 

ՀԱՅԱՍՏԱՆԻ ՀԱՆՐԱՊԵՏՈՒԹՅԱՆ ԳԵՂԱՐՔՈՒՆԻՔԻ ՄԱՐԶԻ ԱՎԱԶԱՆԻ ԳՅՈՒՂԱԿԱՆ ՀԱՄԱՅՆՔԻ ՎԱՐՉԱԿԱՆ ՍԱՀՄԱՆՆԵՐՈՒՄ ԳՏՆՎՈՂ` ՊԵՏԱԿԱՆ ՍԵՓԱԿԱՆՈՒԹՅՈՒՆ ՀԱՆԴԻՍԱՑՈՂ ՀՈՂԵՐԻՑ ԱՎԱԶԱՆԻ ԳՅՈՒՂԱԿԱՆ ՀԱՄԱՅՆՔԻՆ ԱՆՀԱՏՈՒՅՑ ՓՈԽԱՆՑՎՈՂ ՀՈՂԵՐԻ

 

 

Հայաստանի Հանրապետության
կառավարության աշխատակազմի
ղեկավար-նախարար
Մ. Թոփուզյան

 

 

 

Հավելված N 5
ՀՀ կառավարության 2005 թվականի
հունիսի 9-ի N 850-Ն որոշման

Էջ  1,  2,  3

 

 

Ց Ա Ն Կ

 

ՀԱՅԱՍՏԱՆԻ ՀԱՆՐԱՊԵՏՈՒԹՅԱՆ ԳԵՂԱՐՔՈՒՆԻՔԻ ՄԱՐԶԻ ԱՎԱԶԱՆԻ ԳՅՈՒՂԱԿԱՆ ՀԱՄԱՅՆՔԻ ՎԱՐՉԱԿԱՆ ՍԱՀՄԱՆՆԵՐՈՒՄ ԳՏՆՎՈՂ` ՊԵՏԱԿԱՆ ՍԵՓԱԿԱՆՈՒԹՅՈՒՆ ՀԱՆԴԻՍԱՑՈՂ ՀՈՂԵՐԻՑ ԱՎԱԶԱՆԻ ԳՅՈՒՂԱԿԱՆ ՀԱՄԱՅՆՔԻՆ ԱՆՀԱՏՈՒՅՑ ՓՈԽԱՆՑՎՈՂ ՀՈՂԵՐԻ

 

 

Հայաստանի Հանրապետության
կառավարության աշխատակազմի
ղեկավար-նախարար
Մ. Թոփուզյան

 

 

 

Հավելված N 6
ՀՀ կառավարության 2005 թվականի
հունիսի 9-ի N 850-Ն որոշման

Էջ  1,  2

 

 

 

Ց Ա Ն Կ

 

ՀԱՅԱՍՏԱՆԻ ՀԱՆՐԱՊԵՏՈՒԹՅԱՆ ԳԵՂԱՐՔՈՒՆԻՔԻ ՄԱՐԶԻ ԱՎԱԶԱՆԻ ԳՅՈՒՂԱԿԱՆ ՀԱՄԱՅՆՔԻ ՎԱՐՉԱԿԱՆ ՍԱՀՄԱՆՆԵՐՈՒՄ ԳՏՆՎՈՂ` ՊԵՏԱԿԱՆ ՍԵՓԱԿԱՆՈՒԹՅՈՒՆ ՀԱՆԴԻՍԱՑՈՂ ՀՈՂԵՐԻՑ ԱՎԱԶԱՆԻ ԳՅՈՒՂԱԿԱՆ ՀԱՄԱՅՆՔԻՆ ԱՆՀԱՏՈՒՅՑ ՓՈԽԱՆՑՎՈՂ ՀՈՂԵՐԻ (ԸՍՏ ՆՊԱՏԱԿԱՅԻՆ ՆՇԱՆԱԿՈՒԹՅԱՆ)

 

 

Հայաստանի Հանրապետության
կառավարության աշխատակազմի
ղեկավար-նախարար
Մ. Թոփուզյան

 

 

 

Հավելված N 7
ՀՀ կառավարության 2005 թվականի
հունիսի 9-ի N 850-Ն որոշման

 

Ց Ա Ն Կ

 

ՀԱՅԱՍՏԱՆԻ ՀԱՆՐԱՊԵՏՈՒԹՅԱՆ ԳԵՂԱՐՔՈՒՆԻՔԻ ՄԱՐԶԻ ԱՎԱԶԱՆԻ ԳՅՈՒՂԱԿԱՆ ՀԱՄԱՅՆՔԻ ՎԱՐՉԱԿԱՆ ՍԱՀՄԱՆՆԵՐՈՒՄ ԳՏՆՎՈՂ` ՊԵՏԱԿԱՆ ՍԵՓԱԿԱՆՈՒԹՅՈՒՆ ՀԱՆԴԻՍԱՑՈՂ ՀՈՂԵՐԻ (ԸՍՏ ՆՊԱՏԱԿԱՅԻՆ ՆՇԱՆԱԿՈՒԹՅԱՆ)

 

 

Հայաստանի Հանրապետության
կառավարության աշխատակազմի
ղեկավար-նախարար
Մ. Թոփուզյան

 

 

 

Հավելված N 8
ՀՀ կառավարության 2005 թվականի
հունիսի 9-ի N 850-Ն որոշման

 

 

 

Հ Ա Շ Վ Ե Տ Վ ՈՒ Թ Յ ՈՒ Ն

 

ՀԱՅԱՍՏԱՆԻ ՀԱՆՐԱՊԵՏՈՒԹՅԱՆ ԳԵՂԱՐՔՈՒՆԻՔԻ ՄԱՐԶԻ ԱՎԱԶԱՆԻ ԳՅՈՒՂԱԿԱՆ ՀԱՄԱՅՆՔԻ ՀՈՂԱՅԻՆ ՖՈՆԴԻ ԱՌԿԱՅՈՒԹՅԱՆ ԵՎ ԲԱՇԽՄԱՆ ՄԱՍԻՆ

 

 

Հայաստանի Հանրապետության
կառավարության աշխատակազմի
ղեկավար-նախարար
Մ. Թոփուզյան

 

 

 

Հավելված N 9
ՀՀ կառավարության 2005 թվականի
հունիսի 9-ի N 850-Ն որոշման

 

 

 

Հ Ա Շ Վ Ե Տ Վ ՈՒ Թ Յ ՈՒ Ն

 

ՀԱՅԱՍՏԱՆԻ ՀԱՆՐԱՊԵՏՈՒԹՅԱՆ ԳԵՂԱՐՔՈՒՆԻՔԻ ՄԱՐԶԻ ԱՎԱԶԱՆԻ ԳՅՈՒՂԱԿԱՆ ՀԱՄԱՅՆՔԻ ՈՌՈԳՎՈՂ ՀՈՂԵՐԻ ԱՌԿԱՅՈՒԹՅԱՆ ԵՎ ԲԱՇԽՄԱՆ ՄԱՍԻՆ

 

 

Հայաստանի Հանրապետության
կառավարության աշխատակազմի
ղեկավար-նախարար
Մ. Թոփուզյան