ՀԱՅԱՍՏԱՆԻ ՀԱՆՐԱՊԵՏՈՒԹՅԱՆ
ԿԱԴԱՍՏՐԻ ԿՈՄԻՏԵԻ ՂԵԿԱՎԱՐ
|
08 ապրիլի 2021 թվականի |
N 75-Ն |
Հ Ր Ա Մ Ա Ն
ՀՈՂԱՄԱՍԻ ԵՎ ՇԻՆՈՒԹՅԱՆ ՀԱՏԱԿԱԳԾԵՐԻ ՁԵՎԵՐԸ, ՀԱՏԱԿԱԳԾԵՐԻՆ ՆԵՐԿԱՅԱՑՎՈՂ ՊԱՀԱՆՋՆԵՐԸ ԵՎ ՀԱՏԱԿԱԳԾԵՐԻ ՆԵՐԿԱՅԱՑՄԱՆ ԿԱՐԳԸ ՍԱՀՄԱՆԵԼՈՒ ԵՎ ՀՀ ԿԱՌԱՎԱՐՈՒԹՅԱՆՆ ԱՌԸՆԹԵՐ ԱՆՇԱՐԺ ԳՈՒՅՔԻ ԿԱԴԱՍՏՐԻ ՊԵՏԱԿԱՆ ԿՈՄԻՏԵԻ 2011 ԹՎԱԿԱՆԻ ՀՈԿՏԵՄԲԵՐԻ 20-Ի N 283-Ն ՈՒ N 284-Ն ՀՐԱՄԱՆՆԵՐՆ ՈՒԺԸ ԿՈՐՑՐԱԾ ՃԱՆԱՉԵԼՈՒ ՄԱՍԻՆ
Ղեկավարվելով «Գույքի նկատմամբ իրավունքների պետական գրանցման մասին» օրենքի 25-րդ հոդվածի 4-րդ մասի, «Նորմատիվ իրավական ակտերի մասին» օրենքի 37-րդ հոդվածի 1-ին մասի պահանջներով`
Հրամայում եմ`
1. Սահմանել hողամասի և շինության հատակագծերի ձևերը, հատակագծերին ներկայացվող պահանջները և հատակագծերի ներկայացման կարգը` համաձայն հավելվածի:
2. Ուժը կորցրած ճանաչել ՀՀ կառավարությանն առընթեր անշարժ գույքի կադաստրի պետական կոմիտեի 2011 թվականի հոկտեմբերի 20-ի «Անշարժ գույքի չափագրման (հաշվառման) հրահանգը հաստատելու և ՀՀ կառավարությանն առընթեր անշարժ գույքի կադաստրի պետական կոմիտեի 2008 թվականի սեպտեմբերի 30-ի N 307-Ն հրամանը ուժը կորցրած ճանաչելու մասին» N 283-Ն և «Հողամասի, շինությունների հատակագծերի օրինակելի ձևերը և այդ հատակագծերին ներկայացվող պարտադիր պահանջները հաստատելու մասին» N 284-Ն հրամանները:
3. Սույն հրամանն ուժի մեջ է մտնում պաշտոնական հրապարակման օրվան հաջորդող տասներորդ օրը:
Ս. Թովմասյան
|
Հավելված Կադաստրի կոմիտեի 2021 թվականի ապրիլի 8-ի N 75-Ն հրամանի |
ԿԱՐԳ
ՀՈՂԱՄԱՍԻ, ՇԻՆՈՒԹՅԱՆ ՀԱՏԱԿԱԳԾԵՐԻ ՁԵՎԵՐԸ ԵՎ ՀԱՏԱԿԱԳԾԵՐԻՆ ՆԵՐԿԱՅԱՑՎՈՂ ՊԱՀԱՆՋՆԵՐԸ ԵՎ ՀԱՏԱԿԱԳԾԵՐԻ ՆԵՐԿԱՅԱՑՄԱՆ
I. ԸՆԴՀԱՆՈՒՐ ԴՐՈՒՅԹՆԵՐ
1. Սույն կարգում օգտագործվում են հետևյալ հիմնական հասկացությունները՝
1) Անշարժ գույքի կադաստրային հաշվառում` անշարժ գույքի` հողամասերի և դրանց վրա ամրակայված շենքերի, շինությունների (այսուհետ` շինություններ) առկայության, նպատակային նշանակության, սեփականության, օգտագործման ձևերի, դրանց որակի ու քանակի, տեսքերի ու տեսակների վերաբերյալ տվյալների հավաքագրում.
2) Հողամաս՝ հողի վերգետնյա և ստորգետնյա տարածքի մաս, որն ունի ամրագրված սահմաններ, տարածք (մակերես, ծածկագիր), գտնվելու վայր, իրավական կարգավիճակ.
3) Հողամասի հանութագրում՝ տեղանքում գծային և անկյունային չափումների ամբողջություն, որի մշակման արդյունքում ստանում են հողամասի հատակագիծ (Ձև 1-ով հաստատված հողամասի հատակագիծ), որոշում են բնության մեջ գտնվող կետերի կոորդինատները․
4) Շինություն՝ բնական կամ արհեստական նյութից կազմված վերգետնյա կամ ստորգետնյա կառույցներ, որոնք նախատեսված են մարդկանց բնակվելու կամ ժամանակավորապես գտնվելու, աշխատանքային ու արտադրական տարբեր գործընթացներ կատարելու, նյութերի ու սարքավորումների տեղադրման կամ պահեստավորման, պաշտպանական և այլ նպատակների համար.
5) Շինության չափագրում՝ շինության յուրաքանչյուր տարածքի պարագծային չափերի, ներքին բարձրության, ինչպես նաև կրող պատերի և միջնապատերի (միջնորմների) հաստությունների չափագրում (Ձև 3-ով հաստատված շինության հատակագիծ).
6) Որակավորում ունեցող անձ՝ «Գույքի նկատմամբ իրավունքների պետական գրանցման մասին» ՀՀ օրենքի 16-րդ հոդվածով սահմանված կարգով Հայաստանի Հանրապետությունում քարտեզագրության, գեոդեզիայի, չափագրման (հաշվառման) և հողաշինարարության գործունեությամբ զբաղվող, պետական լիազոր մարմնի կողմից որակավորման վկայական ստացած անձ.
7) Պատվիրատու` որակավորում ունեցող անձին հողամասի և/կամ շինությունների չափագրման աշխատանքներ պատվիրող ֆիզիկական կամ իրավաբանական անձ.
8) Չափագրման նյութերի փաթեթ՝ փաթեթ, որը ներառում է որակավորված անձի կողմից կազմված հողամասի և շինության հատակագծերը, շինությունների արտաքին լուսանկարները՝ էլեկտրոնային տարբերակով, ինչպես նաև կոմիտեից ձեռք բերված ելակետային տվյալների պատճենը, որը կարող է հաստատված չլինել որակավորում ունեցող մասնագետի կողմից: Լուսանկարները ներկայացվում են ՀՀ օրենսդրությամբ սահմանված կարգով օրինականացված կամ առաջին պետական գրանցման ներկայացրած շինությունների համար, բացառությամբ բազմաբնակարան շենքում տեղակայված բնակարանների։ Լուսանկարները պետք է արված լինեն այնպես, որ տեսանելի լինի հողամասի դիրքը հարակից գույքերի, ճանապարհների (եթե առկա է) նկատմամբ, իսկ եթե հողամասում առկա են շինություններ՝ նաև դրանց դիրքերը հողամասի սահմանների նկատմամբ։
9) Սխեմա՝ Ձև 2-ի և Ձև 4-ի ձևով կազմված հողամասերի կամ շինությունների բաժանման կամ միավորման սխեմատիկ պատկեր, որի վրա արտացոլվում են բաժանման կամ միավորման ենթակա հողամասերը կամ շինությունները՝ համապատասխան մակերեսներով և համարակալումներով:
2. Հողամասը հանութագրում, շինությունը չափագրում և դրանց հատակագծերը կազմում է որակավորում ունեցող անձը, որն իրավունք ունի այդ նպատակով պատվիրատուից պահանջելու կատարվող աշխատանքներին վերաբերող անհրաժեշտ նյութերը, ինչպես նաև պարտավոր է օրենսդրությամբ սահմանված կարգով Կադաստրի կոմիտեի (այսուհետ` Կոմիտե) համակարգից ստանալ անհրաժեշտ տեղեկատվություն հետևյալ կերպ.
Անշարժ գույքի վերաբերյալ անհրաժեշտ ելակետային տվյալները ձեռք են բերվում համապատասխան դիմում ներկայացնելու և «Գույքի նկատմամբ իրավունքների պետական գրանցման մասին» ՀՀ օրենքի 73-րդ հոդվածով սահմանված վճարները կատարելու դեպքում՝ ոչ ուշ, քան հատակագիծը թողարկելու ամսաթիվը: Անշարժ գույքի վերաբերյալ գեոդեզիական հիմնակետերի կոորդինատները կամ տվյալ համայնքի կադաստրային քարտեզի հատվածները տրամադրվում են WGS-84 (ՎԻ ՋԻ ԷՍ-84) (ARMREF 02) ազգային գեոդեզիական կոորդինատային համակարգով, էլեկտրոնային կամ թղթային եղանակով:
3. Որակավորում ունեցող անձը հողամասի հանութագրման, շինության չափագրման աշխատանքներն ավարտելուց հետո Կոմիտեի համակարգից ձեռք բերված տվյալները կամ պատճենը չափագրման փաթեթի հետ միասին մուտքագրում է e-cadastre.am կայքում տեղադրված առցանց չափագրման գրասենյակ, որից հետո գեներացված չափագրման ծածկագիրը տրամադրում է պատվիրատուին, որպեսզի վերջինս սպասարկման գրասենյակում կամ առցանց դիմում ներկայացնելիս տրամադրի/լրացնի նաև չափագրման փաթեթի ծածկագիրը։
4. Չափագրողի կողմից հողամասի և շենք-շինությունների հատակագծերը տվյալների բազա պետք է մուտքագրվեն պե-դե-էֆ (PDF) կամ ջփեգ (jpg), ինչպես նաև շեյփ (sհp), դի վի ջի/դի իքս էֆ/դի ջի են (dwg/dxf/dgn) ձևաչափերով վեկտորային ֆորմատներով ֆայլերը:
5. Եթե հողամասում նախկինում եղել է շինություն, իսկ չափագրման պահին քանդված է, ապա որակավորում ունեցող անձը տալիս է եզրակացություն շինությունը քանդված (ոչնչացված) լինելու վերաբերյալ: Շինությունը մասնակի քանդված լինելու դեպքում տալիս է եզրակացություն քանդված մասի վերաբերյալ, իսկ գոյություն ունեցող մասի համար՝ հատակագիծ:
6. Անշարժ գույքի նկատմամբ գործարք իրականացնելիս անշարժ գույքի սեփականատիրոջ (իրավատիրոջ, լիազորված անձի կամ օգտագործողի) կողմից դիմումի հետ միասին ներկայացվում է նաև չափագրման փաթեթի ծածկագիրը:
7. Հողամասի հանութագրման աշխատանքներն իրականացվում են բարձր ճշտություն ապահովող սարքավորումներով (էլեկտրոնային տախեոմետր, արբանյակային դիրքորոշման կայան, ռովեր և այլն):
8. «Գույքի նկատմամբ իրավունքների պետական գրանցման մասին» ՀՀ օրենքի 16-րդ հոդվածի 3-րդ մասի համաձայն՝ գրանցող մարմինը պատասխանատվություն չի կրում որակավորում ստացած անձանց կողմից իրականացված աշխատանքների որակի և տվյալների հավաստիության համար:
9. Կադաստրային հաշվառման ենթակա են այն հողամասերը և դրանց վրա ամրակայված շինությունները, որոնք ենթակա են քանակական և որակական հաշվառման: Հողամասերի և դրանց վրա ամրակայված շինությունների քանակական հաշվառումն անշարժ գույքի առկա վիճակի վերաբերյալ տվյալների հավաքագրումն է` արտահայտված գծային չափերով, մակերեսներով և ծավալներով, որը կատարվում է հողամասերի հանութագրման և շինությունների չափագրումների միջոցով: Հողամասերի և դրանց վրա ամրակայված շինությունների որակական հաշվառումն իրականացվում է հողամասի նպատակային և գործառնական նշանակության (հողատեսքերի), շինությունների նպատակային, գործառնական նշանակության, կառուցման տարեթվի, արտաքին հարդարման, ավարտվածության աստիճանի, շինանյութի տեսակի (պատերի, միջհարկային ծածկի, տանիքի) և այլ բնույթի որակական տվյալների հավաքագրման միջոցով:
II. ՀՈՂԱՄԱՍԻ ՀԱՆՈՒԹԱԳՐՈՒՄ, ՀՈՂԱՄԱՍԻ ՀԱՏԱԿԱԳԾԻ ՁԵՎԸ ԵՎ ՀԱՏԱԿԱԳԾԻՆ ՆԵՐԿԱՅԱՑՎՈՂ ՊԱՀԱՆՋՆԵՐԸ
10. Հողամասի հատակագիծը կազմվում է համապատասխան իրավական ակտերով փոխանցված, հատկացված կամ իրավունքների պետական գրանցում ստացած հողամասի չափերով՝ նշելով և համարակալելով բոլոր շրջադարձային (բեկման) կետերը, կոորդինատները, դրանց միջև եղած երկարությունները՝ հորիզոնական պրոյեկցիաներով: ՀՀ օրենսդրությամբ սահմանված կարգով հատկացված hողամասի սահմանները հատակագծում ամբողջությամբ պատկերվում է չընդհատվող գծերով:
1) ՀՀ օրենսդրությամբ սահմանված կարգով հատկացված հողամասին կից ինքնակամ զբաղեցված հողամասի առկայության դեպքում անհրաժեշտ է ընդհանուր սահմանագիծը գծել ընդհատված գծերով։ Հողամասի հատակագծային հատվածում գծվում է միայն ՀՀ օրենսդրությամբ սահմանված կարգով հատկացված հողամասը:
11. Ենթակառուցվածքների օբյեկտները (գազամատակարարման, ջրամատակարարման, կոյուղատար և այլ նշանակության խողովակաշարերի ստորգետնյա, վերգետնյա և օդային ուղիներ, էլեկտրամատակարարման, կապի մալուխային գծեր, ավտոմոբիլային և երկաթուղային ճանապարհներ ու այլ ենթակառուցվածքների հաղորդակցության գծեր, դրանց հենասյուներ, հորեր, կից այլ շինություններ), դրանց կառուցման և սպասարկման համար հատկացված հողամասերը շրջադարձային (բեկման) կետերի կոորդինատներով արտացոլվում են հողամասի հատակագծում, իսկ դրանց կազմում գտնվող շինությունները` շինությունների հատակագծում:
12. Հողամասի հանութագրման ընթացքում արտաքին սահմաններով չափագրվում են նաև հողամասում գտնվող բոլոր շինությունները, որոնք համարակալվում և ըստ տեղադրության արտացոլվում են հողամասի հատակագծում։
13. Հողամասի հատակագծում բոլոր շինությունների արտաքին սահմանները գծագրվում են չընդհատվող գծերով:
14. Ինքնակամ կառուցված կամ այլ անձին պատկանող շինությունները նշագծվում (շտրիխապատվում) են տարբեր պայմանական նշաններով, որոնց վերաբերյալ բացատրությունը բերվում է հատակագծի «Լրացուցիչ նշումներ» հատվածում:
15. Հողամասի հատակագծում օգտագործված այլ պայմանական նշանների վերաբերյալ բացատրությունը բերվում է հատակագծի «Լրացուցիչ նշումներ» հատվածում:
16. Չափագրվում են քարե և/կամ բետոնե պարիսպների երկարությունը, լայնությունը և բարձրությունը: Այդ պարիսպները հողամասի հատակագծում նշվում են պարիսպի հաստությամբ չընդհատվող գծերով։
17. Եթե հողամասում կան տարածքներ, որոնք պատվիրատուին տրամադրվում են այլ իրավունքներով, ապա հատակագծի վրա այդ տարածքը նշագծվում (շտրիխապատվում) է և հատակագծի «Լրացուցիչ նշումներ» բաժնում կատարվում է համապատասխան նշում` դրա մակերեսի, այլ իրավունքով տրամադրման վերաբերյալ:
18. Եթե գրանցված հողամասի մեջ կառուցվել է նոր շինություն, ապա պատվիրատուի պահանջով կարող է չափագրվել միայն նոր կառուցված շինությունը, իսկ եթե նոր շինությունը կառուցվել է առկա շինությանը կից, և այն կրկին փոփոխությունների չի ենթարկվել, ապա պատվիրատուի պահանջով չափագրվում է միայն նոր կառուցված շինությունը, որը սահմանված կարգով արտացոլվում է հողամասի հատակագծում: Եթե իրավունքի պետական գրանցման վկայականում առկա շինությունը քարտեզում տեղադրվել է սխալ դիրքով, ապա պատվիրատուի պահանջով չափագրվում և ուղղվում է միայն տեղադիրքը։ Հողամասի հատակագծում իրավունքի պետական գրանցում ստացած բոլոր չչափագրված շինությունները հատակագծում պատկերվում են ըստ էլեկտրոնային կադաստրային քարտեզում եղած դիրքի։
19. Բաժանվող հողամասի հատակագիծը ներկայացվում է սխեմայով (Ձև 2), հետևյալ կերպ․ պատկերվում է ընդհանուր հողամասը՝ բաժանված առանձին մասերի, որոնք շտրիխապատվում են և համարակալվում: Հողամասը երկուսից ավելի միավորների բաժանման դեպքում տարբեր հողամասերի համար շտրիխապատումը պետք է միմյանցից տարբերվի: Սխեմայում նշվում են նաև բոլոր հողամասերի մակերեսները: Բաժանվող յուրաքանչյուր մասի համար սահմանված կարգով կազմվում է նաև առանձնացված հողամասի հատակագիծը (Ձև 1)։ Բաժանման սխեման բոլոր առանձնացվող մասերի համար մնում է նույնը։
20. Միավորվող հողամասերի հատակագիծը ներկայացվում է սխեմայով (Ձև 2), որի վրա պատկերվում են միավորվող հողամասերը և համարակալվում են: Սխեմայում նշվում են նաև բոլոր հողամասերի մակերեսները: Միավորված հողամասի համար սահմանված կարգով կազմվում է առանձին հատակագիծ (Ձև 1):
21. Հողամասի հատակագիծը կազմվում է Ձև 1-ում ներկայացված ձևով։
22. Հողամասի հատակագծի կազմման համար պետք է լրացվեն և պահպանվեն հետևյալ պահանջները.
1) Հողամասի հատակագծի առաջին էջում՝ «Հողամասի հատակագիծ» գլխատառերով նշագրումից ներքևի մասի ձախ կողմում լրացվում է սեփականատիրոջ տվյալները (ֆիզիկական անձի անուն, ազգանուն կամ իրավաբանական անձի անվանում):
2) «Մարզ, համայնք, հասցե» տողում լրացվում է հողամասի գտնվելու վայրը կամ հասցեն:
3) Համայնքային կամ պետական սեփականություն հանդիսացող հողամասերի տրամադրման, ինչպես նաև սահմանված կարգով կադաստրային քարտեզի ուղղման ժամանակ հատակագծի վերևի աջ անկյունում՝ «Հաստատում եմ» տողում, լրացվում է համայնքի ղեկավարի անունը, ազգանունը, ստորագրվում է համայնքի ղեկավարի կողմից և կնքվում է։
4) Հողամասի և շինությունների շրջադարձային (բեկման) կետերը համարակալվում են թվերով` աճման կարգով, ժամացույցի սլաքի շարժման ուղղությամբ:
5) Հողամասի հատակագիծը գծագրվում է 1։200, 1։500, 1։1’000, 1։2’000, 1։5’000 կամ 1:10’000 մասշտաբով՝ կախված տրամադրվող հողամասի չափից:
6) Հատակագծի ներքևի ձախ հատվածում նշվում են՝
ա. հողամասի մակերեսը՝ հեկտարով (0.00000 ճշտությամբ),
բ. հողամասի կադաստրային ծածկագիրը, եթե այդպիսին կա,
գ. հողամասի նպատակային նշանակությունը,
դ․ հողամասի գործառնական նշանակությունները կամ հողատեսքը:
7) Հատակագծի ներքևի միջին հատվածում նշվում են հողամասի շրջադարձային (բեկման) կետերի համարները, կոորդինատները՝ WGS-84 (ՎԻ ՋԻ ԷՍ-84) (ARMREF 02) ազգային գեոդեզիական կոորդինատային համակարգով, այդ կետերի միջև գծային չափերը՝ հորիզոնական պրոյեկցիաներով։ Եթե հողամասի շրջադարձային բեկման կետերի քանակն այնպիսին է, որ դրանք հնարավոր չէ տեղադրել սույն կետով նշված հատվածում, ապա համապատասխան տվյալները կարող են տեղադրվել թղթի հակառակ երեսին կամ հաջորդ թղթի վրա, որտեղ նշվում է նաև շինությունների համարները ըստ հողամասի հատակագծի, շինության անվանումը (գործառնական նշանակությունը), շրջադարձային (բեկման) կետերի համարները, կոորդինատները՝ WGS-84 (ՎԻ ՋԻ ԷՍ-84) (ARMREF 02) ազգային գեոդեզիական կոորդինատային համակարգով, և եզրագծերի հորիզոնական պրոյեկցիաների երկարությունները։
23. Հողամասի հատակագծի բոլոր էջերի ներքևի աջ մասում լրացվում է որակավորում ունեցող անձի անուն-ազգանունը, որակավորման վկայականի համարը, ԱՁ/իրավաբանական անձի անվանումը, ՀՎՀՀ-ն, չափագրման օրը, հատակագծի թողարկման օրը, և այն ստորագրվում ու հաստատվում է ԱՁ/իրավաբանական անձի և որակավորում ունեցող անձի կողմից։
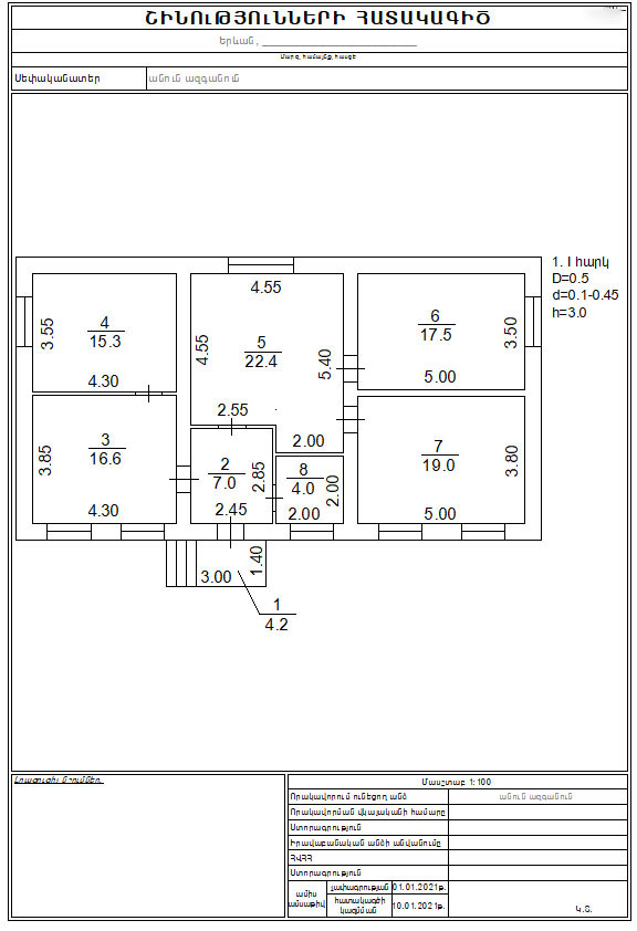
III. ՇԻՆՈՒԹՅԱՆ ՉԱՓԱԳՐՈՒՄ, ՇԻՆՈՒԹՅԱՆ ՀԱՏԱԿԱԳԾԻ ՁԵՎԸ ԵՎ ՀԱՏԱԿԱԳԾԻՆ ՆԵՐԿԱՅԱՑՎՈՂ ՊԱՅՄԱՆՆԵՐԸ
24. Արտաքին չափերով շինության չափագրումն ավարտելուց հետո չափագրվում են դրա ծավալում գտնվող բոլոր տարածքները` ներքին չափերով: Չափագրվում են յուրաքանչյուր տարածքի պարագծային չափերը, ներքին բարձրությունը, ինչպես նաև կրող պատերի և միջնապատերի (միջնորմների) հաստությունները:
25. Բազմաբնակարան բնակելի շենքի ծավալում գտնվող բնակարանները, հասարակական և արտադրական նշանակության ոչ բնակելի տարածքները, ավտոտնակները չափագրվում են միայն ներքին չափերով:
26. Չափագրվում են յուրաքանչյուր տարածքի պարագծային չափերը, ներքին բարձրությունը, ինչպես նաև կրող պատերի և միջնորմների հաստությունները:
27. Ներքին հորիզոնական չափագրումները կատարվում են շինությունների հատակից 1.20 բարձրությամբ, իսկ 1.20 մետրից պակաս բարձրություն ունեցող շինությունները (տարածքները, դրանցում առկա խորշերը) չեն չափագրվում՝ բացառությամբ հարթակների, հիմքերի, պարիսպների և այլ բարելավումների։ Չափագրվող շինության յուրաքանչյուր տարածք համարակալվում է, որի վրա նշվում են առկա դռների ու պատուհանների տեղադրությունները:
28. Շինության հատակագծում միջնորմների տվյալների փոփոխությունները, նախագծային կամ գրանցված տվյալների համեմատ, որպես ինքնակամ չեն նշվում:
29. Շինության գծային չափերը հատակագծում նշվում են մետրով՝ 0.00 ճշտությամբ, իսկ մակերեսը՝ քառակուսի մետրով՝ 0.0 ճշտությամբ:
30. Բաժանվող շինության սխեմայում (Ձև 4) պատկերվում է ընդհանուր գույքը, որի վրա նշագծվում (շտրիխապատվում) և ցույց է տրվում բաժանվող մասը(երը): Բաժանվող մասի (երի) համար սահմանված կարգով կազմվում է Բաժանված շինության հատակագիծ (Ձև 3):
31. Միավորվող շինությունների հատակագիծը (Ձև 4) ներկայացվում է սխեմայով, որի վրա պատկերվում են միավորվող շինությունները և համարակալվում են: Շինության սխեմայում նշվում է միավորման արդյունքում ստացված մակերեսը, ինչպես նաև առանձին միավորների մակերեսները՝ ըստ համարակալման: Միավորված շինության համար սահմանված կարգով կազմվում է առանձին հատակագիծ (Ձև 3):
32. Բազմաբնակարան կամ ստորաբաժանված շինությունում (շենքերում` շենքերի ծավալից դուրս կամ հիմնական պատերից դուրս) բնակարանին կամ ոչ բնակելի տարածքին կից ինքնակամ իրականացված կառույցների (պատշգամբ, սենյակ, խոհանոց, աստիճանավանդակ և այլն) հատակագիծը կազմվում է բնակարանի կամ ոչ բնակելի տարածքի հատակագծի հետ միասին, նշագծվում է (շտրիխապատվում) ինքնակամ կառույցը (շինության հատակագծից բացի՝ կազմվում է հողամասի սխեմատիկ հատակագիծ, որի վրա ցույց է տրվում շենքը կցակառույցի հետ միասին, և նշվում է կցակառույցի հեռավորությունը շենքի անկյուններից):
33. Եթե իրավունքների պետական գրանցում ստացած բազմահարկ շինության (շենքի) որևէ հարկում կատարվել է ներքին փոփոխություն, ապա պատվիրատուի պահանջով չափագրվում է միայն տվյալ հարկը: Ստորաբաժանված շինության պարագայում չափագրվում է միայն փոփոխության ենթարկված գույքային միավորը:
34. Թեք (կամ կոր) առաստաղի կամ տարածքում (սենյակում) տարբեր բարձրությունների առկայության դեպքում դրանք չափվում են, և հատակագծում նշվում է այդ բարձրությունների միջին թվաբանական բարձրությունը:
35. Դեկորատիվ (կեղծ կամ կախովի) առաստաղների առկայության դեպքում, եթե հնարավոր չէ չափել իրական բարձրությունը, հիմք է ընդունվում նախկինում գրանցված, իսկ դրա բացակայության դեպքում՝ նախագծային բարձրությունը: Նշված հիմքերի բացակայության և առաստաղի իրական բարձրությունը պարզելու անհնարինության դեպքում չափվում է փաստացի բարձրությունը:
36. Տարածքի (սենյակի) մակերեսը հաշվարկելիս հաշվի չեն առնվում հատակից մինչև 1.20 մետր բարձրությամբ խորշերը, ելուստները, ինչպես նաև միջնորմերի դռների մակերեսները և պատուհանագոգերը:
37. Չտեղադրված դռների՝ 1.5 մ և ավելի անցումների զբաղեցրած տարածքների մակերեսները ներառվում են սենյակի ներքին մակերեսների մեջ։
38. Շինության հատակագիծը կազմվում է Ձև 3-ում, իսկ սխեման Ձև 4-ում ներկայացված ձևերի համաձայն։
39. Շինությունների հատակագիծը կազմելիս պետք է լրացվեն և պահպանվեն հետևյալ պահանջները.
1) Շինության հատակագծի առաջին էջում՝ «Շինության հատակագիծ» գլխատառերով նշագրումից ներքև գտնվող «Մարզ, համայնք, հասցե» տողում, լրացվում են շինության (ների) գտնվելու վայրը և հասցեն:
2) Հասցեից ներքև գրվում է սեփականատիրոջ տվյալները (ֆիզիկական անձի անուն, ազգանուն, իրավաբանական անձի անվանում):
3) Շինության հատակագծում գծագրվում են հողամասում գտնվող բոլոր շինությունների հատակագծերն ըստ հարկերի` ներքին չափերով: Եթե հատկացված հողամասում կառուցված շինության մի մասը գտնվում է հատկացված հողամասում, իսկ մյուս մասը զավթած հողամասում, ապա նշված բաժանարար հատվածը շինության հատակագծում պատկերվում են ընդհատ գծերով:
4) Բազմաբնակարան շենքերում տեղակայված հասարակական, արտադրական շինությունների և բնակարանների պարագայում տրվում են նաև կառուցապատման մակերեսները։ Կառուցապատման մակերես է համարվում բնակարանի ներքին մակերեսի և ոչ կոնստրուկտիվ տարրերի (միջնորմերի մակերեսները պետք է ներառվեն կառուցապատման մակերեսների մեջ) գումարային մակերեսը։ Կառուցապատման մակերեսների մեջ չեն ներառվում արտաքին պատերը, օդատար ծխատար շախտաները։
5) Հատակագծի վերևի մասում գծագրվում են նկուղային (ստորգետնյա), կիսանկուղային հարկերը, այնուհետև հերթականությամբ գծագրվում են մնացած հարկերը և օժանդակ շինությունները:
6) Շենքերի և շինությունների գծագրերը կազմվում են 1։100, 1։200 և 1:500 մասշտաբներով։
7) Հարկի ներքին տարածքները հատակագծի վրա համարակալվում են մուտքի դռնից սկսած ժամացույցի սլաքի ուղղությամբ, յուրաքանչյուր տարածքի կենտրոնում գիծ է գծվում և համարիչում գրվում է հերթական համարը, իսկ հայտարարում՝ տվյալ տարածքի մակերեսը:
8) Յուրաքանչյուր հարկի գծագրի վրա նշվում է առկա դռների, պատուհանների, բաց պատշգամբի տեղադրությունը: Տարածքների ներքին չափագրման ժամանակ նշվում են նաև աստիճանավանդակները և որմնախորշերը:
9) Յուրաքանչյուր հարկի գծագրին կից գրվում է շինության համարը (ըստ հողամասի հատակագծի), հարկի անվանումը (նկուղ, կիսանկուղ, 1-ին հարկ և այլն), ներքին բարձրությունը, պատերի և միջնապատերի հաստությունները:
10) Եթե շինության տարածքի համարակալման և մակերեսի չափի կոտորակը ընթեռնելի չէ տարածքի ներսում, ապա այն սլաքով դուրս է բերվում գծագրից և գրվում է ազատ տեղում։
11) Եթե շինության մակերեսների մեծ լինելու կամ հարկերի քանակը շատ լինելու պատճառով լրիվ գծագիրը չի տեղավորվում հատակագծի վրա, ապա մնացած հարկերի համար գծագրվում են լրացուցիչ հատակագծեր։
ա. Շինությունների քանակական և որակական տվյալները լրացվում են չափագրողների առցանց գրասենյակում, որի արդյունքում ինքնաշխատ եղանակով կազմվում է շինությունների բնութագիր, որը ենթակա չէ հաստատման չափագրողի և իրավաբանական անձի կողմից։ Շինությունների նպատակային նշանակությունը լրացվում է Հայաստանի Հանրապետության կառավարության 2004 թվականի օգոստոսի 12-ի N 1194-Ն և Հայաստանի Հանրապետության կառավարության 2017 թվականի հունիսի 29-ի N 757-Ն որոշումներով սահմանված ցանկերի համաձայն։
բ. Շինությունների ավարտվածության աստիճանը լրացվում է (համաձայն Հայաստանի Հանրապետության կառավարության 2003 թվականի մայիսի 29-ի N 645-Ն որոշման), որը կիրառվում է բացառապես տվյալ գույքի կադաստրային գնահատության համար:
Ձև 1 (էջ 1)
Ձև 1 (էջ 2)
Ձև 2
Ձև 3
Ձև 4
Պաշտոնական հրապարակման օրը՝ 13 ապրիլի 2021 թվական: