«Վավերացնում եմ»
Հայաստանի Հանրապետության
Նախագահ Ռ. Քոչարյան
18 նոյեմբերի 2006 թ.
ՀԱՅԱՍՏԱՆԻ ՀԱՆՐԱՊԵՏՈՒԹՅԱՆ ԿԱՌԱՎԱՐՈՒԹՅՈՒՆ
Ո Ր Ո Շ ՈՒ Մ
19 հոկտեմբերի 2006 թվականի N 1582-Ն
ՍԵՂՄՎԱԾ ԲՆԱԿԱՆ ԿԱՄ ՀԵՂՈՒԿԱՑՎԱԾ ՆԱՎԹԱՅԻՆ ԳԱԶՈՎ ԱՇԽԱՏԵԼՈՒ ՀԱՄԱՐ ԱՎՏՈՏՐԱՆՍՊՈՐՏԱՅԻՆ ՄԻՋՈՑՆԵՐԸ ՎԵՐԱՍԱՐՔԱՎՈՐՈՂ ԿԱԶՄԱԿԵՐՊՈՒԹՅՈՒՆՆԵՐԻ ԵՎ ԳԱԶԱԲԱԼՈՆԱՅԻՆ ԱՎՏՈՏՐԱՆՍՊՈՐՏԱՅԻՆ ՄԻՋՈՑՆԵՐԻ ԳԱԶԱՎԱՌԵԼԻՔԱՅԻՆ ՍՆՄԱՆ ՀԱՄԱԿԱՐԳԸ ՓՈՐՁԱՐԿՈՂ ԿԱՅԱՆՆԵՐԻ ԱՐՏԱԴՐԱԿԱՆ ԲԱԶԱՆԵՐԻՆ, ՍԵՂՄՎԱԾ ԲՆԱԿԱՆ ԿԱՄ ՀԵՂՈՒԿԱՑՎԱԾ ՆԱՎԹԱՅԻՆ ԳԱԶՈՎ ԱՇԽԱՏԵԼՈՒ ՀԱՄԱՐ ԱՎՏՈՏՐԱՆՍՊՈՐՏԱՅԻՆ ՄԻՋՈՑՆԵՐԻ ՎՐԱ ԳԱԶԱԲԱԼՈՆԱՅԻՆ ՍԱՐՔԱՎՈՐՈՒՄՆԵՐԻ ՏԵՂԱԴՐՄԱՆ ՈՒ ԳԱԶԱԲԱԼՈՆԱՅԻՆ ԱՎՏՈՏՐԱՆՍՊՈՐՏԱՅԻՆ ՄԻՋՈՑՆԵՐԻ ԳԱԶԱՎԱՌԵԼԻՔԱՅԻՆ ՍՆՄԱՆ ՀԱՄԱԿԱՐԳԻ ՓՈՐՁԱՐԿՄԱՆ ԱՇԽԱՏԱՆՔՆԵՐ ԿԱՏԱՐՈՂ ԲԱՆՎՈՐԱԿԱՆ ԵՎ ԻՆԺԵՆԵՐԱՏԵԽՆԻԿԱԿԱՆ ԱՆՁՆԱԿԱԶՄԵՐԻ ՈՐԱԿԱՎՈՐՄԱՆԸ ՆԵՐԿԱՅԱՑՎՈՂ ՊԱՀԱՆՋՆԵՐԸ ՀԱՍՏԱՏԵԼՈՒ ՄԱՍԻՆ
(վերնագիրը փոփ. 20.11.08 N 1407-Ն)
Հայաստանի Հանրապետությունում սեղմված բնական կամ հեղուկացված նավթային գազով աշխատելու համար ավտոտրանսպորտային միջոցների վրա գազաբալոնային սարքավորումների տեղադրման և գազաբալոնային ավտոտրանսպորտային միջոցների գազավառելիքային սնման համակարգերի փորձարկման գործընթացի կանոնակարգման ու գազաբալոնային ավտոտրանսպորտային միջոցների շահագործման անվտանգության ապահովման նպատակով Հայաստանի Հանրապետության կառավարությունը որոշում է.
(նախաբանը փոփ. 20.11.08 N 1407-Ն)
1. Հաստատել`
ա) սեղմված բնական կամ հեղուկացված նավթային գազով աշխատելու համար ավտոտրանսպորտային միջոցները վերասարքավորող կազմակերպությունների և գազաբալոնային ավտոտրանսպորտային միջոցների գազավառելիքային սնման համակարգը փորձարկող կայանների արտադրական բազաներին ներկայացվող պահանջները` համաձայն N 1 հավելվածի.
բ) սեղմված բնական կամ հեղուկացված նավթային գազով աշխատելու համար ավտոտրանսպորտային միջոցների վրա գազաբալոնային սարքավորումների տեղադրման ու գազաբալոնային ավտոտրանսպորտային միջոցների գազավառելիքային սնման համակարգի փորձարկման աշխատանքներ կատարող բանվորական և ինժեներատեխնիկական անձնակազմերի որակավորմանը ներկայացվող պահանջները` համաձայն N 2 հավելվածի:
(1-ին կետը փոփ. 20.11.08 N 1407-Ն)
2. Հայաստանի Հանրապետության կրթության և գիտության նախարարին ու Հայաստանի Հանրապետության առևտրի և տնտեսական զարգացման նախարարին` սույն որոշման 1-ին կետի «բ» ենթակետով հաստատված սեղմված բնական կամ հեղուկացված նավթային գազով աշխատելու համար ավտոտրանսպորտային միջոցների վրա գազաբալոնային սարքավորումների տեղադրման և գազաբալոնային ավտոտրանսպորտային միջոցների գազավառելիքային սնման համակարգերի փորձարկման աշխատանքներ կատարող բանվորական և ինժեներատեխնիկական անձնակազմերի որակավորմանը ներկայացվող պահանջներին համապատասխան վեցամսյա ժամկետում կազմել անհրաժեշտ ուսումնական ծրագրեր և պարբերաբար ապահովել համապատասխան որակավորմամբ մասնագետների պատրաստման գործընթացը:
(2-րդ կետը փոփ. 20.11.08 N 1407-Ն)
3. Սույն որոշումն ուժի մեջ է մտնում պաշտոնական հրապարակման օրվան հաջորդող տասներորդ օրը:
|
Հայաստանի Հանրապետության |
Ա. Մարգարյան |
|
|
|
Հավելված N 1 |
ՍԵՂՄՎԱԾ ԲՆԱԿԱՆ ԿԱՄ ՀԵՂՈՒԿԱՑՎԱԾ ՆԱՎԹԱՅԻՆ ԳԱԶՈՎ ԱՇԽԱՏԵԼՈՒ ՀԱՄԱՐ ԱՎՏՈՏՐԱՆՍՊՈՐՏԱՅԻՆ ՄԻՋՈՑՆԵՐԸ ՎԵՐԱՍԱՐՔԱՎՈՐՈՂ ԿԱԶՄԱԿԵՐՊՈՒԹՅՈՒՆՆԵՐԻ ԵՎ ԳԱԶԱԲԱԼՈՆԱՅԻՆ ԱՎՏՈՏՐԱՆՍՊՈՐՏԱՅԻՆ ՄԻՋՈՑՆԵՐԻ ԳԱԶԱՎԱՌԵԼԻՔԱՅԻՆ ՍՆՄԱՆ ՀԱՄԱԿԱՐԳԸ ՓՈՐՁԱՐԿՈՂ ԿԱՅԱՆՆԵՐԻ ԱՐՏԱԴՐԱԿԱՆ ԲԱԶԱՆԵՐԻՆ ՆԵՐԿԱՅԱՑՎՈՂ ՊԱՀԱՆՋՆԵՐԸ
I. ԸՆԴՀԱՆՈՒՐ ԴՐՈՒՅԹՆԵՐ
1. Սույնով սահմանվում են Հայաստանի Հանրապետությունում սեղմված բնական կամ հեղուկացված նավթային գազով աշխատելու համար ավտոտրանսպորտային միջոցների վրա գազաբալոնային սարքավորումների տեղադրում կատարող կազմակերպությունների և գազաբալոնային ավտոտրանսպորտային միջոցների գազավառելիքային սնման համակարգերը փորձարկող կայանների արտադրական բազաներին ներկայացվող պահանջները (այսուհետ` պահանջներ):
(1-ին կետը փոփ. 20.11.08 N 1407-Ն)
2. Սույն պահանջները տարածվում են (պարտադիր են) սեղմված բնական կամ հեղուկացված նավթային գազով աշխատելու համար ավտոտրանսպորտային միջոցները վերասարքավորող կազմակերպությունների և գազաբալոնային ավտոտրանսպորտային միջոցների գազավառելիքային սնման համակարգերը փորձարկող կայանների վրա:
II. ՍԵՂՄՎԱԾ ԲՆԱԿԱՆ ԿԱՄ ՀԵՂՈՒԿԱՑՎԱԾ ՆԱՎԹԱՅԻՆ ԳԱԶՈՎ ԱՇԽԱՏԵԼՈՒ ՀԱՄԱՐ ԱՎՏՈՏՐԱՆՍՊՈՐՏԱՅԻՆ ՄԻՋՈՑՆԵՐԸ ՎԵՐԱՍԱՐՔԱՎՈՐՈՂ ԿԱԶՄԱԿԵՐՊՈՒԹՅՈՒՆՆԵՐԻ ԱՐՏԱԴՐԱԿԱՆ ԲԱԶԱՆԵՐԻՆ ՆԵՐԿԱՅԱՑՎՈՂ ՊԱՀԱՆՋՆԵՐԸ
3. Սեղմված բնական կամ հեղուկացված նավթային գազով աշխատելու համար ավտոտրանսպորտային միջոցները վերասարքավորող կազմակերպությունների (այսուհետ` վերասարքավորող կազմակերպություններ) արտադրական բազաները պետք է բաղկացած լինեն հետևյալ տեղամասերից`
ա) գազաբալոնային սարքավորումներն ավտոտրանսպորտային միջոցների վրա տեղակայելու տեղամաս` 126,0 քառ. մետր և ավելի մակերեսով,
բ) գազաբալոնային սարքավորումների ստուգման, նորոգման, նախապատրաստման, լրակազմության տեղամաս` 36,0 քառ. մետր և ավելի մակերեսով:
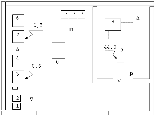
4. Վերասարքավորող կազմակեպությունների արտադրական բազաները պետք է համապատասխանեն օրինակելի տեխնոլոգիական հատակագծային (նախագծային) լուծումներին (N 1 գծապատկերը կցվում է):
5. Վերասարքավորող կազմակերպությունների արտադրական բազաներն ստեղծվում են ինչպես նորակառույց, այնպես էլ գործող կազմակերպության գոյություն ունեցող արտադրական մասնաշենքերում:
6. Վերասարքավորող կազմակերպությունների արտադրական տեղամասերը պետք է հագեցված լինեն անհրաժեշտ տեխնոլոգիական սարքավորումներով (N 1 ցանկը կցվում է):
7. Գազային բալոնների պահեստը և ավտոտրանսպորտային միջոցների լվացման տեղամասը կազմակերպվում են արտադրական մասնաշենքից առանձին կամ դրան հարակից տարածքներում:
8. Արտադրամասի բարձրությունը մինչև դուրս ցցված շինարարական կոնստրուկցիաների ներքևի մասը պետք է լինի`
1) թեթև մարդատար ավտոմոբիլների, միկրոավտոբուսների և մինչև 1,5 տ բեռնատարողության բեռնատար ավտոմոբիլների համար` 4,2 մ-ից ոչ պակաս.
2) մինչև 8,0 մ երկարություն և 2,5 մ լայնություն ունեցող ավտոբուսների ու բեռնատար ավտոմոբիլների համար` 5,0 մ-ից ոչ պակաս:
(8-րդ կետը խմբ. 20.11.08 N 1407-Ն)
9. Վերասարքավորող կազմակերպությունների արտադրական մակերեսի ընտրության դեպքում պետք է ուշադրություն դարձնել այդ նպատակով հատկացված մակերեսն ամբարձահեծանով առավել ապահովելու անհրաժեշտությանը` աշխատանքների կատարման ընթացքում բալոնների տեղափոխման, բեռնատար ավտոտրանսպորտային միջոցների թափքերի հանման և տեղադրման համար:
10. Վերասարքավորող կազմակերպությունների արտադրական մասնաշենքի դասավորվածությունը պետք է լինի այնպիսին, որի դեպքում մի կողմից հասանելի լինի առավել բնական լուսավորությունը (լուսամուտային բացվածքների առկայություն), իսկ մյուս կողմից` բալոնների փոխադրման և ավտոտրանսպորտային միջոցների մուտք ու ելքի համար մոտենա երթևեկելի մաս:
11. Անբավարար բնական լուսավորվածության դեպքում արտադրական մակերեսի լուսավորությունը պետք է փոխհատուցվի (կոմպենսացվի) զենիթային լուսանցների միջոցով` վերին լուսավորությամբ:
12. Արտադրական մասնաշենքից ներքին միջանցքով ելքի կազմակերպման դեպքում վերջինս չպետք է ունենա շեմքեր և այլ արգելքներ, իսկ դրա լայնությունը պետք է ապահովի բալոնների ազատ տեղափոխումը:
13. Արտադրական մասնաշենքի տեղամասերի մակերեսների վրա հիմնական տեխնոլոգիական սարքավորումների տեղաբաշխումը պետք է նախատեսի տարբեր տեսակի աշխատանքների կատարման տեխնոլոգիական հաջորդականությունը:
14. Սարքավորումների տեղաբաշխումը և բացվածքների լայնությունը պետք է հաշվի առնի գազաբալոնային սարքավորումներն ավտոտրանսպորտային միջոցների վրա տեղակայելու տեղամասում, պահեստում կամ ժամանակավոր պահպանման հարթակներում ամբարձահեծանի և սայլակի օգնությամբ խոշորաչափ համալրող թափքերի, հավաքված բալոնների և այլնի ազատ տեղաշարժը:
15. Բացի հիմնական տեխնոլոգիական սարքավորումներից, վերասարքավորող կազմակերպությունները պետք է կահավորված լինեն նաև այլ սարքավորումներով` գույք, դարակաշարեր, գործասեղաններ, սայլակներ և բռնիչներ:
16. Տեղակայման վայր գազաբալոնային սարքավորումների տեղափոխումը պետք է կատարվի 1,5 մ-ից ոչ պակաս լայնությամբ արտաքին դռնատեղի կամ 4,5x4,2 մ եզրաչափեր ունեցող արտաքին դարպասի միջով:
17. Գազաբալոնային սարքավորումների ստուգման, նորոգման, նախապատրաստման, լրակազմավորման և գազաբալոնային սարքավորումներն ավտոտրանսպորտային միջոցների վրա տեղակայելու տեղամասերը կարող են համատեղվել իրար հետ և բաժանիչ միջնապատի ու հատուկ հանդերձավորման կարիք չկա:
18. Վերասարքավորող կազմակերպությունների արտադրական տեղամասերը պետք է ապահովված լինեն տեխնոլոգիական սարքավորումների գործելու համար ցածր ճնշման 0,4-0,6 ՄՊա սեղմված օդի մատակարարմամբ:
19. Ցածր ճնշման սեղմված օդի մատակարարումը պետք է իրականացվի գործող արտադրության օդամատակարարման ցանցից` տեղակայվող տեխնոլոգիական սարքավորմանը դրա առբերմամբ (մոտեցմամբ) կամ սեփական ճնշակային տեղակայանքի սեղմված օդի կուտակչից այն մինչև 0,6 ՄՊա վերածելուց (ճնշումը նվազեցնելուց) հետո:
20. Վերասարքավորող կազմակերպությունների արտադրական բազաների կազմի մեջ մտնող բոլոր շինությունները պետք է համապատասխանեն Հայաստանի Հանրապետության օրենսդրությամբ սահմանված հրդեհային անվտանգության նորմերի ու կանոնների պահանջներին:
III. ԳԱԶԱԲԱԼՈՆԱՅԻՆ ԱՎՏՈՏՐԱՆՍՊՈՐՏԱՅԻՆ ՄԻՋՈՑՆԵՐԻ ԳԱԶԱՎԱՌԵԼԻՔԱՅԻՆ ՍՆՄԱՆ ՀԱՄԱԿԱՐԳԵՐԸ ՓՈՐՁԱՐԿՈՂ ԿԱՅԱՆՆԵՐԻ ԱՐՏԱԴՐԱԿԱՆ ԲԱԶԱՆԵՐԻՆ ՆԵՐԿԱՅԱՑՎՈՂ ՊԱՀԱՆՋՆԵՐԸ
21. Գազաբալոնային ավտոտրանսպորտային միջոցների գազավառելիքային սնման համակարգերը փորձարկող կայանների (այսուհետ` փորձարկող կայաններ) արտադրական բազաները պետք է բաղկացած լինեն հետևյալ տեղամասերից`
ա) գազաբալոնային ավտոտրանսպորտային միջոցների գազավառելիքային սնման համակարգերի փորձարկման տեղամաս` 72,0 քառ. մետր և ավելի մակերեսով,
բ) սեղմված օդի կուտակման համակարգով ճնշակային տեղամաս` 24,0 քառ. մետր և ավելի մակերեսով:
22. Փորձարկող կայանների արտադրական բազաները պետք է համապատասխանեն օրինակելի տեխնոլոգիական հատակագծային (նախագծային) լուծումներին (N 2 գծապատկերը կցվում է):
23. Փորձարկող կայանները ստեղծվում են ինչպես նորակառույց, այնպես էլ գործող կազմակերպության գոյություն ունեցող արտադրական մասնաշենքերում:
24. Փորձարկող կայանների արտադրական տեղամասերը պետք է հագեցված լինեն անհրաժեշտ տեխնոլոգիական սարքավորումներով (N 2 ցանկը կցվում է):
25. Արտադրական մասնաշենքի շինության բարձրությունը մինչև շինարարական կառուցվածքների ցցվածքները պետք է լինի 7 մ և ավելի:
26. Փորձարկող կայանների արտադրական մասնաշենքի ընտրության դեպքում դրա դասավորվածությունը պետք է լինի այնպիսին, որին մի կողմից հասանելի լինի առավել բնական լուսավորությունը (լուսամուտային բացվածքների առկայություն), իսկ մյուս կողմից` ավտոտրանսպորտային միջոցների մուտք ու ելքի համար մոտենա երթևեկելի գոտի:
27. Փորձարկող կայանների փորձարկման տեղամասը պետք է այլ տեղամասերից առանձնացվի 3,5-ից մինչև 4 մ բարձրությամբ միջնապատով և սարքավորված լինի միջավայրի գազայնացվածության հսկողության համակարգով և միապատիկ օդափոխանակություն ապահովող օդաքաշ օդափոխությամբ` պայմանով, որ տեղամասի գոտի գազաբալոնային ավտոտրանսպորտային միջոցի մուտքը պետք է իրականացվի մեկ գազաբալոնով, որում ճնշումը պետք է լինի 5,0 ՄՊա-ից (50 կգ/սմ2) ոչ ավելի:
28. Փորձարկող կայանների փորձարկման տեղամասը պետք է կահավորված լինի նաև սեղմված բնական գազի բացթողման և գազաբալոնների գազազերծման կետերով:
29. Փորձարկող կայանների տեղամասերի մակերեսների վրա հիմնական տեխնոլոգիական սարքավորումները պետք է տեղաբաշխվեն այնպես, որպեսզի ապահովեն աշխատանքների կատարման տեխնոլոգիական հաջորդականությունը:
30. Փորձարկող կայանների փորձարկման տեղամասերը գազաբալոնային ավտոտրանսպորտային միջոցների կտուրին տեղակայված գազաբալոնների փականաապահովչային արմատուրի և գազային խողովակաշարի միացությունների հերմետիկության ստուգման համար պետք է ունենան առավելագույն բարձրությամբ գազաբալոնային ավտոտրանսպորտային միջոցների կտուրի մակարդակի տեխնոլոգիական հարթակով անշարժ կամ շարժական սանդուղք:
31. Հիմնական տեխնոլոգիական սարքավորումներից բացի փորձարկող կայանները պետք է կահավորված լինեն նաև այլ սարքավորումներով` գույք, դարակաշարեր, գործասեղաններ, սայլակներ:
32. Փորձարկող կայանների անձնակազմի սանիտարակենցաղային սպասարկումը պետք է նախատեսվի հատուկ կազմակերպված շինություններում:
33. Ճնշակային տեղամասը տեղաբաշխվում է առանձին (մեկուսացված) շինությունում և իր մեջ ներառում է ճնշակային տեղակայանք, սեղմված օդի կուտակիչ և օժանդակ սարքավորում (օպերատորի աշխատանքային վայր, ստուգիչ-չափիչ սարքեր և այլն):
34. Գազավառելիքային սնման համակարգերի փորձարկման տեղամասերը պետք է ապահովվեն բնական գազի մատուցմամբ (գազային ցանցից, գազի կուտակչից, շարժական գազալցավորողից):
35. Փորձարկող կայանների փորձարկման տեղամասերի արհեստական ընդհանուր լուսավորությունը պետք է ապահովի ոչ պակաս լուսավորություն` 200 լք լյումինեսցենտային լուսավորության դեպքում և ոչ պակաս 150 լք` շիկացման լամպերի դեպքում:
36. Փորձարկող կայանների շինություններում պետք է նախատեսված լինեն եռակի օդափոխանակում ապահովող հարկադրական-օդաքաշ օդափոխություն, ինչպես նաև բնական օդաքաշ: Ջերմաստիճանը պետք է լինի 16-ից մինչև 180C:
37. Գազավառելիքային սնման համակարգերի փորձարկման կայանների արտադրական բազաների կազմի մեջ մտնող բոլոր շինությունները պետք է համապատասխանեն Հայաստանի Հանրապետության օրենսդրությամբ սահմանված հրդեհային անվտանգության նորմերի ու կանոնների պահանջներին:
38. Փորձարկող կայանների արտադրական տեղամասերը պետք է ապահովված լինեն տեխնոլոգիական սարքավորումների գործելու համար երկու պարամետրով սեղմված օդի մատակարարմամբ`
ա) ցածր ճնշման 0,4-0,6 ՄՊա,
բ) բարձր ճնշման 20,0-22,0 ՄՊա:
39. Ցածր ճնշման սեղմված օդի մատակարարումն իրականացվում է սեփական ճնշակային տեղակայանքի բարձր ճնշման սեղմված օդի կուտակչից այն մինչև 0,6 ՄՊա վերածելուց (ճնշումը նվազեցնելուց) հետո:
40. Բարձր ճնշման սեղմված օդի մատակարարումն իրականացվում է անշարժ ճնշակային տեղակայանքից սեղմված օդի կուտակչի միջոցով:
41. Որպես բարձր ճնշման սեղմված օդի կուտակիչ օգտագործվում են նաև սեղմված բնական գազի համար նախատեսված շրջանակ-տակդիրի վրա մոնտաժված և պատին ամրացված 20 հատից ոչ պակաս ավտոմոբիլային գազային բալոնները:
Բալոնների փականները պետք է պողպատե խողովակներով միացված լինեն հաջորդաբար, որոնցից մեկին միացվում է ճնշակի ելքային խողովակը, իսկ վերջինից` դեպի սպառողը (անմիջականորեն կամ վերծանող սարքի միջոցով):
IV. ՑՈՒՑՈՒՄՆԵՐ ՎԵՐԱՍԱՐՔԱՎՈՐՈՂ ԿԱԶՄԱԿԵՐՊՈՒԹՅՈՒՆՆԵՐԻՆ ԵՎ ՓՈՐՁԱՐԿՈՂ ԿԱՅԱՆՆԵՐԻՆ
42. Ավտոգազալցման ճնշակային կայաններում գազաբալոնային ավտոտրանսպորտային միջոցների գազավառելիքային սնման համակարգերի փորձարկման դեպքում սեղմված օդի կուտակման համակարգով ճնշակային տեղամասի փոխարեն օգտագործվում է սեղմված բնական գազի ճնշակային տեղակայանքը:
43. Սեղմված բնական կամ հեղուկացված նավթային գազով աշխատելու համար ավտոտրանսպորտային միջոցների վրա գազաբալոնային սարքավորումների տեղադրման և գազավառելիքային սնման համակարգերի փորձարկման տեխնոլոգիական օպերացիաները նպատակահարմար է համատեղել:
(43-րդ կետը փոփ. 20.11.08 N 1407-Ն)
44. Փորձարկող կայանները մատուցվող ծառայությունների շրջանակն ընդլայնելու նպատակով կարող են կազմակերպել գազաբալոնային սարքավորումների տեխնիկական սպասարկման տեղամաս` այն համատեղելով գազավառելիքային սնման համակարգի փորձարկման տեղամասի հետ:
| Հայաստանի Հանրապետության կառավարության աշխատակազմի ղեկավար-նախարար |
Մ. Թոփուզյան |
ՑԱՆԿ N 1
ՎԵՐԱՍԱՐՔԱՎՈՐՈՂ ԿԱԶՄԱԿԵՐՊՈՒԹՅՈՒՆՆԵՐԻ ՀԻՄՆԱԿԱՆ ԱՐՏԱԴՐԱԿԱՆ ՏԵԽՆՈԼՈԳԻԱԿԱՆ ՍԱՐՔԱՎՈՐՈՒՄՆԵՐԸ
| NN ը/կ |
Տեխնոլոգիական սարքավորման անվանումը | Չափման միավորը | Քանակը | ||
| 1 | 2 | 3 | 4 | ||
| Ա |
Գազաբալոնային սարքավորումներն ավտոտրանսպորտային միջոցների | ||||
| 1. | Փականային շինվածքների (սարքվածքների) մոնտաժման հարմարանք |
հատ | 1 | ||
| 2. | Կապոցում բալոնների հավաքման բաժանմունք | հատ | 1 | ||
| գազաբալոնների տեղափոխման բռնիչ (N 1 գծապատկերում ցույց չի տրված) |
հատ | 2 | |||
| գազաբալոնների տեղափոխման սայլակ (N 1 գծապատկերում ցույց չի տրված) |
հատ | 1 | |||
| Բ |
Գազաբալոնային սարքավորումների լրակազմման, նախապատրաստման, | ||||
| 3. | Հեծանային ամբարձիչ (Q=1,0 տ) | հատ | 1 | ||
| 4. | Գազաբալոնային սարքավորումների դարակաշար | հատ | 3 | ||
| 5. |
Գործիքապահոց կողասեղան` ներառյալ
|
հատ լրակազմ հատ |
1 4 2 | ||
| 6. | Գազաբալոնային սարքավորումների ընթացիկ նորոգման տեղակայանք |
հատ | 1 | ||
| 7. | Գազաբալոնային սարքավորումների ստուգման և կարգավորման ստենդ |
հատ | 1 | ||
| 8. | Ավազով արկղ | հատ | 1 | ||
| 9. | Սրբելու (մաքրելու) լաթերով արկղ | հատ | 1 | ||
| 10 | Գազավառելիքային սնման համակարգի ագրեգատների և հանգույցների լվացման տեղակայանք |
հատ | 1 | ||
ՑԱՆԿ N 2
ՓՈՐՁԱՐԿՈՂ ԿԱՅԱՆՆԵՐԻ ՀԻՄՆԱԿԱՆ ԱՐՏԱԴՐԱԿԱՆ ՏԵՂԱՄԱՍԵՐԻ ՏԵԽՆՈԼՈԳԻԱԿԱՆ ՍԱՐՔԱՎՈՐՈՒՄՆԵՐԸ
| NN ը/կ |
Տեխնոլոգիական սարքավորման անվանումը | Չափման միավորը | Քանակը | |
| 1 | 2 | 3 | 4 | |
| Ա | Գազաբալոնային ավտոտրանսպորտային միջոցների գազավառելիքային սնման համակարգի փորձարկման տեղամաս | |||
| 1. | Ավազով արկղ | հատ | 1 | |
|
2. |
Սրբելու (մաքրելու) լաթերով արկղ | հատ | 1 | |
|
3. |
Ավտոտրանսպորտային միջոցների գազավառելիքային սնման համակարգի ագրեգատների և հանգույցների լվացման տեղակայանք |
հատ | 1 | |
| 4. | Գազամուղերի և գազավառելիքային սարքավորումների ընթացիկ նորոգման տեղակայանք |
հատ | 1 | |
| 5. | Գազավառելիքային սարքավորումների ստուգման և կարգավորման տեղակայանք | |||
| 6. | Գործիքապահոց կողասեղան` ներառյալ
|
հատ լրակազմ |
1 2 | |
| 7. | Դարակաշար | հատ | 3 | |
| Բ |
Ճնշակային տեղամաս | |||
| 8. | Սեղմված օդի կուտակիչ | հատ | 1 | |
| 9. | Ճնշակային տեղակայանք | հատ | 1 | |
| 10. | Վակուումային տեղակայանք | հատ | 1 | |
(ցանկը լրաց. 20.11.08 N 1407-Ն)
Գծապատկեր N 1
| △ | -սեղմված օդի առբերում (մոտեցում) |
| ▽ | -ջրի առբերում |
| -էլեկտրաէներգիայի առբերում | |
| | -տեղական օդափոխիչ արտածծում |
0 |
- ավտոտրանսպորտային միջոց |
Համարները և դրանց անվանումները նշված են N 1 ցանկի 1-ին և 2-րդ սյունակներում:
Գծապատկեր 1. Վերասարքավորող կազմակերպությունների արտադրական բազայի օրինակելի տեխնոլոգիական հատակագծային լուծում:
Գծապատկեր N 2
| △ | -սեղմված օդի առբերում (մոտեցում) |
| ▽ | -ջրի առբերում |
| -էլեկտրաէներգիայի առբերում | |
| | -տեղական օդափոխիչ արտածծում |
0 |
- ավտոտրանսպորտային միջոց |
Համարները և դրանց անվանումները նշված են N 2 ցանկի 1-ին և 2-րդ սյունակներում:
Գծապատկեր 2. Փորձարկող կայանների արտադրական բազայի օրինակելի տեխնոլոգիական հատակագծային լուծում:
(հավելվածը փոփ., խմբ., լրաց. 20.11.08 N 1407-Ն)
| Հայաստանի Հանրապետության կառավարության աշխատակազմի ղեկավար-նախարար |
Մ. Թոփուզյան |
|
Հավելված N 2 |
ՍԵՂՄՎԱԾ ԲՆԱԿԱՆ ԿԱՄ ՀԵՂՈՒԿԱՑՎԱԾ ՆԱՎԹԱՅԻՆ ԳԱԶՈՎ ԱՇԽԱՏԵԼՈՒ ՀԱՄԱՐ ԱՎՏՈՏՐԱՆՍՊՈՐՏԱՅԻՆ ՄԻՋՈՑՆԵՐԻ ՎՐԱ ԳԱԶԱԲԱԼՈՆԱՅԻՆ ՍԱՐՔԱՎՈՐՈՒՄՆԵՐԻ ՏԵՂԱԴՐՄԱՆ ՈՒ ԳԱԶԱԲԱԼՈՆԱՅԻՆ ԱՎՏՈՏՐԱՆՍՊՈՐՏԱՅԻՆ ՄԻՋՈՑՆԵՐԻ ԳԱԶԱՎԱՌԵԼԻՔԱՅԻՆ ՍՆՄԱՆ ՀԱՄԱԿԱՐԳԻ ՓՈՐՁԱՐԿՄԱՆ ԱՇԽԱՏԱՆՔՆԵՐ ԿԱՏԱՐՈՂ ԲԱՆՎՈՐԱԿԱՆ ԵՎ ԻՆԺԵՆԵՐԱՏԵԽՆԻԿԱԿԱՆ ԱՆՁՆԱԿԱԶՄԵՐԻ ՈՐԱԿԱՎՈՐՄԱՆԸ ՆԵՐԿԱՅԱՑՎՈՂ ՊԱՀԱՆՋՆԵՐԸ
(վերնագիրը փոփ. 20.11.08 N 1407-Ն)
I. ԸՆԴՀԱՆՈՒՐ ԴՐՈՒՅԹՆԵՐ
1. Սույնով սահմանվում են սեղմված բնական կամ հեղուկացված նավթային գազով աշխատելու համար ավտոտրանսպորտային միջոցների վրա գազաբալոնային սարքավորումների տեղադրման և գազաբալոնային ավտոտրանսպորտային միջոցների գազավառելիքային սնման համակարգերի փորձարկման աշխատանքներ (այսուհետ` գազաբալոնային սարքավորումների տեղադրման և փորձարկման աշխատանքներ) կատարող բանվորական և ինժեներատեխնիկական անձնակազմերի որակավորմանը ներկայացվող պահանջները:
(1-ին կետը փոփ. 20.11.08 N 1407-Ն)
2. Գազաբալոնային սարքավորումների տեղադրման և փորձարկման աշխատանքներ կարող են կատարել այն քաղաքացիներն ու ինժեներատեխնիկական անձնակազմերի անդամները, որոնք`
ա) ունեն 18 և ավելի տարիք,
բ) ուսանել են այդ աշխատանքների կատարման անվտանգության պահանջները,
գ) ունեն համապատասխան վկայականներ,
դ) չեն տառապում Հայաստանի Հանրապետության կառավարության 2004 թվականի հուլիսի 15-ի N 1089-Ն որոշմամբ հաստատված N 3 հավելվածի ցանկում նշված հիվանդություններով և դրա մասին ունեն համապատասխան բժշկական տեղեկանք:
(2-րդ կետը փոփ. 20.11.08 N 1407-Ն)
3. Գազաբալոնային սարքավորումների տեղադրման և փորձարկման աշխատանքներ կատարող բանվորական և ինժեներատեխնիկական անձնակազմերի պատրաստումն ու վերապատրաստումը կատարվում են համապատասխան ուսումնական հաստատություններում հատուկ ծրագրերով և ուսումնական պլաններով:
(3-րդ կետը փոփ. 20.11.08 N 1407-Ն)
II. ՍԵՂՄՎԱԾ ԲՆԱԿԱՆ ԿԱՄ ՀԵՂՈՒԿԱՑՎԱԾ ՆԱՎԹԱՅԻՆ ԳԱԶՈՎ ԱՇԽԱՏԵԼՈՒ ՀԱՄԱՐ ԱՎՏՈՏՐԱՆՍՊՈՐՏԱՅԻՆ ՄԻՋՈՑՆԵՐԻ ՎՐԱ ԳԱԶԱԲԱԼՈՆԱՅԻՆ ՍԱՐՔԱՎՈՐՈՒՄՆԵՐԻ ՏԵՂԱԴՐՄԱՆ ԱՇԽԱՏԱՆՔՆԵՐ ԿԱՏԱՐՈՂ ԲԱՆՎՈՐԱԿԱՆ ԵՎ ԻՆԺԵՆԵՐԱՏԵԽՆԻԿԱԿԱՆ ԱՆՁՆԱԿԱԶՄԵՐԻՆ ՆԵՐԿԱՅԱՑՎՈՂ ՊԱՀԱՆՋՆԵՐԸ
(վերնագիրը փոփ. 20.11.08 N 1407-Ն)
4. Սեղմված բնական կամ հեղուկացված նավթային գազով աշխատելու համար ավտոտրանսպորտային միջոցների վրա գազաբալոնային սարքավորումների տեղադրման աշխատանքներ (այսուհետ` գազաբալոնային սարքավորումների տեղադրման աշխատանքներ) կատարող բանվորական և ինժեներատեխնիկական անձնակազմերը պետք է իմանան Հայաստանի Հանրապետության կառավարության 2005 թվականի սեպտեմբերի 28-ի N 2388-Ն որոշմամբ հաստատված N 1 հավելվածի III, IV, V և VI մասերի պահանջները, ինչպես նաև`
ա) ավտոտրանսպորտային միջոցների կառուցվածքը և աշխատանքի սկզբունքները,
բ) ավտոփականագործության հիմունքները,
գ) ավտոտրանսպորտային միջոցների վրա տեղակայվող գազաբալոնային սարքավորումների կառուցվածքը և աշխատանքի սկզբունքները,
դ) գազաբալոնային սարքավորումների հնարավոր անսարքությունները, առաջացման պատճառները, բացահայտման և վերացման եղանակները,
ե) գազաբալոնային սարքավորումների տեղադրման աշխատանքների կատարման ընթացքում կիրառվող գործիքների, սարքերի, հարմարանքների և տեխնոլոգիական սարքավորումների շահագործման հրահանգները,
զ) գազաբալոնային սարքավորումների տեղադրման աշխատանքների կատարման հաջորդականությունը,
է) տեխնիկայի անվտանգության կանոնները` գազաբալոնային սարքավորումների տեղադրման աշխատանքների կատարման ընթացքում:
(4-րդ կետը փոփ. 20.11.08 N 1407-Ն)
III. ԳԱԶԱԲԱԼՈՆԱՅԻՆ ԱՎՏՈՏՐԱՆՍՊՈՐՏԱՅԻՆ ՄԻՋՈՑՆԵՐԻ ԳԱԶԱՎԱՌԵԼԻՔԱՅԻՆ ՍՆՄԱՆ ՀԱՄԱԿԱՐԳԵՐԻ ՓՈՐՁԱՐԿՄԱՆ ԱՇԽԱՏԱՆՔՆԵՐ ԿԱՏԱՐՈՂ ԲԱՆՎՈՐԱԿԱՆ ԵՎ ԻՆԺԵՆԵՐԱՏԵԽՆԻԿԱԿԱՆ ԱՆՁՆԱԿԱԶՄԵՐԻՆ ՆԵՐԿԱՅԱՑՎՈՂ ՊԱՀԱՆՋՆԵՐԸ
5. Գազաբալոնային ավտոտրանսպորտային միջոցների գազավառելիքային սնման համակարգերի փորձարկման աշխատանքներ (այսուհետ` փորձարկման աշխատանքներ) կատարող բանվորական և ինժեներատեխնիկական անձնակազմերը պետք է իմանան Հայաստանի Հանրապետության կառավարության 2005 թվականի սեպտեմբերի 28-ի N 2388-Ն որոշմամբ հաստատված N 1 հավելվածի IX և X մասերի պահանջները, ինչպես նաև`
ա) ճնշման տակ աշխատող անոթների կառուցվածքը և դրանց անվտանգ շահագործման կանոնները,
բ) գազաբալոնային ավտոտրանսպորտային միջոցների գազավառելիքային սնման համակարգերի նշանակությունը, աշխատանքի սկզբունքները և փորձարկումների եղանակները,
գ) շարժիչային գազային վառելիքների ֆիզիկաքիմիական հատկությունները,
դ) գազաբալոնային ավտոտրանսպորտային միջոցների գազավառելիքային սնման համակարգերի հնարավոր անսարքությունների հատկանիշները, առաջացման պատճառները, բացահայտման ու վերացման եղանակները,
ե) անշարժ և շարժական գազալցման կայաններում գազաբալոնային ավտոտրանսպորտային միջոցները գազային վառելիքով լցավորելու կանոններն ու առանձնահատկությունները,
զ) գազաբալոնային ավտոտրանսպորտային միջոցների գազավառելիքային սնման համակարգերի փորձարկման ժամանակ կիրառվող գործիքների, սարքերի, հարմարանքների և տեխնոլոգիական սարքավորումների շահագործման հրահանգները,
է) գազավառելիքային սնման համակարգերի կարգավորիչ պարամետրերը և դրանց ներգործությունները գազաբալոնային ավտոտրանսպորտային միջոցների աշխատանքների վրա,
ը) գազաբալոնային ավտոտրանսպորտային միջոցների բանած գազերում ածխածնի օքսիդի (CO), ածխաջրածինների (CH) և ծխայնության պարունակության կարգավորման եղանակները:
IV. գազաբալոնային սարքավորումների տեղադրՄԱՆ ԵՎ ՓՈՐՁԱՐԿՄԱՆ ԱՇԽԱՏԱՆՔՆԵՐ ԿԱՏԱՐՈՂ ԻՆԺԵՆԵՐԱՏԵԽՆԻԿԱԿԱՆ ԱՆՁՆԱԿԱԶՄԵՐԻՆ ԵՎ ԿԱԶՄԱԿԵՐՊՈՒԹՅՈՒՆՆԵՐԻ ՂԵԿԱՎԱՐՆԵՐԻՆ ՆԵՐԿԱՅԱՑՎՈՂ ԼՐԱՑՈՒՑԻՉ ՊԱՀԱՆՋՆԵՐԸ
(վերնագիրը փոփ. 20.11.08 N 1407-Ն)
6. Ինժեներատեխնիկական անձնակազմերը և կազմակերպությունների ղեկավարները լրացուցիչ պետք է իմանան Հայաստանի Հանրապետության կառավարության 2005 թվականի սեպտեմբերի 28-ի N 2388-Ն որոշմամբ հաստատված N 1 հավելվածի VII մասի պահանջները, ինչպես նաև Հայաստանի Հանրապետությունում գործող օրենսդրական և նորմատիվատեխնիկական ակտերի, ոլորտին վերաբերող կանոնակարգերի, ստանդարտների ու հակահրդեհային նորմերի պահանջները:
(հավելվածը փոփ. 20.11.08 N 1407-Ն)
| Հայաստանի Հանրապետության կառավարության աշխատակազմի ղեկավար-նախարար |
Մ. Թոփուզյան |