ՀԱՅԱՍՏԱՆԻ ՀԱՆՐԱՊԵՏՈՒԹՅԱՆ ԿԱՌԱՎԱՐՈՒԹՅՈՒՆ
Ո Ր Ո Շ ՈՒ Մ
10 հունվարի 2008 թվականի N 113-Ն
ՃԱՆԱՊԱՐՀԱՅԻՆ ԳԾԱՆՇՄԱՆԸ ՆԵՐԿԱՅԱՑՎՈՂ ՊԱՀԱՆՋՆԵՐԸ, ԴՐԱ ԿԻՐԱՌՄԱՆ ԿԱՆՈՆՆԵՐԸ, ՃԱՆԱՊԱՐՀԱՅԻՆ ՑԱՆԿԱՊԱՏՆԵՐԻՆ ՆԵՐԿԱՅԱՑՎՈՂ ՊԱՀԱՆՋՆԵՐԸ, ԴՐԱՆՑ ԿԻՐԱՌՄԱՆ ԵՎ ՏԵՂԱԿԱՅՄԱՆ ԿԱՆՈՆՆԵՐԸ ԵՎ ՈՒՂՂՈՐԴ ՍԱՐՔՎԱԾՔՆԵՐԻՆ ՆԵՐԿԱՅԱՑՎՈՂ ՊԱՀԱՆՋՆԵՐԸ, ԴՐԱՆՑ ԿԻՐԱՌՄԱՆ ԵՎ ՏԵՂԱԿԱՅՄԱՆ ԿԱՆՈՆՆԵՐԸ ՀԱՍՏԱՏԵԼՈՒ ՄԱՍԻՆ
«Ավտոմոբիլային ճանապարհների մասին» Հայաստանի Հանրապետության օրենքի 7-րդ հոդվածին համապատասխան և Հայաստանի Հանրապետությունում օգտագործվող ճանապարհային երթևեկության կազմակերպման տեխնիկական միջոցները 1968 թվականին Վիեննայում ստորագրված «Ճանապարհային նշանների և ազդանշանների մասին» կոնվենցիային համապատասխանեցնելու նպատակով Հայաստանի Հանրապետության կառավարությունը որոշում է.
1. Հաստատել`
1) ճանապարհային գծանշմանը ներկայացվող պահանջները, դրա կիրառման կանոնները` համաձայն N 1 հավելվածի.
2) ճանապարհային գծանշման համարները, պատկերներն ու չափերը` համաձայն N 2 հավելվածի.
3) ճանապարհային ցանկապատներին ներկայացվող պահանջները, դրանց կիրառման և տեղակայման կանոնները` համաձայն N 3 հավելվածի.
4) ուղղորդ սարքվածքներին ներկայացվող պահանջները, դրանց կիրառման և տեղակայման կանոնները` համաձայն N 4 հավելվածի:
2. Սույն որոշումն ուժի մեջ է մտնում պաշտոնական հրապարակման օրվան հաջորդող տասներորդ օրը:
|
Հայաստանի Հանրապետության վարչապետ |
Ս. Սարգսյան |
|
2008 թ. փետրվարի 25 Երևան |
|
Հավելված N 1 ՀՀ կառավարության 2008 թվականիհունվարի 10-ի N 113-Ն որոշման |
ՃԱՆԱՊԱՐՀԱՅԻՆ ԳԾԱՆՇՄԱՆԸ ՆԵՐԿԱՅԱՑՎՈՂ ՊԱՀԱՆՋՆԵՐԸ, ԴՐԱ ԿԻՐԱՌՄԱՆ ԿԱՆՈՆՆԵՐԸ
I. ԸՆԴՀԱՆՈՒՐ ԴՐՈՒՅԹՆԵՐ
1. Սույն կանոններով սահմանվում են Հայաստանի Հանրապետության ավտոմոբիլային ճանապարհներին, բնակավայրերի փողոցներում (այսուհետ` ճանապարհներ) իրականացվող ճանապարհային գծանշմանը ներկայացվող տեխնիկական, շահագործական վիճակի պահանջները, դրանց կիրառման կանոնները (այսուհետ` կանոններ):
2. Սույն կանոնների պահանջների կատարումը պարտադիր է Հայաստանի Հանրապետության ճանապարհներին ճանապարհային երթևեկության կազմակերպման մասով նախագծերի մշակման, ճանապարհային գծանշման իրականացման և շահագործման աշխատանքների ժամանակ:
3. Սույն կանոնների գործողությունը տարածվում է Հայաստանի Հանրապետության ընդհանուր օգտագործման պետական և ոչ պետական ճանապարհների վրա:
4. Սույն կանոններում օգտագործվել են հետևյալ հասկացությունները`
1) ճանապարհային գծանշում (այսուհետ` գծանշում)` ճանապարհային երթևեկության կազմակերպման տեխնիկական միջոց է, որն իրենից ներկայացնում է գծեր, սլաքներ և երթևեկելի մասի, ճանապարհային կառույցների, ճանապարհային կահավորանքի տարրերի վրա այլ նշանակություններ, որոնք ճանապարհային երթևեկության մասնակիցների համար ծառայում են որպես տեսողական կողմնորոշում կամ նրանց տեղեկացնում են երթևեկության կարգի, սահմանափակումների և ռեժիմի մասին.
2) ճանապարհային լուսանդրադարձիչ` լուսանդրադարձիչ տարրով (տարրերով) ազդանշանային սարքվածք, որն ապահովված է օրվա մութ ժամերին երթևեկության ուղղությունը կամ ճանապարհին խոչընդոտի տեղը նշելու համար ծառայող ամրացման մասերով.
3) լուսանդրադարձիչ տարր` օպտիկական տարր ունեցող լուսանդրադարձիչի մաս, որը լույսն անդրադարձնում է լույսն ընկնելու ուղղությանը մոտ ուղղություններով.
4) օպտիկական տարր` օպտիկական համակարգ, որը թույլ է տալիս ստանալ լուսանդրադարձնող արտացոլում:
5. Գծանշումը ճանապարհային նշանների զանազան ազդանշանների հետ պետք է կազմի միասնական համակարգ այնպես, որպեսզի գծանշումը կատարելուց հետո հնարավոր լինի դրանց հեշտ ընկալումը:
6. Ընդհանուր օգտագործման պետական և համայնքային սեփականություն հանդիսացող ճանապարհներին և դրանց առանձին տեղամասերում գծանշումը կատարում են «Գնումների մասին» Հայաստանի Հանրապետության օրենքի համաձայն ընտրված կապալառու կազմակերպությունները:
7. Ճանապարհների և դրանց առանձին տեղամասերում գծանշումն ընտրված կազմակերպությունների կողմից իրականացվում է համապատասխանաբար` Հայաստանի Հանրապետության կառավարության կողմից լիազորված պետական կառավարման մարմնի և համայնքի պատվիրակված նախագծի համաձայն ու ժամկետներում:
8. Գծանշումը կատարվում է նախագիծը Հայաստանի Հանրապետության կառավարությանն առընթեր Հայաստանի Հանրապետության ոստիկանության «Ճանապարհային ոստիկանություն» ծառայության հետ համաձայնեցնելուց հետո:
II. ԳԾԱՆՇՄԱՆԸ, ԴՐԱ ՏԵԽՆԻԿԱԿԱՆ, ՇԱՀԱԳՈՐԾԱԿԱՆ ՎԻՃԱԿՆԵՐԻՆ ԵՎ ԿԻՐԱՌՄԱՆ ԿԱՆՈՆՆԵՐԻՆ ՆԵՐԿԱՅԱՑՎՈՂ ԸՆԴՀԱՆՈՒՐ ՊԱՀԱՆՋՆԵՐԸ
9. Հայաստանի Հանրապետության ճանապարհներին իրականացվող գծանշումը, դրան ներկայացվող տեխնիկական պահանջները պետք է համապատասխանեն սույն կանոնների պահանջներին:
10. Սահմանվում են գծանշման երկու խմբեր` հորիզոնական և ուղղաձիգ: Գծանշման յուրաքանչյուր տիպին տրվում են թվերից բաղկացած համարներ, որոնց առաջին թվանշանը խմբի համարն է, որին պատկանում է գծանշումը (1` հորիզոնական, 2` ուղղաձիգ), երկրորդ թվանշանը խմբում գծանշման հերթական համարն է, երրորդ թվանշանը` գծանշման տարատեսակը:
11. Գծանշման համարները, պատկերներն ու չափերը ներկայացված են Հայաստանի Հանրապետության կառավարության 2008 թվականի հունվարի 10-ի N 113-Ն որոշման N 2 հավելվածում:
12. Գծանշումը կարող է կատարվել տարբեր նյութերով (ներկով, ջերմապլաստիկով, սառը պլաստիկով, պոլիմերային ժապավեններով, հատային կաղապարներով, լուսանդրադարձիչներով և այլն):
13. Գծանշումներ կատարելիս` դրանց շեղումը նախագծային դրույթից չպետք է գերազանցի 5 սմ-ը:
14. Գծանշվող գծերի չափերի շեղումները չպետք է գերազանցեն`
1) 1 սմ-ը` գծի լայնությամբ.
2) 5 սմ-ը` նրբագծերի և խզվածքների երկարությամբ:
15. Գծանշումը երթևեկելի մասի մակերևույթից չպետք է բարձր լինի 6 մմ:
16. Վարորդների տեսողական կողմնորոշման համար կիրառվող լուսանդրադարձիչները` ինքնուրույն կամ հորիզոնական գծանշման հետ զուգակցված, երթևեկելի մասի մակերևույթից չպետք է բարձր լինեն 20 մմ:
17. Գծանշման գործակիցները հետևյալն են`
1) չոր վիճակում գծանշման համար պայծառությունը (bV).
2) չոր ծածկույթի դեպքում օրվա մութ ժամերի պայմանների համար լուսանդրադարձումը (RL).
3) անձրևի և թաց ծածկույթի դեպքում օրվա մութ ժամերի պայմանների համար լուսանդրադարձումը (RW).
4) չոր վիճակում ցրված լույսի կամ արհեստական լուսավորության դեպքում լուսարտացոլումը (Qd):
18. Ճանապարհային պայմաններից ելնելով` գծանշման գործակիցներն ընտրվում են ըստ NN 1 և 2 աղյուսակների:
19. Ջերմապլաստիկով, սառը պլաստիկով կամ նման այլ նյութերով կատարված գծանշումը պետք է ունենա մեկ տարվանից ոչ պակաս, իսկ լաքաներկանյութով կատարված գծանշումը` 6 ամսվանից ոչ պակաս գործառութային երկարակեցություն:
20. Գծանշման գործառութային երկարակեցությունը որոշվում է այն ժամանակահատվածով, որի ընթացքում գծանշումը համապատասխանում է սույն կանոնների պահանջներին, և 50 մ երկարությամբ յուրաքանչյուր վերահսկվող տեղամասում գծանշման մակերեսի մաշվածքը չի գերազանցում 50%-ը` գծանշումը ներկով կատարելու դեպքում, իսկ գծանշումը ջերմապլաստիկով կամ երկարակյաց այլ նյութերով կատարելու դեպքում` 25%-ը:
21. Նոր գծապատկերով գծանշում կատարելու դեպքում հին գծանշումը չպետք է տեսանելի լինի:
22. Ճանապարհների գծանշումը, բացառությամբ չորրորդ կարգի ճանապարհների, պետք է կատարվի լուսանդրադարձիչ նյութերի կիրառմամբ:
23. Արհեստական լուսավորություն չունեցող ճանապարհների տեղամասերում 2.1-2.3 գծանշումների (նկար 15) սպիտակ գծերը պետք է կատարվեն լուսանդրադարձիչ նյութով (բացառությամբ ներքին լուսավորություն ունեցող կարճասյուների), իսկ 2.4-2.6 գծանշմամբ նշված (նկար 17) ճանապարհային ցանկապատները և ուղղորդ սարքվածքները պետք է ունենան լուսանդրադարձիչ տարրեր:
24. Ճանապարհային ցանկապատների մակերևույթին 2.4-2.6 գծանշումներով կամ առանց դրանց կիրառվող լուսանդրադարձիչ տարրերը երթևեկության ուղղությամբ երթևեկելի մասի աջ կողմում պետք է լինեն կարմիր, իսկ ձախ կողմում` սպիտակ կամ դեղին գույնի:
25. Գծանշումը շահագործման պահից օրվա բոլոր ժամերին պետք է լավ տեսանելի լինի (ծածկի վրա ձյան բացակայության պայմանում):
26. Ճանապարհների այն տեղամասերում, որտեղ երթևեկության ռեժիմը որոշվում է գծանշման միջոցով, և եթե դրանք դժվար տեսանելի են (ձյուն, ցեխ և այլն) կամ ժամանակին չեն կարող վերականգնվել, ապա կարող են տեղակայվել նույն նշանակությունն ունեցող ճանապարհային նշաններ:
27. Գծանշման վերականգնումն անհրաժեշտ է կատարել գործող տեխնիկական և շինարարական նորմերին համապատասխան:
28. Գծանշման կառչման գործակիցը չպետք է պակաս լինի ծածկի կառչման 0,75 գործակցից:
III. ԳԾԱՆՇՄԱՆ ԿԻՐԱՌՄԱՆ ԿԱՆՈՆՆԵՐԸ
29. Ճանապարհների սեփականատերերի կողմից ճանապարհների գծանշումը կիրառվում է երթևեկության կարգավորման, ճանապարհից օգտվողներին նախազգուշացնելու կամ կողմնորոշելու նպատակով` դրանց անհրաժեշտության դեպքում:
30. Սույն կանոններով չնախատեսված դեպքերում գծանշումը կիրառվում է, եթե դրանց անհրաժեշտությունը հիմնավորված է ճանապարհային կոնկրետ պայմաններով:
31. Գծանշումը կարող է կիրառվել ինչպես առանձին, այնպես էլ ճանապարհային երթևեկության կազմակերպման այլ տեխնիկական միջոցների հետ համատեղ` դրանք ճշգրտելու կամ նորացնելու նպատակով:
32. Գծանշումների սլաքները, զուգահեռ և շեղ գծերը կամ գրառումները կարող են կիրառվել ճանապարհային նշանների ցուցումները կրկնելու կամ ճանապարհից օգտվողներին այնպիսի ցուցումներ տալու համար, որոնք չեն կարող բավարար կերպով տրվել ճանապարհային նշանների միջոցով: Գծանշումների այդ տեսակները կիրառվում են, մասնավորապես, կայանատեղերի, երթուղային տրանսպորտային միջոցների կանգառի կետերի սահմանները նշելու, ինչպես նաև խաչմերուկների մատույցներում նախօրոք վերադասավորում իրականացնելու համար:
33. Ճանապարհի, որտեղ իրականացվում են վերանորոգման աշխատանքներ, երթևեկելի մասերի տեղամասերի սահմանները նշելու համար տեղադրվում են ընդհատվող կամ անընդհատ ճանապարհային ցանկապատներ, որոնք պետք է շերտ-շերտ գծանշվեն հերթականությամբ սպիտակ և կարմիր, կամ սև և սպիտակ գույներով: Իսկ գիշերային ժամերին, եթե այդ ցանկապատների մակերևույթը լուսանդրադարձնող չէ, ապա տեղադրվում են լույսեր կամ լուսանդրադարձիչ հարմարանքներ (լույսերը պետք է լինեն կարմիր, իսկ թարթող լույսերը` դեղին գույնի):
34. Ճանապարհների գծանշման դեպքում գործող շինարարական նորմերի և կանոնների պահանջների համաձայն երթևեկության գոտին ընտրվում է` հաշվի առնելով ճանապարհի կարգը: Այն ճանապարհներին, որոնց ընդլայնական պրոֆիլի տարրերը չեն համապատասխանում գործող շինարարական նորմերի և կանոնների պահանջներին, գծանշվող երթևեկության գոտու լայնությունը պակաս չպետք է լինի 3,00 մ-ից: Թեթև մարդատար ավտոմոբիլների երթևեկության համար նախատեսված գոտու լայնությունը թույլատրվում է նվազեցնել մինչև 2,75 մետր` երթևեկության ռեժիմի անհրաժեշտ սահմանափակումներ մտցնելու պայմանով:
35. Երթևեկության գոտու լայնությունը որոշվում է գոտու սահմանը նշող գծանշման գծերի առանցքների միջև եղած հեռավորությամբ:
36. Ցեմենտբետոնյա ծածկերի վրա համընթաց ուղղությամբ տրանսպորտային հոսքերը բաժանող երկայնական գիծը թույլատրվում է գծանշել ջերմաստիճանային կարի կողքին` երթևեկության ուղղության ձախ կողմից, իսկ հանդիպակաց ուղղության հոսքերը բաժանող գիծը` կարի յուրաքանչյուր կողմից:
Աղյուսակ 1. Սպիտակ գծանշման գործակիցները
|
Ճանապարհային պայմանները |
Սպիտակ գույնի գծանշում | |||||||||||||||
| ասֆալտբետոնյա ծածկույթ | ցեմենտբետոնյա ծածկույթ | |||||||||||||||
| առանց արհեստական լուսավորության | արհեստական լուսավորությամբ | առանց արհեստական լուսավորության | արհեստական լուսավորությամբ | |||||||||||||
| βV ,% | RL | RW | Qd | βV , % |
RL | RW | Qd | βV , % |
RL | RW | Qd | βV , % |
RL | RW | Qd | |
| մկդ/լք.մ2 | մկդ/լք.մ2 | մկդ/լք.մ2 | մկդ/լք.մ2 | |||||||||||||
|
I կարգի ճանապարհներ, արագընթաց մայրուղիներ, անընդհատ երթևեկությամբ քաղաքային նշանակության մայրուղային փողոցներ |
60 (50) |
200 (300) |
35 (50) |
130 | 50 | 200 | 35 | 160 | 60 | 200 | 35 | 160 | 60 | 200 | 35 | 160 |
|
II կարգի ճանապարհներ, կարգավորվող երթևեկությամբ մայրուղային ճանապարհներ և փողոցներ |
40 | 200 | 35 | 100 | 40 | 150 | 130 | 50 | 150 | 130 | 50 | 150 | 130 | |||
|
III կարգի ճանապարհներ, համայնքների մայրուղային փողոցներ |
30 | 100 | 25 | 30 | 100 | 25 | 100 | 40 | 25 | 100 | 40 | 100 | 25 | |||
|
IV կարգի ճանապարհներ, երթուղային տրանսպորտային միջոցների մշտական երթևեկությամբ համայնքների ճանապարհներ և փողոցներ, անցումներ |
- | - | - | 100 | - | 100 | ||||||||||
|
1. Փակագծերում նշված մեծությունները 5.1 «Ավտոմայրուղի» ճանապարհային նշանով նշված ճանապարհների համար են։ 2. IV կարգի ճանապարհների, երթուղային տրանսպորտային միջոցների մշտական երթևեկություն չունեցող ճանապարհների և փողոցների համար պարամետրեր չեն նորմավորվում: | ||||||||||||||||
Աղյուսակ 2. Դեղին ԵՎ նարնջագույն գծանշման գործակիցները
|
Ճանապարհային պայմանները |
Դեղին գույնի գծանշում | Նարնջագույն գծանշում | ||||||||||
| առանց արհեստական լուսավորության | արհեստական լուսավորությամբ | |||||||||||
| βV,% | RL | RW | Qd | βV ,% | RL | RW | Qd | βV,% | RL | RW | Qd | |
| մկդ/լք.մ2 | մկդ/լք.մ2 | մկդ/լք.մ2 | ||||||||||
|
I կարգի ճանապարհներ, արագընթաց մայրուղիներ, անընդհատ երթևեկությամբ քաղաքային նշանակության մայրուղային փողոցներ |
40 | 150 | 35 | 100 | 40 | 150 | 35 | 100 | 30 | 150 | 35 | 100 |
|
II կարգի ճանապարհներ, կարգավորվող երթևեկությամբ մայրուղային ճանապարհներ և փողոցներ |
30 | 80 | 30 | 80 | 25 | 100 | 25 | |||||
|
III կարգի ճանապարհներ, համայնքների մայրուղային փողոցներ |
80 | 25 | 80 | 20 | 80 | 80 | ||||||
|
IV կարգի ճանապարհներ, երթուղային տրանսպորտային միջոցների մշտական երթևեկությամբ համայնքների ճանապարհներ և փողոցներ |
Չի նորմավորվում։ | |||||||||||
IV. ՀՈՐԻԶՈՆԱԿԱՆ ԳԾԱՆՇՄԱՆԸ ՆԵՐԿԱՅԱՑՎՈՂ ՊԱՀԱՆՋՆԵՐԸ, ԴՐԱ ԿԻՐԱՌՄԱՆ ԿԱՆՈՆՆԵՐԸ
37. Հորիզոնական գծանշման գծերը, մակագրությունները, սլաքները և այլ գծանշումներ կատարվում են կատարելագործված ճանապարհային ծածկույթի վրա` բացառությամբ սույն կանոններում նշված դեպքերի:
38. Բնակավայրերում հորիզոնական գծանշումը կիրառվում է մայրուղային ճանապարհներին և փողոցներում, տեղական նշանակության ճանապարհներին և փողոցներում, իսկ գյուղական բնակավայրերում` այն ճանապարհներին և փողոցներում, որտեղ իրականացվում է երթուղային տրանսպորտային միջոցների երթևեկություն:
39. Բնակավայրերից դուրս հորիզոնական գծանշումը կիրառվում է 6 մետրից ոչ պակաս լայնություն ունեցող ճանապարհների երթևեկելի մասում 1000 ավտ./օր և ավելի երթևեկության ինտենսիվության դեպքում:
40. Մյուս ճանապարհներին հորիզոնական գծանշումը թույլատրվում է կիրառել, եթե դա անհրաժեշտ է ճանապարհային երթևեկության անվտանգության ապահովման համար:
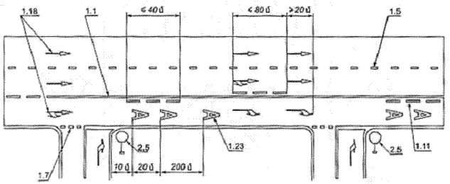
41. 1.1 գծանշումը կիրառվում է`
1) երկու ուղղությամբ երկու կամ երեք երթևեկության գոտիներ ունեցող հակադիր ուղղություններով երթևեկող տրանսպորտային միջոցների հոսքերը բաժանելու համար (առանցքային գիծ)`
ա) ճանապարհի այն տեղամասերում, որտեղ հանդիպակաց ավտոմոբիլի թույլատրելիից պակաս տեսանելիության (աղյուսակ 3) գոտիները ծածկում են մեկը մյուսին (նկար 1ա): Հանդիպակաց ավտոմոբիլի սահմանափակ տեսանելիությամբ ճանապարհի տեղամասում կարող է լինել երկու գոտի, որտեղ տեսանելիությունը պակաս է թույլատրելիից, որոնցից մեկը նկատվում է մեկ ուղղությամբ, մյուսը` հակադիր ուղղությամբ երթևեկելիս.
Աղյուսակ 3. Տվյալ արագության դեպքում երթԵՎեկության անվտանգությունն ապահովող տեսանելիության նվազագույն հեռավորությունը
|
Երթևեկության արագությունը (կմ/ժ) |
30 | 40 | 50 | 60 | 70 | 80 | 90 | 100 | 110 | 120 |
|
Տեսանելիության նվազագույն - հեռավորությունը, մետր - հանդիպակաց ավտոմոբիլի - խոչընդոտից առաջ կանգառի համար |
90 | 110 | 130 | 170 | 200 | 250 | 300 | 350 | 400 | 450 |
| 45 | 55 | 75 | 85 | 125 | 150 | 175 | 200 | 225 | 250 | |
|
1. Կառուցվող ճանապարհների համար արագությունն ընդունվում է հաշվարկային արագության 70%-ի չափով, իսկ շահագործվող ճանապարհների համար այն արագությունը, որը տվյալ տեղամասում չեն գերազանցում տրանսպորտային միջոցների 85%-ը: 2. Հանդիպակաց ավտոմոբիլի տեսանելիության հեռավորությունը պետք է համարել այն հեռավորությունը, որի վրա 1,2 մ բարձրությունից (թեթև մարդատար ավտոմոբիլի վարորդի աչքի մակարդակը) կարելի է տեսնել երթևեկելի մասի մակերևույթի վրա 1,2 մ բարձրության վրա գտնվող առարկան: 3. Կանգառի համար տեսանելիության հեռավորությունը պետք է համարել այն հեռավորությունը, որը 1,2մ բարձրությունից (թեթև մարդատար ավտոմոբիլի վարորդի աչքի մակարդակը) ապահովում է երթևեկության գոտու կենտրոնում գտնվող 0,2 մ-ից ոչ պակաս բարձրությամբ ցանկացած առարկայի տեսանելիությունը: | ||||||||||
բ) 50 մ շառավիղը չգերազանցող հատակագծում կորերի ամբողջ երկարությամբ, ինչպես նաև դրանց հարող փոփոխական շառավղով տեղամասերում: Երկու գոտի ունեցող ճանապարհներին գծանշումը կատարվում է այնպես, որպեսզի պահպանվի ներքին և արտաքին գոտիների լայնությունների հարաբերությունը (աղյուսակ 4):
Աղյուսակ 4. Հատակագծում կորերի վրա երթԵՎեկության գոտիների լայնության հարաբերությունը
|
Երթևեկելի մասի ներքին եզրի |
10-15 | 15-20 | 20-30 | 30-50 |
50-ից ավելի |
| Երթևեկելի մասի ներքին գոտու լայնության հարաբերությունն արտաքին գոտու լայնությանը | 1,4 | 1,3 | 1,2 | 1,1 | 1,0 |
42. Երեք երթևեկության գոտի ունեցող ճանապարհներին ներքին և արտաքին գոտիների լայնությունների հարաբերությունն ընտրվում է եզրային գոտու համար, այդ դեպքում միջին գոտին կարող է օգտագործվել որպես բաժանիչ կամ այն երթևեկության ուղղության համար, որի համար նախատեսված է արտաքին գոտին`
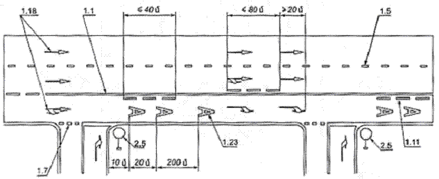
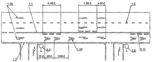
1) խաչմերուկներից առաջ` փոխհատվող ճանապարհով 50 ավտ./օր-ից ոչ պակաս երթևեկության ինտենսիվության դեպքում: Գծանշումը կատարվում է փոխհատվող երթևեկելի մասի եզրից ոչ պակաս, քան 20 (40) մ երկարության վրա (նկար 2): Այստեղ և այսուհետ տեքստում` առաջին նշանակությունը կիրառվում է այն գծանշման համար, որը կատարվում է 60 կմ/ժ-ից ոչ ավելի երթևեկության թույլատրելի արագությամբ ճանապարհներին, փակագծերի նշանակությունը` 60 կմ/ժ-ից ավելի արագության դեպքում.
2) երկաթուղային գծանցներից առաջ` մոտակա ռելսից 100 մ երկարության վրա.
3) ճանապարհների այն տեղամասերում, որտեղ ապահովված չէ հանդիպակաց ավտոմոբիլի տեսանելիության հեռավորությունը` աղյուսակ 3-ին համապատասխան.
4) այն խոչընդոտից (ուղեկամրջի հենասյունից, անվտանգության կղզյակից, եզրաքարից և այլնից) առաջ, որը երթևեկելի գոտու սահմանից 0,3 մ-ից մոտ է, կամ նեղացնում է գոտին, ինչպես նաև տվյալ ուղղությամբ ճանապարհի առանցքի նկատմամբ ոչ ավելի, քան 1:20 (1:50) թեքության գոտիների քանակի նվազեցման դեպքում (առանցքային գիծ): Երկու ուղղությամբ երթևեկության համար երեք երթևեկության գոտիներով ճանապարհներին թույլատրվում է կատարել երկու զուգահեռ գծեր` ոչ պակաս, քան 20 (40) մ հեռավորության վրա (նկար 3).
5) հետիոտնային անցումներից, հեծանվային արահետների հետ փոխհատումից առաջ` 20 (40) մ հեռավորության վրա.
6) երկու ուղղությամբ երթևեկության համար երեք գոտի ունեցող ճանապարհների տեղամասերում: Ճանապարհի տեղամասերի երկարության հարաբերությունը հանդիպակաց ուղղություններով երթևեկության գոտիների քանակին (2:1 կամ 1:2) որոշվում է` հաշվի առնելով ճանապարհի երկայնական և ընդլայնական պրոֆիլները, խաչմերուկներում ձախ շրջադարձերի կազմակերպումը` հաշվի առնելով համընթաց տրանսպորտային միջոցների առաջանցման հնարավորությունը.
7) տրանսպորտային միջոցների ընդհանուր հոսքին հակառակ երթևեկող երթուղային տրանսպորտային միջոցների համար գոտիով ճանապարհների տեղամասերում:
43. Մեկ ուղղությամբ երթևեկության համար երկու և ավելի գոտիներով ճանապարհներին երթևեկության գոտիների սահմանները նշելու համար`
1) խաչմերուկներից, հետիոտնային անցումներից և երկաթուղային գծանցներից առաջ` մինչև 1.12 կամ 1.13 գծանշումները ոչ պակաս, քան 20 (40) մետր (նկարներ 4, 5).
2) տրանսպորտային միջոցների ընդհանուր հոսքին համընթաց երթևեկող երթուղային տրանսպորտային միջոցների համար գոտիով ճանապարհների տեղամասերում (նկար 6):
44. Երթևեկելի մասի այն տեղամասերի սահմանը նշելու համար, դեպի ուր մուտքն արգելված է (անվտանգության կղզյակներ, ուղղորդ կղզյակներ և այլն) (նկար 7):
45. Տրանսպորտային միջոցների կայանման համար նախատեսված հրապարակներում կամ եզրաքարերին մոտ կայանման տեղերի սահմանները նշելու համար (նկար 8):
բ
Նկար 1. Տեսանելիությամբ չապահովված ճանապարհների այն տեղամասերում գծանշման կատարման օրինակներ, որտեղ հանդիպակաց ավտոմոբիլի տեսանելիության գոտիները`
ա. իրար ծածկում են, բ. իրար չեն ծածկում
Նկար 2. Անբավարար տեսանելիությամբ չկարգավորվող խաչմերուկից առաջ գծանշման կատարման օրինակ
Նկար 3. Մեկ ուղղությամբ երթևեկության համար գոտիների քանակի նվազեցման դեպքում գծանշման կատարման օրինակ
46. Երթևեկելի մասի եզրի կամ կայանման հրապարակի եզրի երկարությամբ ավտոմոբիլների հաջորդական տեղաբաշխման դեպքում մեկ կայանման տեղի նվազագույն չափերը պետք է լինեն` թեթև մարդատար ավտոմոբիլների համար` ոչ պակաս, քան 2,5x7,5 մ, առանց կցորդների բեռնատար ավտոմոբիլների համար` 3,0x11,0 մ, միմյանց նկատմամբ ավտոմոբիլների զուգահեռ տեղաբաշխման դեպքում` համապատասխանաբար 2,5x5,0 մ և 3,5x8,5 մ:
Նկար 4. Կարգավորվող խաչմերուկում գծանշման կատարման օրինակ
47. 1.2.1 և 1.2.2 գծանշումները կիրառվում են երթևեկելի մասի եզրը նշելու համար (եզրային գիծ): 1.2.2 եզրային գիծը թույլատրվում է կատարել առանց երթուղային տրանսպորտային միջոցների մշտական երթևեկությամբ 1000 ավտ./օր-ից պակաս երթևեկության ինտենսիվությամբ և երթևեկության երկու ուղղություններով, երկուսից ոչ ավելի գոտիներով, արգելապատով ցանկապատների առկայությամբ ավտոմոբիլային ճանապարհներին` բացառությամբ այն տեղամասերի, որտեղ վազանցն արգելված է: Գծանշումը կատարվում է չամրացված գոտիով երթևեկելի մասի եզրից 0,1-0,2 մ հեռավորության վրա, ինչպես կողնակի, այնպես էլ բաժանիչ գոտու կողմից: Ամրացված գոտու առկայության դեպքում գծանշումը կատարվում է երթևեկելի մասի և այդ գոտու սահմանին:
48. 1.3 գծանշումը կիրառվում է ճանապարհների այն տեղամասերում հակադիր ուղղություններով տրանսպորտային հոսքերը բաժանելու համար (առանցքային գիծ), որոնք երկու ուղղությամբ ունեն երթևեկության չորս և ավելի գոտիներ, ներառյալ անցումային-արագացման և լրացուցիչ գոտիները (նկար 4):
49. 1.4 գծանշումը կիրառվում է ճանապարհների այն տեղամասերում, որտեղ արգելված է տրանսպորտային միջոցների կանգառը: Գծանշումը կատարվում է երթևեկելի մասի եզրից 0,1-0,2 մ հեռավորության վրա կամ եզրաքարի վրա եզրային գծի առկայության դեպքում` դրա փոխարեն (նկար 8):
Նկար 5. Կապուղային փոխհատման գծանշման կատարման օրինակ
Նկար 6. Երթուղային տրանսպորտային միջոցների համար հատուկ գոտով ճանապարհի տեղամասի գծանշման օրինակ
50. 1.5 գծանշումը կիրառվում է`
1) երկու ուղղություններով երթևեկության երկու գոտի ունեցող ճանապարհներին հակադիր ուղղությունների տրանսպորտային հոսքերը բաժանելու (առանցքային գիծ) համար (նկարներ 8, 9), ճանապարհների այն տեղամասերում, որտեղ հանդիպակաց ավտոմոբիլի թույլատրելիից պակաս տեսանելիության գոտիները (աղյուսակ 3) իրար չեն ծածկում (նկար 1բ)` բացառությամբ սույն կարգի 26.3 և 26.13 կետերում նշված դեպքերի.
2) մեկ ուղղությամբ երկու և ավելի երթևեկության գոտիների սահմանները նշելու համար (նկարներ 5, 6)` բացառությամբ սույն կարգի 26.3 և 26.13 կետերում նշված դեպքերի:
Նկար 7. 1.16.1-1.16.3 գծանշման կատարման օրինակ
Նկար 8. Տրանսպորտային միջոցների կայանման համար նախատեսված հրապարակների գծանշման կատարման օրինակ
51. 1.6 գծանշումը (մոտեցման գիծ) կիրառվում է հակադիր (նկարներ 1-3) կամ համընթաց (նկարներ 4, 5) ուղղություններով երթևեկող տրանսպորտային միջոցների հոսքերը բաժանող 1.1 կամ 1.11 գծանշումներին մոտենալու մասին նախազգուշացնելու նպատակով: 1.6 գծանշումը կատարվում է 1.1 կամ 1.11 գծանշումներից առաջ 50 (100) մ-ից ոչ պակաս հեռավորության վրա:
52. 1.7 գծանշումը կիրառվում է խաչմերուկի տարածքում երթևեկության գոտիների սահմանները այն դեպքերում նշելու համար, երբ անհրաժեշտ է ցույց տալ տրանսպորտային միջոցների երթևեկության հետագիծը կամ երթևեկության գոտու սահմանը (նկարներ 4, 5):
Նկար 9. Երթուղային տրանսպորտային միջոցների կանգառի վայրերի գծանշման կատարման օրինակ
53. 1.8. գծանշումը կիրառվում է թափառքի կամ արգելակման գոտու և երթևեկության հիմնական գոտու միջև սահմանը նշելու համար (նկար 10): Գծանշման լայնությունը ավտոմայրուղիներում պետք է լինի 0,4 մ, իսկ մյուս ճանապարհներին` 0,2 մ:
54. 1.9 գծանշումը (դարձափոխային գիծ) կիրառվում է`
1) այն գոտու սահմանը նշելու համար, որի միջոցով երթևեկության ուղղությունը փոխվում է հակադարձի (նկար 11).
2) հակադիր ուղղություններով տրանսպորտային միջոցների հոսքերը (անջատված դարձափոխային լուսացույցների դեպքում) ճանապարհների այն տեղամասերում բաժանելու համար, որտեղ օգտագործվում է դարձափոխային կարգավորում (նկար 11):
Նկար 10. Ավտոմայրուղուց (ճանապարհից) իջատեղի տեղամասի գծանշման կատարման օրինակ
Նկար 11. 1.9 գծանշման կատարման օրինակ
55. 1.10 գծանշումը կիրառվում է ճանապարհների այն տեղամասերում, որտեղ անհրաժեշտ է արգելել տրանսպորտային միջոցների կայանումը (նկար 8): Գծանշումը կատարվում է երթևեկելի մասի եզրից 0,1-0,2 մ հեռավորության վրա կամ եզրաքարի վրա գծանշման եզրային գծի առկայության դեպքում` դրա փոխարեն:
56. 1.11 գծանշումը (արգելափակող գիծ) կիրառվում է տրանսպորտային միջոցների վերադասավորումն արգելելու անհրաժեշտության դեպքում հակադիր կամ համընթաց ուղղություններով տրանսպորտային միջոցների հոսքերը բաժանելու համար:
57. Հակադիր ուղղության տրանսպորտային միջոցների հոսքերը բաժանելու համար գծանշումը կատարվում է հանդիպակաց ավտոմոբիլի տեսանելիությունը (աղյուսակ 3) չապահովված երկու ուղղություններով երթևեկության երկու գոտի ունեցող ճանապարհների տեղամասերում, որտեղ թույլատրելիից պակաս տեսանելիությամբ գոտիները իրար չեն ծածկում (նկար 1բ): Գծանշումը հոծ գծի կողմով պետք է ուղղված լինի այն գոտու կողմը, որտեղ տվյալ տեղամասում գտնվում է թույլատրելիից պակաս տեսանելիությամբ գոտին:
58. 1.11 գծանշումը թույլատրվում է կիրառել 1.1 գծի փոխարեն հակադիր ուղղությունների տրանսպորտային հոսքերը բաժանելու համար 3000 ավտ./օր-ից պակաս երթևեկության ինտենսիվության դեպքում հետիոտնային ու հեծանվորդների համար նախատեսված անցումներից և խաչմերուկներից առաջ` 20 (40) մ-ից ոչ պակաս հեռավորության վրա, ինչպես նաև երկաթուղային գծանցներից առաջ մոտակա ռելսից 100 մ հեռավորության վրա: Տվյալ դեպքում գծանշման հոծ գիծը պետք է ուղղված լինի այն գոտու կողմը, որտեղ երթևեկությունն իրականացվում է ճանապարհների նշված տեղամասերի ուղղությամբ (նկար 13):
59. Համընթաց ուղղություններով տրանսպորտային միջոցների հոսքերը բաժանող գծանշումը կատարվում է`
1) վերելքների այն տեղամասերում, որտեղ դեպի վերելք երթևեկությունն իրականացվում է երկու գոտիով` վերելքի գագաթից 50 մ-ից ոչ պակաս հեռավորության վրա և 30 մ դրանից հետո: Այս դեպքում 1.11 գծանշման հոծ գիծը պետք է ուղղված լինի աջ եզրային գոտու կողմը.
2) այլ դեպքերում, երբ անհրաժեշտ է բացառել վերադասավորվելը դեպի երթևեկության մոտակա աջ կամ ձախ գոտին, նշել դեպի մերձակա տարածք մուտքի և ելքի (նկարներ 6, 8, 9), ինչպես նաև հետադարձի տեղերը:
60. 1.11 գծանշման գծիկի և գծիկների միջև հեռավորությունը պետք է այնպիսին լինի, ինչպես դրան նախորդող 1.6 մոտեցման գծինն է, իսկ դրա բացակայության դեպքում այդ չափերը կարող են նվազեցվել համապատասխանաբար մինչև 0,9 և 0,3 մ:
61. 1.12 գծանշումը (կանգ-գիծ) կիրառվում է խաչմերուկից առաջ 2.5 «Երթևեկությունն առանց կանգառի արգելված է» ճանապարհային նշանի առկայության դեպքում, այն տեղերում, որտեղ երթևեկությունը կարգավորվում է լուսացույցներով և երկաթուղային գծանցներից առաջ (նկարներ 2, 4, 12):
Նկար 12. Երկաթուղային գծանցին մոտեցող ճանապարհի տեղամասի գծանշման օրինակ
62. 2.5 ճանապարհային նշանի առկայության դեպքում 1.12 գծանշումը խաչմերուկից առաջ կատարվում է փոխհատվող երթևեկելի մասի սահմանից 1 մ-ից ոչ ավելի հեռավորության վրա: Եթե Տ.1 կամ Տ.2 լուսացույցը տեղակայված է երթևեկելի մասի վրա, ապա 1.12 գծանշումը կատարվում է դրանից 10-20 մ հեռավորության վրա: Իսկ երբ լուսացույցը տեղակայված է երթևեկելի մասի կողքից` դրա ազդանշանների տեսանելիությունն ապահովելու նպատակով, 1.12 գծանշումը կատարվում է 3-5 մ հեռավորության վրա:
63. 1.13 գծանշումը 2.4 «Զիջեք ճանապարհը» ճանապարհային նշանի առկայության դեպքում կիրառվում է տրանսպորտային միջոցների կանգառի տեղը նշելու համար և կատարվում է փոխհատվող երթևեկելի մասի սահմանից հնարավորինս մոտ (նկար 5):
Նկար 13. Լուսացույցների տեղակայման և կարգավորվող հետիոտնային անցման գծանշման կատարման օրինակ
64. 1.12 և 1.13 գծանշումները թույլատրվում է կատարել երթևեկության տվյալ ուղղության երթևեկելի մասի ամբողջ լայնությամբ կամ երթևեկության յուրաքանչյուր գոտու վրա: 1.12 և 1.13 գծանշումները կատարվում են երթևեկության գոտու առանցքին ուղղահայաց:
65. 1.14.1 և 1.14.2 գծանշումները կիրառվում են երթևեկելի մասը հետիոտների կողմից հատելու համար նախատեսված վայրերը նշելու համար:
66. Գծանշվող հետիոտնային անցման լայնությունը որոշվում է հետիոտային երթևեկության ինտենսիվությամբ` յուրաքանչյուր 500 հետ./ժ-ին 1 մ հաշվարկով` սակայն 4 մ-ից ոչ պակաս:
67. 1.14.1 գծանշումը կիրառվում է 6 մ-ը չգերազանցող լայնությամբ հետիոտնային անցումների վրա: 6 մ-ից ավելի լայնությամբ հետիոտնային անցումների դեպքում կիրառվում է 1.14.2 գծանշումը:
68. 1.14.1 և 1.14.2 գծանշման գծերը կատարվում են երթևեկելի մասի առանցքին զուգահեռ (նկար 2):
69. 1.15 գծանշումը կիրառվում է երթևեկելի մասը հեծանվորդների կողմից հատելու համար նախատեսված վայրերը նշելու համար:
70. 1.16.1-1.16.3 գծանշումները կիրառվում են ուղղորդ կղզյակները նշելու համար`
1) 1.16.1 գծանշումը կիրառվում է հակադիր ուղղություններով տրանսպորտային միջոցների հոսքերի բաժանման տեղերում.
2) 1.16.2 գծանշումը կիրառվում է նույն ուղղության տրանսպորտային միջոցների հոսքերի բաժանման տեղերում.
3) 1.16.3 գծանշումը կիրառվում է տրանսպորտային միջոցների հոսքերի միախառնման տեղերում (նկար 7):
71. Մեծ մակերես ունեցող կղզյակներում 1.16.1-1.16.3 գծանշումները թույլատրվում է կատարել կղզյակի վերջավորությունների վրա և դրա սահմանից 1,0 մ հեռավորության վրա (նկար 7): Կղզյակի ոչ մեծ հրապարակի դեպքում թույլատրվում է ամբողջ տարածքը գունավորել:
72. 1.16.1 գծանշումը թույլատրվում է կիրառել հետիոտնային անցումների վրա անվտանգության կղզյակները նշելու համար: Անվտանգության կղզյակի լայնությունը չպետք է պակաս լինի 1,5 մ-ից, իսկ երկարությունը պետք է հավասար լինի հետիոտնային անցման լայնությանը: Երթևեկելի մասի եզրի և կղզյակի սահմանի միջև հեռավորությունը պետք է լինի 7,0 մ-ից ոչ պակաս:
73. 1.17 գծանշումը կիրառվում է երթուղային տրանսպորտային միջոցների և թեթև մարդատար-տաքսի ավտոմոբիլների կանգառները նշելու համար: Գծանշման երկարությունը որոշվում է` հաշվի առնելով միաժամանակ կանգնող կամ կանգնած տրանսպորտային միջոցների թիվը, սակայն նստեցման հրապարակի երկարությունից ոչ պակաս:
74. 1.18 գծանշումը կիրառվում է խաչմերուկում ըստ գոտիների երթևեկության թույլատրելի ուղղությունները նշելու համար (նկարներ 4, 5, 10): Հաջորդաբար կատարվում են երկու (երեք) կամ ավելի սլաքներ, որոնց միջև հեռավորությունը պետք է լինի 20 - 30 մ: Խաչմերուկի մոտի սլաքի հիմքը պետք է համընկնի համընթաց ուղղության տրանսպորտային միջոցների հոսքերը բաժանող 1.1 գծանշման սկզբի հետ:
75. Փակուղու պատկերով գծանշումը կատարվում է զբոսայգով կամ բաժանիչ գոտով բաժանված երթևեկելի մասերով ճանապարհների փոխհատումներից առաջ, երբ դեպի մոտակա երթևեկելի մաս շրջադարձն արգելված է: Գծանշումը չի կատարվում, եթե զբոսայգու կամ բաժանիչ գոտու լայնությունը թույլ է տալիս խաչմերուկի սահմաններում սլաքը կատարել սույն կետում նշված պայմաններին համապատասխան:
76. 1.19 գծանշումը կիրառվում է գոտու վերջին մոտենալու մասին նախազգուշացնելու համար, իսկ 1.6 գծանշման հետ համատեղ` հակադիր ուղղություններով տրանսպորտային հոսքերը բաժանող 1.1 կամ 1.11 գծանշմանը մոտենալու մասին, եթե հանդիպակաց ավտոմոբիլի տեսանելիությունը սահմանափակ է (նկարներ 1, 3, 12): Այս դեպքում հաջորդաբար պետք է կատարվեն երկու (երեք) կամ ավելի սլաքներ, որոնց միջև հեռավորությունը պետք է լինի 15, 30, 45 մ և այլն (30, 60, 90 մ և այլն): Հեռավորություները նշվում են սլաքների հիմքերի միջև` սկսած երթևեկության ուղղությամբ վերջին սլաքից: Երթևեկության ուղղությամբ վերջին սլաքի հիմքի և անցման գծի կամ թափառքի գոտու հեռացման սկզբի միջև հեռավորությունը պետք է լինի 20 (40) մ:
77. 1.20 գծանշումը կիրառվում է 3000 ավտ./օր-ից ավելի երթևեկության ինտենսիվությամբ ճանապարհներին 1.13 գծանշմանը մոտենալու մասին նախազգուշացնելու համար և կատարվում է երթևեկության յուրաքանչյուր գոտու վրա: 1.20 գծանշման եռանկյան հիմքի և 1.13 գծանշման միջև հեռավորությունը պետք է կազմի 2-10 մ (10- 25 մ) (նկար 5):
78. 1.21 գծանշումը կիրառվում է 3000 ավտ./օր-ից ավելի երթևեկության ինտենսիվությամբ ճանապարհներին` 1.12 գծանշմանը մոտենալու մասին նախազգուշացնելու համար, եթե տեղակայված է 2.5 «Երթևեկությունն առանց կանգառի արգելված է» ճանապարհային նշան, և կատարվում է երթևեկության յուրաքանչյուր գոտու վրա: 1.21 և 1.12 գծանշումների միջև հեռավորությունը պետք է կազմի 2-10 մ (10-25 մ) (նկար 2):
79. 1.22 գծանշումը կիրառվում է 3000 ավտ./օր-ից ավելի երթևեկության ինտենսիվությամբ ճանապարհներին` սահմանված կարգով հաստատված ճանապարհի (երթուղու) համարը նշելու համար: Գծանշումը կատարվում է ճանապարհի (երթուղու) ուղղությանը համապատասխան երթևեկության յուրաքանչյուր գոտու կենտրոնում, խաչմերուկից առաջ և հետո, եթե երթուղին այլ ճանապարհի հետ փոխհատման տեղում փոխում է իր ուղղությունը:
80. Խաչմերուկից առաջ 1.22 գծանշումը կատարվում է 1.18 գծանշման հետ: Այս դեպքում 1.22 գծանշումը կատարվում է 1.18 գծանշումից 1-5 մ առաջ (նկար 10):
81. Եթե խաչմերուկում երթուղին փոխում է իր ուղղությունը, և երթևեկության գոտու վրա երթևեկության մի քանի ուղղությունների համար կատարված է 1.18 գծանշում, ապա երթուղու համարը փոքր տառաչափով կատարվում է 1.18 գծանշման կողային սլաքի տակ:
82. 1.23 գծանշումը 5.11 «Ընդհանուր օգտագործման տրանսպորտային միջոցների համար գոտով ճանապարհ» ճանապարհային նշանով նշված ճանապարհներին կատարվում է միայն երթուղային տրանսպորտային միջոցների երթևեկության համար նախատեսված գոտիների վրա (նկար 6): Գծանշումը կատարվում է երթևեկության գոտու առանցքով` հիմքով դեպի դրանով երթևեկող տրանսպորտային միջոցները: Գոտու սկզբում` երթևեկելի մասերի փոխհատման սահմանից 10 մ հեռավորության վրա կատարվում է առաջին գծանշումը, երկրորդը` 20 մ հետո: Գծանշումը պետք է կրկնել երթուղային տրանսպորտային միջոցի կանգառի տեղից հետո և կանգառների միջև յուրաքանչյուր 200 մ հեռավորության վրա: Կախված կանգառի կետերի միջև տարածությունից` այդ հեռավորությունը կարող է նվազեցվել:
83. 5.14 «Ընդհանուր օգտագործման տրանսպորտային միջոցների համար գոտի» ճանապարհային նշանով նշված գոտիների վրա 1.23 գծանշումը թույլատրվում է կատարել գոտու սկզբում և վերջում, ինչպես նաև այդ գոտու երկարությամբ յուրաքանչյուր 200 մ հեռավորության վրա: Գծանշումը թույլատրվում է կատարել արգելակման գոտու վրա և երթուղային տրանսպորտային միջոցների կանգառի կետերի կանգառի հրապարակում (նկար 9):
84. 1.24.1 և 1.24.2 գծանշումները թույլատրվում է կիրառել ճանապարհային նշանները կրկնելու համար`
1) 1.24.1 գծանշումը` նախազգուշացնող նշանները կրկնելու համար.
2) 1.24.2 գծանշումը` արգելող նշանները կրկնելու համար (նկար 14).
Նկար 14. 1.25 գծանշման կատարման օրինակ
3) 1.24.1 գծանշումը կատարվում է տեղակայված համապատասխան նախազգուշացնող նշանից հետո 20-30 մ հեռավորության վրա, իսկ 1.24.2 գծանշումը` համապատասխան արգելող ճանապարհային նշանի հետ ճանապարհի նույն ընդլայնական կտրվածքում:
85. Բազմագոտի ճանապարհներին 1.24.1 և 1.24.2 գծանշումները կատարվում են տվյալ ուղղությամբ երթևեկության համար նախատեսված յուրաքանչյուր գոտու վրա` բացառությամբ 3.27-3.30 ճանապարհային նշանների պատկերների, որոնք կատարվում են երթևեկության աջ եզրային գոտու վրա:
86. 1.24.3 գծանշումը կիրառվում է 1-ին և 2-րդ խմբի հաշմանդամների կողմից ղեկավարվող կամ այդ հաշմանդամներին տեղափոխող տրանսպորտային միջոցների համար նախատեսված ճանապարհների տեղամասերը, կայանման հրապարակները (կայանման տեղերը), մուտքերը, ելքերը և այլն նշելու համար:
87. 1.25 գծանշումը կիրառվում է արագությունը հարկադիր նվազեցնելու համար նախատեսված արհեստական անհարթությունները նշելու համար: 1.25 գծանշումը կատարվում է անհարթության սկզբում և վերջում` թեք տեղամասի վրա:
88. Եթե արհեստական անհարթությունը գծանշում կատարելու համար ունի անբավարար լայնություն, ապա գծանշումը երթևեկելի մասի վրա կատարվում է անհարթության երկու կողմում:
89. Ճանապարհներին թույլատրվում է կատարել սույն կանոններով չնախատեսված մակագրություններ, որոնք հանդիսանում են որևէ սահմանափակում չմտցնող լրացուցիչ տեղեկատվության միջոց (բնակավայրերի անվանումներ, զբոսաշրջության օբյեկտներ և այլն)` օգտագործելով 1,6 (4,0) մ բարձրությամբ տպատառ: Մակագրությունները պետք է կատարվեն 1.22 գծանշմանը համապատասխան տպատառով և սույն կանոններով նախատեսված թվերով: Եթե մակագրությունների երկարությունը գերազանցում է երթևեկության գոտու լայնությունը, ապա թույլատրվում է նվազեցնել տառերի և թվերի չափերը, բայց ոչ ավելի, քան երկու անգամ:
90. 1.1-1.7, 1.9-1.11 գծանշումների գծերի լայնությունն ընտրվում է աղյուսակ 5-ի համաձայն:
91. 1.1-1.7, 1.9-1.11 գծանշման գծերի լայնությունը, որոնք նշված չեն աղյուսակում, պետք է ընդունել 0,1 մ:
92. Ժամանակավոր գծանշումը վերացվում է ժամանակավոր ճանապարհային նշանների և ճանապարհային ցանկապատների ու ուղղորդ հարմարանքների ապամոնտաժման հետ միաժամանակ:
Աղյուսակ 5. Գծանշման գծերի լայնությունը
| Երթևեկու- կության գոտիների քանակը |
Բաժանիչ գոտու առկայու-թյունը |
Հակադիր ուղղություններով հոսքերի բաժանումը, մետր | Երթևեկության գոտիների նշումը, մետր | Երթևեկելի մասի եզրի նշումը, մետր | Կանգառի և կայանման արգելում, մետր | |||||||
| 1.1 | 1.3 | 1.5, 1.6 | 1.9 | 1.11 | 1.1, 1.5 1.7 |
1.9 | 1.11 | 1.2.1 | 1.2.2 | 1.4, 1.10 | ||
| 2 | Չկա | 0,10 | - | 0,10 | - | 0,10 | 0,10 | - | 0,10 | 0,10 | 0,10 | 0,10 |
| 3 | 0,15 | 0,15 | 0,10 | - | ||||||||
| 4 և 5 | - | 0,15 | - | 0,15 (0,10) | 0,15 (0,10) |
0,15 (0,10) |
0,15 (0,10) |
0,15 (0,10) |
0,15 (0,10) | |||
| ● 6 | 0,20 (0,15) |
0,20 ( 0,15) |
0,20 (0,15) |
0,20 (0,15) | ||||||||
| ● 4 | Կա | - | - | 0,15 | - | |||||||
| Փակագծերում նշված են բնակավայրերում գծանշման գծերի լայնության թույլատրելի նշանակությունները։ | ||||||||||||
V. ՈՒՂՂԱՁԻԳ ԳԾԱՆՇՄԱՆԸ ՆԵՐԿԱՅԱՑՎՈՂ ՊԱՀԱՆՋՆԵՐԸ, ԴՐԱ ԿԻՐԱՌՄԱՆ ԿԱՆՈՆՆԵՐԸ
93. Ուղղաձիգ գծանշման գծերը և նշանակությունները կատարվում են կամրջային կառույցների թռիչքային շինությունների և հենարանների, թունելների ճակատամուտքերի մակերևույթների, ճանապարհային ցանկապատների, պարապետների, եզրաքարերի և ճանապարհների կահավորանքի այլ տարրերի վրա` ճանապարհային երթևեկության մասնակիցների կողմից դրանց տեսանելիությունը բարելավելու համար:
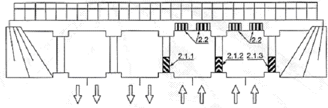
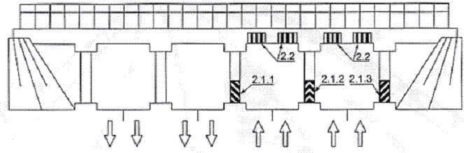
94. 2.1.1-2.1.3 գծանշումները կիրառվում են կողնակի սահմաններում` երթևեկելի մասի եզրից 1 մ-ից մոտ գտնվող կամրջային կառույցների, լուսավորության հենասյուների, ծառերի, թափամեղմիչ հարմարանքների և այլնի ուղղաձիգ տարրերը նշելու համար, կողնակի բացակայության կամ այլ դեպքերում, եթե խոչընդոտները վտանգ են ներկայացնում երթևեկող տրանսպորտային միջոցների համար:
95. 2.1.1 և 2.1.3 գծանշումները կատարվում են երթևեկելի մասից համապատասխանաբար ձախ կամ աջ կողմում տեղակայված խոչընդոտի վրա, իսկ 2.1.2 գծանշումը` եթե խոչընդոտը կարելի է շրջանցել երկու կողմերից: Թույլատրվում է գծանշել միայն երթևեկելի մասի մոտ գտնվող կառույցի եզրը 0,5 մ լայնությամբ և 3,0 մ բարձրությամբ (նկարներ 15, 16):
Նկար 15. 2.1 և 2.2 գծանշումների կատարման օրինակ
Նկար 16. 2.1.1, 2.1.3 և 2.7 գծանշումների կատարման օրինակ
96. 2.2 գծանշումը կիրառվում է 5 մ-ից ոչ պակաս բարձրության վրա գտնվող կամրջային կառույցների թռիչքային շինությունների և թունելների ճակատամուտքերի ներքին եզրը նշելու համար:
97. 2.2 գծանշումը թռիչքային շինությունների վրա թույլատրվում է կատարել երթևեկելի մասի ամբողջ լայնությամբ, որով երթևեկությունն իրականացվում է դեպի այդ շինությունը:
98. Եթե 2.1.1-2.1.3 և 2.2 գծանշումները հնարավոր չէ անմիջականորեն կատարել արհեստական կառուցվածքների մակերևույթին, ապա այն պետք է կատարել այդ կառուցվածքներին ամրացված կամ անմիջականորեն դրանցից առաջ տեղադրված վահանակների վրա:
99. 2.3 գծանշումը կիրառվում է օղակաձև կարճասյուները նշելու համար, երբ դրանք գտնվում են բաժանիչ գոտիների, բարձրացված ուղղորդ կղզյակների կամ բարձրացված անվտանգության կղզյակների վրա (նկար 17):
Նկար 17. 2.3-2.7 գծանշումների կատարման օրինակ
100. 2.4 գծանշումը կիրառվում է Հայաստանի Հանրապետության կառավարության 2008 թվականի հունվարի 10-ի N 113-Ն որոշման ուղղորդ սարքվածքներին ներկայացվող պահանջներին, դրանց կիրառման և տեղակայման կանոններին (N 4 հավելված) համապատասխան ազդանշանային սյունիկները, ուղեցցերը և այլն նշելու համար (նկար 17):
101. 2.4 գծանշման սև գոտու ներքևի եզրը պետք է ուղղված լինի դեպի երթևեկելի մասը:
102. 2.5 գծանշումը կիրառվում է ճանապարհների հարթ տեղամասերում տեղակայված (դրա սկզբից 10 մ-ից ոչ պակաս տարածության վրա) ճանապարհային ցանկապատների կողային մակերևույթները նշելու համար, ինչպես նաև տարբեր հարթությունների փոխհատումների 50 մ-ից պակաս շառավղով հատակագծում կորերի, կտրուկ վայրէջքների վրա, երթևեկելի մասերի նեղացված տեղերում այդ ցանկապատների ամբողջ երկարությամբ (նկար 17):
103. 2.6 գծանշումը կիրառվում է սույն կարգի 27.7 կետում չնշված դեպքերում ճանապարհային ցանկապատների կողային մակերևույթները նշելու համար:
104. 2.5 և 2.6 գծանշումները թույլատրվում է չկատարել ցինկապատված մետաղից պատրաստված ճանապարհային ցանկապատների վրա: Եթե ցինկապատված մետաղից պատրաստված ճանապարհային ցանկապատի առանձին սեկցիաների (եթե դրանց ընդհանուր երկարությունը չի գերազանցում ցանկապատի երկարության 20%-ը) մետաղը ցինկապատված չէ, ապա դրանք ներկվում են ցինկապատված մետաղից պատրաստված սեկցիայի գույնով (գորշ կամ արծաթագույն):
105. 2.4-2.6 գծանշումներով նշված ճանապարհային ցանկապատներն ու ուղղորդ սարքվածքները կահավորվում են լուսանդրադարձիչ տարրերով:
106. 2.7 գծանշումը կատարվում է որոշակի բարձրություն ունեցող ուղղորդ կղզյակների, անվտանգության կղզյակների, երթևեկելի մասից 1 մ-ից պակաս հեռավորության վրա գտնվող խոչընդոտների եզրաքարերի կողային մակերևույթների վրա, 50 մ-ից պակաս շառավղով հատակագծում կորերի վրա, ճանապարհի նեղացված, առափ դուրս գալու տեղերում և այլ վտանգավոր տեղամասերում (նկարներ 16, 17):
107. 2.7 գծանշման սև և սպիտակ գույների տարրերի չափերը համապատասխանաբար պետք է ընդունել` ուղղորդ կղզյակների և անվտանգության կղզյակների համար` 0,2 և 0,4 մ, եզրաքարերի համար` 0,5 և 1,0 մ (1,0 և 2,0 մ):
|
Հայաստանի Հանրապետության կառավարության աշխատակազմի ղեկավար-նախարար |
Մ. Թոփուզյան |
|
Հավելված N 2 ՀՀ կառավարության 2008 թվականիհունվարի 10-ի N 113-Ն որոշման |
ՃԱՆԱՊԱՐՀԱՅԻՆ ԳԾԱՆՇՄԱՆ ՀԱՄԱՐՆԵՐԸ, ՊԱՏԿԵՐՆԵՐՆ ՈՒ ՉԱՓԵՐԸ
1. ՀՈՐԻԶՈՆԱԿԱՆ ԳԾԱՆՇՈՒՄ
|
Գծանշման համարը |
Գծանշման ձևը, գույնը և չափերը (մետր) |
Նշանակությունը |
| 1.1. |
| |
| 1.2.1. | Նշում է ճանապարհի երթևեկելի մասի եզրը: | |
| 1.2.2. |
v ≤ 60 կմ/ժ, l1 = 1,00, l2 = 2,00__ |
Նշում է երկու գոտի ունեցող ճանապարհների երթևեկելի մասի եզրը: Այստեղ և այսուհետ տեքստում` երթևեկության արագությունը պետք է համարել այն արագությունը, որը սահմանված է ճանապարհային երթևեկության կանոններով։ |
| 1.3. | |
Բաժանում է հակառակ ուղղությունների տրանսպորտային հոսքերը: |
| 1.4. | |
Նշում է այն տեղերը, որտեղ արգելվում է տրանսպորտային միջոցների կանգառը: |
| 1.5. |
v ≤ 60 կմ/ժ, l1 = 1,00 - 3,00,l2 = 3,00 - 9,00 __ v > 60 կմ/ժ, l1 = 3,00 - 4,00,l2 = 9,00 - 12,00 l1 : l2 = 1:3 |
|
| 1.6. |
v ≤ 60 կմ/ժ, l1 = 3,00 - 6,00,l2 = 1,00 - 2,00 __ v > 60 կմ/ժ, l1 = 6,00 - 9,00, l2 = 2,00 - 3,00 l1 : l2 = 3:1 |
Նշում է մոտեցումը երկայնական հոծ գծին: |
| 1.7. | Նշում է երթևեկության գոտիները խաչմերուկի սահմանում: | |
| 1.8. |
P = 0,4 ավտոմայրուղիներում |
Նշում է թափառքի (արգելակման գոտու) և երթևեկելի մասի հիմնական գոտու միջև սահմանը: |
| 1.9. |
v ≤ 60 կմ/ժ, l1 = 3,00 - 6,00,l2 = 1,00 - 2,00 __ v > 60 կմ/ժ, l1 = 6,00 - 9,00, l2 = 2,00 - 3,00 l1 : l2 = 3:1 |
|
| 1.10. | Նշում է այն տեղերը, որտեղ արգելվում է տրանսպորտային միջոցների կայանումը: | |
| 1.11. |
Հետադարձի տեղից, մերձակա տարածքներից ելքի և մուտքի տեղերում l1 = 0,9, l2 = 0,3 v ≤ 60 կմ/ժ, l1 = 3,00 - 6,00, l2 = 1,00 - 2,00 _ v > 60 կմ/ժ, l1 = 6,00 - 9,00, l2 = 2,00 - 3,00 l1 : l2 = 3:1 |
|
| 1.12. | Նշում է տրանսպորտային միջոցների կանգնելու տեղը` «Կանգ-գիծ»: | |
| 1.13. | Նշում է այն տեղը, որտեղ վարորդը պետք է զիջի ճանապարհը: | |
| 1.14.1. | Նշում է հետիոտնային անցումը, երբ 6,00 մ ≥ P ≥ 4,00 մ: | |
| 1.14.2. | Նշում է հետիոտնային անցումը, երբ P > 6,00 մ։ | |
| 1.15. | Նշում է հեծանվային ուղիները: | |
| 1.16.1. | Նշում է հակառակ ուղղությունների տրանսպորտային հոսքերը բաժանող կղզյակները: | |
| 1.16.2. | Նշում է մեկ ուղղությամբ տրանսպորտային հոսքերը բաժանող կղզյակները: | |
| 1.16.3. |
|
Նշում է տրանսպորտային հոսքերը միացնող կղզյակները: |
| 1.17. |
Մ Ա Յ Թ |
Նշում է երթուղային տրանսպորտային միջոցների կանգառների և տաքսի ավտոմոբիլների կայանման տեղերը։ |
| 1.18. | Նշում է երթևեկության ուղղություններն ըստ գոտիների։ | |
| 1.19. | Նշում է մոտեցումը երթևեկելի մասի նեղացմանը կամ 1.1 գծանշման երկայնական հոծ գծին: | |
| 1.20. | Նշում է մոտեցումը 1.13 գծանշման ընդլայնական գծին։ | |
| 1.21. | Նշում է մոտեցումը 1.12 գծանշման ընդլայնական գծին։ | |
| 1.22. | Նշում են ճանապարհի համարները։ | |
| 1.23. | Նշում է երթևեկելի մասի գոտին, որը նախատեսված է բացառապես երթուղային տրանսպորտային միջոցների (ավտոբուս, տրոլեյբուս և այլն) երթևեկության համար: | |
| 1.24.1. | Կրկնում է նախազգուշացնող ճանապարհային նշանները: | |
| 1.24.2. | Կրկնում է արգելող ճանապարհային նշանները: | |
| 1.24.3. | Կրկնում է «Հաշմանդամներ» ճանապարհային նշանը: | |
| 1.25. | Նշում է արհեստական անհարթությունները։ |
2. ՈՒՂՂԱՁԻԳ ԳԾԱՆՇՈՒՄ
|
Գծանշման համարը |
Ձևը, գույնը, չափերը, մ |
Նշանակությունը |
| 2.1.1 - 2.1.3. |
H < 2,00, B ≤ 0,30, a = 0,10H < 2,00, B > 0,30, a = 0,15 H ≥ 2,00, B > 0,30, a = 0,20 |
Նշում է ճանապարհային կառույցների (կամուրջների, ուղեկամուրջների հենարանները, եզրապատերի ճակատային մասերը և այլն)` 2.1.1` երթևեկելի մասի ձախ կողմում 2.1.2` երթևեկելի մասի վրա 2.1.3` երթևեկության տվյալ ուղղությամբ երթևեկելի մասի ձախ կողմում |
| 2.2. | Նշում է ուղեկամուրջների, կամուրջների, թունելների թռիչքային մասերի ներքին եզրը: | |
| 2.3. |
B = 0,30, d = 0,10 |
Նշում է անվտանգության կղզյակների վրա կլոր կարճասյուները: |
| 2.4. | Նշում է ազդանշանային սյունիկները, ուղեցցերը, ճանապարհային ճոպանե ցանկապատների հենարանները և այլն: | |
| 2.5. | Նշում է վտանգավոր տեղամասերում ճանապարհների կողային ցանկապատների մակերևույթները: | |
| 2.6. | Նշում է ճանապարհների ցանկապատների կողային մակերևույթները: | |
| 2.7. |
l1 = 0,20 - 1,00, l2 = 0,40 - 2,00 l1 : l2 = 1:2 |
Նշում է վտանգավոր տեղամասերում եզրաքարերը և անվտանգության կղզյակների բարձրացված կողային մակերևույթները: |
|
Հայաստանի Հանրապետության կառավարության աշխատակազմի ղեկավար-նախարար |
Մ. Թոփուզյան |
|
Հավելված N 3 ՀՀ կառավարության 2008 թվականիհունվարի 10-ի N 113-Ն որոշման |
ՃԱՆԱՊԱՐՀԱՅԻՆ ՑԱՆԿԱՊԱՏՆԵՐԻՆ ՆԵՐԿԱՅԱՑՎՈՂ ՊԱՀԱՆՋՆԵՐԸ, ԴՐԱՆՑ ԿԻՐԱՌՄԱՆ ԵՎ ՏԵՂԱԿԱՅՄԱՆ ԿԱՆՈՆՆԵՐԸ
I. ԸՆԴՀԱՆՈՒՐ ԴՐՈՒՅԹՆԵՐ
1. Սույն կանոններով սահմանվում են Հայաստանի Հանրապետության ավտոմոբիլային ճանապարհներին, բնակավայրերի փողոցներում (այսուհետ` ճանապարհներ) տեղակայվող ճանապարհային ցանկապատներին ներկայացվող տեխնիկական, շահագործման պահանջները, դրանց կիրառման և տեղակայման կանոնները (այսուհետ` կանոններ):
2. Սույն կանոնների պահանջների կատարումը պարտադիր է Հայաստանի Հանրապետության ճանապարհներին ճանապարհային երթևեկության կազմակերպման մասով նախագծերի մշակման, ճանապարհային ցանկապատների տեղակայման և շահագործման աշխատանքների ժամանակ:
3. Սույն կանոնների գործողությունը տարածվում է Հայաստանի Հանրապետության ընդհանուր օգտագործման պետական և ոչ պետական ճանապարհների վրա:
4. Սույն կանոններում օգտագործվել են հետևյալ հասկացություններն ու տերմինները`
1) շեպեր` երթևեկելի մասն ու կողնակները տեղանքից անջատող թեք հարթություններ.
2) հողային պաստառ` ունի «Ավտոմոբիլային ճանապարհների մասին» Հայաստանի Հանրապետության օրենքում նշված նշանակությունը.
3) լիցք` երկրի մակերևույթից բարձր լցրած գրունտի վրայով անցնող ճանապարհի տեղամաս.
4) հանույթ` երկրի մակերևույթից ցածր կտրած գրունտի վրայով անցնող ճանապարհի տեղամաս.
5) պարապետ` ոչ բարձր կողապատ, որը որպես ճանապարհային ցանկապատ կիրառվում է գետափերին, կամուրջների վրա, լեռնային տեղանքի ճանապարհներին.
6) ցանկապատի դինամիկ ճկվածք (այսուհետ` ճկվածք)` ճանապարհային ցանկապատի վրա ավտոմոբիլի վրաերթի դեպքում ընդլայնական ուղղությամբ ցանկապատի հեծանի երկայնական առանցքի առավելագույն հորիզոնական տեղաշարժը չձևափոխված ցանկապատի առանցքի համեմատությամբ (նկար 1ա).
7) աշխատանքային լայնություն` ավտոմոբիլի թափքի, դրանում գտնվող բեռի կամ ճանապարհային ցանկապատի հատվածի առավելագույն դինամիկ կողային տեղաշարժը (ցանկապատի տեղակայման տեղից կախված) ցանկապատի չձևափոխված հեծանի դիմային մակերևույթի համեմատությամբ (նկար 1բ):
5. Աշխատանքային լայնություն են համարվում բաժանիչ գոտու վրա ուղեկամուրջների հենասյուների, տեղեկատվական ճանապարհային նշանների բարձակային կամ շրջանակավոր հենակների, էլեկտրահաղորդման և կապի գծերի հենասյուների, լուսավորության և վերգետնյա խողովակաշարային հաղորդակցության հենասյուների և այլնի մոտ (այսուհետ` զանգվածային խոչընդոտներ), ինչպես նաև քաղաքային ճանապարհների և փողոցների երթևեկելի մասը և մայթը բաժանող հատվածում եզրաքարի կամ գազոնի մոտ գտնվող հատվածները: Այլ դեպքերում հաշվի է առնվում ճկվածքը:
6. Ճանապարհային ցանկապատը (այսուհետ` ցանկապատ) ճանապարհային երթևեկության կազմակերպման տեխնիկական միջոց է, ճանապարհային պաշտպանիչ, պահող սարքվածք, որը կանոնակարգում է հետիոտների երթևեկությունը և կանխարգելում է`
1) կողնակից և կամրջային կառուցվածքից (կամուրջ, ուղեկամուրջ, էստակադ և այլն) տրանսպորտային միջոցի ընկնելը.
2) բաժանիչ գոտով անցումը.
3) ճանապարհի կողնակում և օտարման շերտում հանդիպակաց տրանսպորտային միջոցի հետ բախումը.
4) բաժանիչ գոտում գտնվող (ավտոմոբիլների համար ցանկապատը պահող) զանգվածային խոչընդոտների և կառուցվածքների վրաերթը.
5) կամրջային կառուցվածքներից կամ լիցքերի վրայից (հետիոտների համար ցանկապատը պահող) հետիոտների ընկնելը (օրինակ` արգելափակոցի, պարապետի տեսակի).
6) դեպի երթևեկելի մաս կենդանիների մուտքը (օրինակ` պարապետներ, բազրիքներ, ցանցաձև պաշտպանիչներ):
|
Մինչև վրաերթը |
Մինչև վրաերթը |
|
ա |
բ |
Նկար 1. Ցանկապատի դինամիկ ճկվածքը
1` երթևեկելի մաս, 2` ամրացվող գոտի, 3` չձևափոխված ցանկապատ, 4` ձևափոխված ցանկապատ, 5` տրանսպորտային միջոց
7. Բացի սույն կանոններով նախատեսված դեպքերից` ցանկապատը թույլատրվում է կիրառել, եթե դրանց կիրառումը հիմնավորված է երթևեկության տվյալ պայմանների համար:
8. Ընդհանուր օգտագործման պետական և համայնքային սեփականություն հանդիսացող ճանապարհներին և դրանց առանձին տեղամասերում ցանկապատները կիրառվում են «Ավտոմոբիլային ճանապարհների մասին» Հայաստանի Հանրապետության օրենքի 4-րդ հոդվածով նախատեսված պետական կառավարման մարմնի համաձայնությամբ և տեղակայում են «Գնումների մասին» Հայաստանի Հանրապետության օրենքի համաձայն ընտրված կապալառու կազմակերպությունների կողմից` համաձայնեցնելով Հայաստանի Հանրապետության կառավարությանն առընթեր Հայաստանի Հանրապետության ոստիկանության «Ճանապարհային ոստիկանություն» ծառայության հետ:
II. ՑԱՆԿԱՊԱՏՆԵՐԻՆ, ԴՐԱՆՑ ՇԱՀԱԳՈՐԾՄԱՆՆ ՈՒ ԿԻՐԱՌՄԱՆԸ ՆԵՐԿԱՅԱՑՎՈՂ ՊԱՀԱՆՋՆԵՐԸ
9. Ցանկապատներին ներկայացվող տեխնիկական պայմանները և կիրառման պահանջները պետք է համապատասխանեն սույն կանոնների պահանջներին:
10. Երթևեկության համար վտանգավոր, այդ թվում` կամուրջներով և ուղեկամուրջներով անցնող ճանապարհների տեղամասերը պետք է կահավորված լինեն ցանկապատներով` ՀՀ ՇՆ IV-11.05.02-99 «Ավտոմոբիլային ճանապարհներ» շինարարական նորմերի պահանջներին համապատասխան:
11. Ցանկապատների վնասված տարրերը պետք է վերականգնվեն կամ փոխարինվեն թերությունը նկատելուց հետո 5 օրվա ընթացքում:
12. Չի թույլատրվում երկաթբետոնյա հենակներ և հեծաններ ունեցող այնպիսի ցանկապատների շահագործումը, որոնց վրա ցանցերը բացված են ճաքերով, մինչև ամրանները բետոնի կոտրվածքներով են, իսկ մետաղական հենակներն ու հեծաններն ունեն մեխանիկական վնասվածքներ կամ ընդլայնական հատույթի նվազ կտրվածք:
13. Առանձին եզրաքարերը ենթակա են փոխանակման, եթե դրանց բաց մակերևույթն ունի 20 %-ից ավելի մակերեսով քանդվածք կամ մակերևույթի վրա կան 3,0 սմ-ից ավելի խորությամբ կոտրվածքներ:
14. Չի թույլատրվում եզրաքարի շեղումը նախագծով նախատեսված դիրքից:
III. ՑԱՆԿԱՊԱՏՆԵՐԻ ԿԻՐԱՌՄԱՆ ԵՎ ՏԵՂԱԿԱՅՄԱՆ ԿԱՆՈՆՆԵՐԸ
15. Ցանկապատները կիրառվում և տեղակայվում են կազմված նախագծերի հիման վրա` սույն կանոնների և ՀՀ ՇՆ IV-11.05.02-99 «Ավտոմոբիլային ճանապարհներ» շինարարական նորմերի պահանջներին համապատասխան:
16. Ճանապարհը ցանկապատով պետք է կահավորել հողային պաստառի շեպերն ու կողնակները հարթեցնելուց և ամրացնելուց հետո:
17. Ժամանակավոր բնույթ կրող պատճառներով (ճանապարհային նորոգման աշխատանքներ, ճանապարհային պայմանների եղանակային հանգամանքներ, արտակարգ իրավիճակներ և այլն) կիրառվող ցանկապատները` նշված պատճառները վերացնելուց հետո պետք է ապամոնտաժվեն:
18. Ճանապարհներին և կամրջային կառուցվածքների վրա ցանկապատները կիրառվում են սույն կանոններին համապատասխան:
19. Պահող ցանկապատները տեղակայվում են`
1) ճանապարհների կողնակներին.
2) գազոնի վրա, մայթի և հողային պաստառի եզրի միջև, քաղաքի ճանապարհի կամ փողոցի մայթի վրա.
3) կամրջային կառուցվածքի երթևեկելի մասի երկու կողմերում.
4) ավտոմոբիլային ճանապարհների, քաղաքային ճանապարհների կամ փողոցների և կամրջային կառուցվածքի բաժանիչ գոտու վրա:
20. Ցանկապատը պետք է համապատասխանի պահող ընդունակության մակարդակի պահանջներին (աղյուսակ 1), ճկվածքին, աշխատանքային լայնությանը և նվազագույն բարձրությանը:
Աղյուսակ 1. Պահող ընդունակության մակարդակները
| Պահող ընդունակության մակարդակը | Մ1 | Մ2 | Մ3 | Մ4 | Մ5 | Մ6 | Մ7 | Մ8 | Մ9 | Մ10 |
| Մակարդակի նշանակությունը, կՋ, ոչ պակաս | 130 | 190 | 250 | 300 | 350 | 400 | 450 | 500 | 550 | 600 |
21. Ցանկապատների պահող ընդունակության մակարդակներն ընտրվում են ճանապարհային պայմանների բարդության աստիճանին համապատասխան` սույն կանոնների 22, 23 և 24-րդ կետերի համաձայն:
22. Ավտոմոբիլային ճանապարհներին սահմանված ցանկապատների պահող ընդունակության նվազագույն մակարդակները որոշվում են համաձայն աղյուսակ 2-ի:
Աղյուսակ 2. Ավտոմոբիլային ճանապարհներին ցանկապատների պահող ընդունակության մակարդակները
|
Ավտոմոբիլային |
Ճանա- |
Ճանա- |
Ավտոմոբիլային ճանապարհի կարգը և երկու ուղղություններով երթևեկության գոտիների քանակը | |||||
|
I |
II |
III |
IV |
V | ||||
|
6 |
4 գոտի |
2-3 |
2 գոտի |
մեկ | ||||
|
պահող ընդունակության մակարդակները | ||||||||
|
Ուղղագիծ և 600 մ-ից ավելի շառավղով հատակագծում կորերով ճանապարհների տեղամասերի կողնակներ |
Մինչև 40 |
Ա |
Մ5 |
Մ4 |
Մ3 |
Մ2 | ||
|
Բ |
Մ4 |
Մ3 |
Մ2 |
Մ1 | ||||
|
Վայրէջքի վրա 600 մ-ից պակաս |
40 և ավելի |
Ա |
Մ6 |
Մ5 |
Մ4 |
Մ3 |
Մ2 | |
|
Բ |
Մ5 |
Մ4 |
Մ3 |
Մ2 |
Մ1 | |||
|
Մինչև 40 |
Ա |
Մ6 |
Մ5 |
Մ4 |
Մ3 |
Մ2 | ||
|
Բ |
Մ5 |
Մ4 |
Մ3 |
Մ2 |
Մ1 | |||
|
40 և ավելի |
Ա |
Մ7 |
Մ6 |
Մ5 |
Մ4 |
Մ3 | ||
|
Բ |
Մ6 |
Մ5 |
Մ4 |
Մ3 |
Մ2 | |||
|
Երկայնական պրոֆիլում գոգավոր |
- |
Ա |
Մ6 |
Մ5 |
Մ4 |
Մ3 |
Մ2 | |
|
Բ |
Մ5 |
Մ4 |
Մ3 |
Մ2 |
Մ1 | |||
|
Բաժանիչ գոտի |
- |
Ա |
Մ6 |
Մ5 |
- | |||
23. Ա խմբին վերաբերում են ավտոմոբիլային ճանապարհների հետևյալ տեղամասերը`
1) 5 մ-ից ավելի բարձրությամբ լիցքի վրա.
2) 1:4-ից ավելի թեք տեղանքի լանջի վրա տեղակայված.
3) երթևեկելի մասի եզրից 15 մ-ից պակաս հեռավորության վրա դասավորված երկաթուղային գծերի, ճահիճների, ջրահոսքերի կամ 1 մ-ից խորը ջրափոսերի, հեղեղատների և լեռնային կիրճերի երկարությամբ.
4) 1:10-ից ավելի թեք միակողմանի ընդլայնական թեքությամբ և 6 մ ու պակաս լայնությամբ բաժանիչ գոտով.
5) որոնց վրա զանգվածային խոչընդոտները գտնվում են բաժանիչ գոտում կամ երթևեկելի մասի եզրից 4 մ և պակաս հեռավորության վրա:
24. Բ խմբին վերաբերում են ավտոմոբիլային ճանապարհների հետևյալ տեղամասերը`
1) առանց զանգվածային խոչընդոտների 6 մ-ից ոչ ավելի լայնությամբ բաժանիչ գոտով.
2) երթևեկելի մասի եզրից 15-25 մ հեռավորության վրա դասավորված երկաթուղային գծերի, ճահիճների, ջրահոսքերի կամ 1 մ-ից խորը ջրափոսերի, հեղեղատների և լեռնային կիրճերի երկարությամբ.
3) կամրջային կառուցվածքների մատույցներում` աղյուսակ 3-ում նշվածից պակաս լիցքի բարձրության դեպքում IV և V, II և III ու I կարգի ավտոմոբիլային ճանապարհների` համապատասխանաբար 12, 18 և 24 մ երկարության վրա (առանց հաշվի առնելու սկզբի և վերջի տեղամասերը).
4) 1:4-ից ավելի թեք շեպերով լիցքի վրա աղյուսակ 3-ում նշված պայմանների դեպքում:
Աղյուսակ 3. Լիցքերի վրա ավտոմոբիլային ճանապարհների Բ խմբի տեղամասերին վերաբերող պայմանները
|
Ավտոմոբիլային ճանապարհների |
Ճանապարհի երկայնական թեքությունը, %0 |
Լիցքի նվազագույն բարձրությունը, մ, երթևեկության հեռանկարային 1) ինտենսիվության դեպքում, | |
|
1002) |
2000 | ||
|
Ուղղագիծ և 600 մ-ից ավելի շառավղով հատակագծում կորերով |
մինչև 40 |
4,0 |
3,0 |
|
40 և ավելի |
3,5 |
2,5 | |
|
Վայրէջքին և դրանից հետո 100 մ երկարության վրա 600 մ-ից պակաս հատակագծում կորի ներքին կողմով |
մինչև 40 | ||
|
Երկայնական պրոֆիլի գոգավոր կորի վրա, որը լծորդված է 50 %0 -ից ոչ պակաս հանդիպակաց թեքությունների հանրահաշվական տարբերության բացարձակ նշանակության տեղամասին |
- | ||
|
Վայրէջքին և դրանից հետո 100 մ երկարության վրա 600 մ-ից պակաս հատակագծում կորի ներքին կողմով |
40 և ավելի |
3,0 |
2,0 |
|
1) եռամյա կամ հնգամյա ժամանակաշրջան | |||
25. Ավտոմոբիլային ճանապարհների կամրջային կառուցվածքների վրա տեղակայվող ցանկապատների պահող ընդունակության նվազագույն մակարդակները որոշվում են աղյուսակ 4-ին համապատասխան։
Աղյուսակ 4. Ավտոմոբիլային ճանապարհների կամրջային կառուցվածքների վրա ցանկապատների պահող ընդունակության մակարդակները
|
Ավտոմոբիլային ճանապարհի կարգը |
Ավտոմոբիլային ճանապարհների կամրջային կառուցվածքները | |||||
|
մայթերով կամ ծառայողական անցումներով |
առանց մայթերի կամ ծառայողական | |||||
|
ճանապարհային պայմանների խումբը | ||||||
|
Գ |
Դ |
Ե |
Գ |
Դ |
Ե | |
|
պահող ընդունակության մակարդակը | ||||||
| I (6 և ավելի) | Մ8 | Մ6 | Մ5 | Մ9 | Մ7 | Մ6 |
| I (4) - II (4) | Մ7 | Մ5 | Մ4 | Մ8 | Մ6 | Մ5 |
| II (2) | Մ5 | Մ4 | Մ3 | Մ6 | Մ5 | Մ4 |
| III (2) | Մ4 | Մ3 | Մ2 | Մ5 | Մ4 | Մ3 |
| IV (2), V (1) | Մ3 | Մ2 | Մ1 | Մ4 | Մ3 | Մ2 |
|
Եթե 30 տ-ից ոչ պակաս առավելագույն զանգված ունեցող ավտոմոբիլների երթևեկության ինտենսիվությունը 1000 ավտ./օր-ից ավելի է, ապա Մ7-Մ9 մակարդակների փոխարեն ընդունվում են համապատասխանաբար Մ8-Մ10 մակարդակները: | ||||||
26. Ավտոմոբիլային ճանապարհների կամրջային կառուցվածքների վրա ճանապարհային պայմանները Գ, Դ, Ե խմբերին վերաբերում են աղյուսակ 5-ի համաձայն:
27. Քաղաքի ճանապարհներին, փողոցներում և դրանցում կամրջային կառուցվածքների վրա տեղակայված ցանկապատների պահող ընդունակության նվազագույն մակարդակները որոշվում են աղյուսակ 6-ի համաձայն:
28. Զ խմբին վերաբերում են քաղաքի ճանապարհների և փողոցների հետևյալ տեղամասերը`
1) 50 %0 -ից ոչ պակաս երկայնական թեքությամբ.
2) 4 մ-ից ոչ ավելի լայնությամբ կենտրոնական բաժանիչ գոտում զանգվածային խոչընդոտներով.
3) 5 մ-ից ոչ պակաս բարձրությամբ լիցքի վրա` եզրաքարի և հողային պաստառի եզերքի միջև 10 մ-ից ոչ ավելի հեռավորության դեպքում.
4) եզրաքարերից 10 մ-ից ոչ ավելի հեռավորության վրա գտնվող` 1 մ-ից ավելի խորությամբ ջրահոսքերի կամ ջրափոսերի մոտ.
5) ջրափին.
6) երթևեկելի մասի եզրից 4 մ-ից ոչ ավելի հեռավորությամբ հենապատերով:
Աղյուսակ 5. Ավտոմոբիլային ճանապարհների կամրջային կառուցվածքների համար ճանապարհային պայմանների խմբերը
|
Ավտոմոբիլային ճանապարհի կարգը |
Ճանապարհային պայմանների խումբը | |||||
|
Գ |
Դ |
Ե | ||||
|
R, մ, պակաս |
i, %0 , ավելի |
R, մ |
i, %0 |
R, մ, ավելի |
i, %0 , պակաս | |
| I (6 և ավելի) | 1500 | 30 | 1500-3000 | 20-30 | 3000 | 20 |
| I (4) - II (4) | 1000 | 1000-2500 | 2500 | |||
| II (2) | 800 | 40 | 800-2000 | 30-40 | 2000 | 30 |
| III (2) | 600 | 50 | 600-1500 | 40-50 | 1500 | 40 |
| IV (2), V (1) | 500 | 60 | 500-1000 | 50-60 | 1000 | 50 |
|
1. Կամրջային կառուցվածքների վրա և դրանց հարող մատույցների 100 մ երկարությամբ տեղամասերում ընտրվում են հատակագծում կորի R շառավղի նվազագույն մեծությունը և i երկայնական թեքության առավելագույն մեծությունը:2. Եթե շառավղի և թեքության մեծությունները գտնվում են տարբեր խմբերում, ապա ընտրվում է երթևեկության առավել բարդ պայմաններով խումբը: | ||||||
29. Է խմբին վերաբերում են քաղաքի ճանապարհների և փողոցների հետևյալ տեղամասերը`
1) 4 մ-ից ոչ ավելի լայնությամբ` առանց զանգվածային խոչընդոտների բաժանիչ գոտում.
Աղյուսակ 6. Քաղաքի ճանապարհներին, փողոցներում ԵՎ դրանցում կամրջային կառուցվածքների վրա ցանկապատների պահող ընդունակության մակարդակները
| Քաղաքի ճանապարհների և փողոցների կարգը | Ճանապարհային պայմանների խումբը |
Ճանապարհները և փողոցները | Կամրջային կառուցվածքները | |
|
մայթերով կամ ծառայողական անցումներով |
առանց մայթերի կամ ծառայողական անցումների | |||
|
պահող ընդունակության մակարդակները | ||||
|
Արագընթաց երթևեկությամբ մայրուղային ճանապարհներ |
Զ |
Մ4 (Մ5) |
Մ6 (Մ5) |
Մ7 (Մ5) |
|
Է |
Մ3 (Մ4) |
Մ4 (Մ4) |
Մ5 (Մ4) | |
|
Կարգավորվող եթևեկությամբ մայրուղային ճանապարհներ |
Զ |
Մ3 |
Մ4 |
Մ5 |
|
Է |
Մ2 |
Մ3 |
Մ4 | |
|
Տարածքային նշանակության մայրուղային փողոցներ |
Զ |
Մ2 |
Մ3 |
Մ4 |
|
Է |
Մ1 |
Մ2 |
Մ3 | |
|
Տեղական նշանակության փողոցներ և ճանապարհներ |
Զ |
Մ1 |
Մ2 |
Մ3 |
|
Է |
Մ1 |
Մ2 | ||
|
Փակագծերի նշանակությունները վերաբերում են բաժանիչ գոտիներում տեղակայված ցանկապատներին։ | ||||
2) 2-5 մ բարձրությամբ լիցքի վրա` եզրաքարի և հողային պաստառի եզերքի միջև 10 մ-ից ոչ ավելի հեռավորության դեպքում.
3) 4 մ-ից ոչ ավելի լայնությամբ կողային բաժանիչ գոտիներով` երկկողմանի երթևեկությամբ կողային անցումներում:
30. Քաղաքներում կամրջային կառուցվածքների վրա ճանապարհային պայմանները Զ խմբին վերաբերում են հետևյալ դեպքերում`
1) կամրջային կառուցվածքը հատում է 100 գնացք/օր-ից ավելի երթևեկության ինտենսիվությամբ երկաթուղային գծեր, մետրոյի բաց գծեր կամ տրամվայի գծեր.
2) մայրուղային ճանապարհի կամ փողոցի վրա գտնվող կամրջային կառուցվածքի վրա (տրամվայի գծերը գտնվում են մեկուսացված պաստառի վրա).
3) կամրջային կառուցվածքի երթևեկելի մասը գտնվում է երկաթուղային գծերի կամ մետրոյի գծերի հետ նույն մակարդակի վրա.
4) քաղաքային նշանակության մայրուղային ճանապարհի կամ փողոցի կամրջային կառուցվածքի վրա երթևեկելի մասի կամ դրանից առաջ 100 մ երկարությամբ տեղամասի վրա առկա է 40-50 %0 երկայնական թեքություն` 100 մ-ից ավելի երկարությամբ կառուցվածքի դեպքում, և 50 %0 -ից ավելի` կառուցվածքի 100 մ-ից ոչ ավելի երկարության դեպքում.
5) կամրջային կառուցվածքի երթևեկելի մասը գտնվում է 1 մ-ից ավելի խորությամբ ջրահոսքի կամ ջրափոսի մակերևույթից 5 մ-ից ոչ ավելի հեռավորության վրա.
6) եթե կամրջային կառուցվածքի երկարությունն ավելի է 250 մ-ից.
7) տարբեր մակարդակներում երրորդ և բարձր մակարդակների էստակադների հատումներ:
31. Քաղաքներում կամրջային կառուցվածքների վրա ճանապարհային պայմանները մյուս բոլոր դեպքերում վերաբերում են Է խմբին:
32. Ավտոմոբիլային ճանապարհների, քաղաքի ճանապարհների և փողոցների տարբեր մակարդակներում փոխհատումների իջատեղերի և հարումների վրա տեղակայված ցանկապատների պահող ընդունակության նվազագույն մակարդակներն ընդունվում են հավասար`
1) Մ3` մեկ երթևեկության գոտով աջ շրջադարձով իջատեղերի վրա տեղակայվող ցանկապատների համար.
2) Մ4` երկու երթևեկության գոտով աջ և ձախ շրջադարձով իջատեղերի վրա տեղակայվող ցանկապատների համար.
3) Մ5` իջատեղերի կամրջային կառուցվածքների վրա տեղակայվող ցանկապատների համար:
33. Կողնակի վրա տեղակայվող արգելափակոցային ցանկապատի ճկվածքը չպետք է գերազանցի չձևափոխված ցանկապատի հեծանի երկայնական առանցքից մինչև հողային պաստառի եզերքը եղած հեռավորությունը` ավելացված 0,25 մ:
34. Աշխատանքային լայնությունը չպետք է գերազանցի ցանկապատի հեծանի դիմային մակերևույթից մինչև զանգվածային խոչընդոտն ընկած հեռավորությունը, որը գտնվում է կողնակի վրա կամ դրանից դուրս` երթևեկելի մասի եզրից 4 մ-ից պակաս հեռավորության վրա:
35. Ճանապարհի կողնակի վրա արգելափակոցային ցանկապատը տեղակայվում է հողային պաստառի եզերքից մինչև արգելափակոցային ցանկապատի հենակը 0,50-0,85 մ հեռավորության վրա, իսկ պարապետային ցանկապատը տեղակայվում է հողային պաստառի եզրից մինչև պարապետային ցանկապատի մոտակա եզրը 0,50 մ և երթևեկելի մասի եզրից մինչև ցանկապատի հեծանի դիմային մակերևույթը կամ մինչև պարապետային ցանկապատի մոտակա եզրը 1,0 մ-ից ոչ պակաս հեռավորության վրա:
36. Կողնակի կամ լիցքի շեպի վրա զանգվածային խոչընդոտի առկայության դեպքում պարապետային ցանկապատը տեղակայվում է դրանից 0,30-0,50 մ հեռավորության վրա:
37. Ավտոմոբիլային ճանապարհների բաժանիչ գոտում, քաղաքի ճանապարհների և փողոցների, ինչպես նաև կամրջային կառուցվածքների վրա տեղակայման ենթակա արգելափակոցային ցանկապատների աշխատանքային լայնությունը չպետք է գերազանցի`
1) 3 մ-ից պակաս լայնությամբ բաժանիչ գոտու (դրանում զանգվածային խոչընդոտի բացակայության դեպքում) կենտրոնում ցանկապատը տեղակայելու դեպքում` ցանկապատի հեծանի դիմային մակերևույթից մինչև երթևեկելի մասի եզրն ընկած հեռավորությունը.
2) բաժանիչ գոտու (դրանում զանգվածային խոչընդոտի առկայությամբ) կողերին արգելափակոցային ցանկապատը տեղակայելու դեպքում` ցանկապատի հեծանի դիմային մակերևույթից մինչև զանգվածային խոչընդոտն ընկած հեռավորությունը:
38. Ավտոմոբիլային ճանապարհի բաժանիչ գոտու վրա արգելափակոցային կամ պարապետային ցանկապատները տեղակայվում են երթևեկելի մասի եզրից 1,0 մ-ից ոչ պակաս հեռավորության վրա:
39. Քաղաքի ճանապարհի և փողոցի կողմերում ցանկապատները տեղակայվում են գազոնում ճանապարհի երթևեկելի մասի և մայթի միջև, իսկ եթե ցանկապատը հնարավոր չէ տեղակայել գազոնում կամ այն բացակայում է` հողային պաստառի եզերքի և մայթի արտաքին եզրի միջև, եթե նման հնարավորությունը նույնպես բացակայում է, ապա երթևեկելի մասին հարող մայթի վրա:
40. Հողային պաստառի եզերքի և մայթի արտաքին եզրի միջև տեղակայվող արգելափակոցային ցանկապատի ճկվածքը չպետք է գերազանցի չձևափոխված ցանկապատի հեծանի երկայնական առանցքի և հողային պաստառի եզերքի միջև եղած հեռավորությունը` ավելացված 0,25 մ-ով:
41. Ցանկապատը տեղակայվում է հողային պաստառի եզերքից մինչև ցանկապատի հենակը 0,5 մ-ից ոչ պակաս և ցանկապատի հեծանի երկայնական առանցքից մինչև մայթը 0,1 մ-ից ոչ պակաս հեռավորության վրա, եթե մայթի արտաքին եզրից մինչև եզերքն ընկած հեռավորությունը կազմում է 1,0 մ-ից ոչ պակաս:
42. Գազոնում տեղակայվող արգելափակոցային ցանկապատի աշխատանքային լայնությունը չպետք է գերազանցի ցանկապատի հեծանի դիմային մակերևույթից մինչև զանգվածային խոչընդոտն ընկած հեռավորությունը, իսկ գազոնի բացակայության դեպքում` մինչև մայթի մոտակա եզրը, բայց ոչ ավելի 3 մ:
43. Գազոնի վրա արգելափակոցային ցանկապատը տեղակայվում է եզրաքարից մինչև ցանկապատի հեծանի դիմային մակերևույթը` 0,05-0,10 մ հեռավորության վրա:
44. Մայթի վրա տեղակայվող արգելափակոցային ցանկապատի աշխատանքային լայնությունը չպետք է գերազանցի 1,5 մ-ը` 3,0 մ-ից ոչ պակաս մայթի լայնության դեպքում: 3,0 մ-ից պակաս լայնություն ունեցող մայթն անհրաժեշտ է լայնացնել մինչև 3,0 մ: Եթե մայթը լայնացնել հնարավոր չէ, ապա աշխատանքային լայնությունը չպետք է գերազանցի ցանկապատի հեծանի դիմային մակերևույթից մինչև մայթի առանցքն ընկած հեռավորությունը:
45. Մայթի վրա արգելափակոցային ցանկապատը տեղակայվում է եզրաքարից մինչև ցանկապատի հեծանի դիմային մակերևույթը` 0,05-0,10 մ հեռավորության վրա:
46. Առանց մայթերի կամ ծառայողական անցումների կամրջային կառուցվածքների վրա արգելափակոցային ցանկապատի ճկվածքը չպետք է գերազանցի 1,0 մ-ը:
47. Արգելափակոցային ցանկապատը տեղակայվում է բետոնե սալի եզրից մինչև ցանկապատի հենակը` 0,4 մ-ից ոչ պակաս հեռավորության վրա:
48. Մայթերով կամ ծառայողական անցումներով կամրջային կառուցվածքների վրա արգելափակոցային ցանկապատի ճկվածքը որոշվում է աղյուսակ 7-ի համաձայն:
49. Արգելափակոցային ցանկապատները տեղակայվում են անվտանգության գոտու արտաքին սահմանին:
Աղյուսակ 7. Կամրջային կառուցվածքների վրա ցանկապատի ճկվածքը
|
Կամրջային կառուցվածքի գտնվելու վայրը |
Ծառայողական անցումը |
Մայթի լայնությունը (մետր) | ||
|
1,00 |
1,50 |
2,25 և ավելի | ||
|
ցանկապատի ճկվածքը | ||||
|
Ավտոմոբիլային ճանապարհ |
0,75 |
0,75 |
1,25 |
1,50 |
|
Քաղաքի ճանապարհ կամ փողոց |
- |
1,00 |
1,25 | |
50. Ցանկապատի բարձրությունը չպետք է պակաս լինի աղյուսակ 8-ի տվյալներից:
51. Կողնակի վրա տեղակայվող արգելափակոցային և պարապետային ցանկապատների սկզբնական և վերջնական տեղամասերը դասավորվում են հողային պաստառի եզերքի նկատմամբ 1:20 շեղությամբ: Ըստ որում, սկզբնական և վերջնական տեղամասերի արգելափակոցային ցանկապատների հեծանները և պարապետային ցանկապատների վերին հարթություններն իջեցվում են մինչև ճանապարհի մակերևույթը (նկար 2 ա, բ):
Աղյուսակ 8. Ցանկապատի նվազագույն բարձրությունը
|
Ցանկապատի տեղակայման տեղը |
Մայթերի և ծառայողական անցումների առկայությունը և լայնությունը |
Պահող ընդունակության մակարդակը (մետր) | |||||||
|
Մ1 |
Մ2 |
Մ3 |
Մ4 |
Մ5 |
Մ6 |
Մ7 |
Մ8-Մ10 | ||
|
ցանկապատի բարձրությունը | |||||||||
|
Ավտոմոբիլային ճանապարհներ, |
- |
0,75 | 1,10 | - | |||||
|
Ավտոմոբիլային ճանապարհներ, |
առանց մայթերի և ծառայողական անցումների |
1,10 | 1,30 | 1,50 | |||||
|
0,75 լայնությամբ ծառայողական անցումներ |
0,60 | 0,75 | 0,75 | 0,90 | 0,90 | 1,10 | 1,10 | 1,30 | |
|
1,00-ից ավելի լայնությամբ մայթեր |
0,60 | 0,75 | 0,90 | 1,10 | |||||
52. Միակողմանի արգելափակոցային ցանկապատի սկզբնական և վերջնական տեղամասերը թույլատրվում է կատարել 5,0 մ-ից ոչ պակաս երկարությամբ հանգույցի ձև ունեցող հեծանի կորացմամբ, որի դեպքում հողային պաստառի եզերքից մինչև մոտակա հենակն ընկած հեռավորությունը պետք է լինի 0,25 մ-ից ոչ պակաս (նկար 2 գ):
53. Բաժանիչ գոտում տեղակայվող միակողմանի և երկկողմանի արգելափակոցային ցանկապատների սկզբնական և վերջնական տեղամասերում հեծաններն ու պարապետային ցանկապատների վերին հարթությունները մինչև երկրի մակերևույթը իջեցվում են 1:15 թեքությամբ (նկար 2 դ- է): Միակողմանի ցանկապատները մոտեցվում են բաժանիչ գոտու առանցքին (նկար 2 ե, զ):
54. Բաժանիչ գոտու տեխնոլոգիական խզվածքներում, հետադարձի, նույն մակարդակի վրա փոխհատումների և հարումների տեղերում, ոստիկանության պահակետերի մոտ և այլ տեղերում հեծանի կամ պարապետային ցանկապատների վերին հարթությունների մինչև երկրի մակերևույթ իջեցումը թույլատրվում է 1:10 թեքությամբ (նկար 2 դ-է):
55. Ցանկապատների անցումային տեղամասերը դասավորվում են կամրջային` ցանկապատները, ինչպես նաև արգելափակոցային և պարապետային ցանկապատները միացնելու համար:
56. Ցանկապատների անցումային տեղամասի պահող ընդունակության մակարդակը չպետք է պակաս լինի միացնող ցանկապատների համար սահմանված պահող ընդունակության երկու առավել ցածր թույլատրելի մակարդակից և չպետք է ավելի լինի դրանցից առավել բարձր թույլատրելի մակարդակից:
57. Կամրջային կառուցվածքները մատույցների լիցքերի հետ լծորդման տեղերում անցումային բետոնե սալերի վրա տեղակայվում են այնպիսի ցանկապատներ, ինչ որ կամրջային կառուցվածքների վրա:
58. Արգելափակոցային ցանկապատները տեղակայվում են այնպես, որպեսզի կցվանքներում շարժման ուղղությամբ նախորդ հեծանը նստի հաջորդի վրա, իսկ հատակագծում դրա նախագծային դիրքից հեծանի առանցքի շեղումը չգերազանցի կցվող հեծանների երկարության 1:1000-ը:
59. Պարապետային ցանկապատների բլոկներում նախատեսվում են այնպիսի միացումներ, որոնք կխոչընդոտեն բլոկների մեկը մյուսի նկատմամբ տեղաշարժմանը կամ թեքվելուն: Բլոկների մոնտաժման դեպքում դրանց հարաբերական տեղաշարժը հատակագծում և ըստ բարձրության չպետք է գերազանցի 5 մմ-ը:
60. Պարապետային ցանկապատները չպետք է խոչընդոտեն ճանապարհների և կամրջային կառուցվածքների երթևեկելի մասի, կողնակի (անվտանգության գոտու) մակերևույթից ջրի հեռացմանը:
61. Ճանապարհի տեղամասի երկարությամբ միևնույն պահող ընդունակության մակարդակով ցանկապատի կառուցվածքը պետք է միանման լինի:
Նկար 2. 1` արգելափակոցային ցանկապատ. 2` պարապետային ցանկապատ. 3` ցանկապատի հեծանի կորացումը. 4` ցանկապատի հենակը. 5` ցանկապատի շեղվածությունը. 6` սկզբնական և վերջնական տեղամասերում ցանկապատի իջեցումը. 7` հողային պաստառի եզերքը. 8` հիմքը. 9` բաժանիչ գոտու առանցքը. 10` ցանկապատի շարքերի մոտեցումը բաժանիչ գոտու առանցքին. - տրանսպորտային միջոցի շարժման ուղղությունը
62. Լուսանդրադարձիչները պատրաստվում են սույն կանոնների պահանջներին համապատասխան և տեղադրվում են`
1) ալիքաձև պրոֆիլով հեծանով (հեծաններով) արգելափակոցային ցանկապատների վրա` հեծանի ընդլայնական պրոֆիլի միջին մասի փոս տեղում (հեծանների մի քանի շարքերի առկայության դեպքում ներքին հեծանի ընդլայնական պրոֆիլի միջին մասի փոս տեղում).
2) ոչ ալիքաձև պրոֆիլով հեծանով արգելափակոցային ցանկապատների վրա` վերին հեծանի վերին եզրի վրա կամ դրանից վեր հենակի վրա.
3) պարապետային ցանկապատների վերին հարթության վրա:
63. Լուսանդրադարձիչները տեղադրվում են ցանկապատների ամբողջ երկարությամբ 4 մ միջակայքով (այդ թվում` թեքության և իջեցման տեղամասերում):
64. Պահող հետիոտնային ցանկապատները (բազրիքները) կամրջային կառուցվածքների վրա կիրառվում են մայթի արտաքին եզրի մոտ կամ 1 մ-ից ավելի բարձրությամբ լիցքի վրա: Բազրիքի պահող ընդունակությունը պետք է լինի 1,27 կՆ-ից ոչ պակաս:
65. Սահմանափակող հետիոտնային ցանկապատները կիրառվում են`
1) հիմնական երթևեկելի մասի և տեղական անցման միջև 1 մ-ից ոչ պակաս լայնությամբ բաժանիչ գոտիներում բազրիքի տեսակի կամ ցանցի, ստորգետնյա կամ վերգետնյա հետիոտնային անցումներով ընդհանուր օգտագործման տրանսպորտային միջոցների կանգառի տեղի դիմաց, կանգառի հրապարակի ամբողջ երկարությամբ, բաժանիչ գոտում ավտոմոբիլների համար պահող ցանկապատների բացակայության դեպքում` դրա սահմաններից դուրս երկու կողմերում` 20 մ-ից ոչ պակաս երկարության վրա.
2) բազրիքի տեսակի, լուսացուցային կարգավորմամբ հետիոտնային անցումների մոտ ճանապարհի երկու կողմերում, հետիոտնային անցումից յուրաքանչյուր կողմի վրա 50 մ-ից ոչ պակաս երկարությամբ, ինչպես նաև այն տեղամասերում, որտեղ մայթի մեկ գոտում հետիոտնային երթևեկության ինտենսիվությունն ավելի է տրանսպորտային միջոցների թույլատրված կանգառի կամ կայանման դեպքում` 1000 մարդ/ժ, իսկ արգելված կանգառի կամ կայանման դեպքում` 750 մարդ/ժ:
66. Պահող հետիոտնային ցանկապատները (բազրիքները) տեղակայվում են մայթի արտաքին եզրի լիցքի վրա հողային պաստառի եզերքից 0,3 մ-ից ոչ պակաս հեռավորության վրա:
67. Սահմանափակող հետիոտնային ցանկապատները տեղակայվում են`
1) բազրիքի տեսակի կամ ցանցի բաժանիչ գոտում, հիմնական երթևեկելի մասի և տեղական անցման միջև երթևեկելի մասի եզրից 0,3 մ-ից ոչ պակաս հեռավորության վրա.
2) պարապետային տեսակի լուսացուցային կարգավորմամբ հետիոտնային անցումներին կից մայթի արտաքին եզրի մոտ, եզրաքարի դիմային մակերևույթից 0,3 մ-ից ոչ պակաս հեռավորության վրա:
68. Պահող հետիոտնային ցանկապատների (բազրիքների) բարձրությունը պետք է լինի 1.1 մ-ից ոչ պակաս: Բազրիքի տեսակի սահմանափակող ցանկապատների բարձրությունը պետք է լինի 0,8-1,0 մ, ցանցերինը` 1,2-1,5 մ: Բազրիքի տեսակի 1,0 մ բարձրությամբ ցանկապատները պետք է ունենան տարբեր բարձրության վրա գտնվող երկու վերադրակ:
69. Ցանցի կամ վանդակապատի տեսքով ցանկապատները տեղակայվում են արգելոցների կամ արոտավայրերի տարածքով անցնող դեպի I և II կարգի ճանապարհների երթևեկելի մաս կենդանիների դուրս գալը կանխելու համար:
70. Ցանկապատները տեղակայվում են օտարման շերտի սահմանով ճանապարհի երկու կողմերում` բացառությամբ ավտոմոբիլային ճանապարհների և երկաթուղիների, ինչպես նաև ջրային արգելքների (գետերի, առուների և այլնի) հետ փոխհատման տեղերի:
|
Հայաստանի Հանրապետության կառավարության աշխատակազմի ղեկավար-նախարար |
Մ. Թոփուզյան |
|
Հավելված N 4 ՀՀ կառավարության 2008 թվականիհունվարի 10-ի N 113-Ն որոշման |
ՈՒՂՂՈՐԴ ՍԱՐՔՎԱԾՔՆԵՐԻՆ ՆԵՐԿԱՅԱՑՎՈՂ ՊԱՀԱՆՋՆԵՐԸ, ԴՐԱՆՑ ԿԻՐԱՌՄԱՆ ԵՎ ՏԵՂԱԿԱՅՄԱՆ ԿԱՆՈՆՆԵՐԸ
I. ԸՆԴՀԱՆՈՒՐ ԴՐՈՒՅԹՆԵՐ
1. Սույն կանոններով սահմանվում են Հայաստանի Հանրապետության ավտոմոբիլային ճանապարհներին, բնակավայրերի փողոցներում (այսուհետ` ճանապարհներ) տեղակայվող` ուղղորդ սարքվածքներին ներկայացվող տեխնիկական պահանջները, դրանց կիրառման ու տեղակայման կանոնները (այսուհետ՝ կանոններ):
2. Սույն կանոնների պահանջների կատարումը պարտադիր է Հայաստանի Հանրապետության ճանապարհներին` ճանապարհային երթևեկության կազմակերպման մասով նախագծերի մշակման, ուղղորդ սարքվածքների տեղակայման և շահագործման աշխատանքների ժամանակ:
3. Սույն կանոնների գործողությունը տարածվում է Հայաստանի Հանրապետության ընդհանուր օգտագործման պետական և ոչ պետական ավտոմոբիլային ճանապարհների վրա:
4. Ուղղորդ սարքվածքը ճանապարհային երթևեկության կազմակերպման տեխնիկական միջոց է՝ ճանապարհային ազդանշանային սյունիկ, կարճասյուն, ուղղորդ կղզյակ, անվտանգության կղզյակ, որոնք նախատեսված են տեսողական կողմնորոշման համար:
5. Բացի սույն կանոններով նախատեսված դեպքերից` թույլատրվում է կիրառել ուղղորդ սարքվածքը, եթե դրա կիրառումը հիմնավորված է երթևեկության տվյալ պայմանների համար:
6. Ընդհանուր օգտագործման պետական և համայնքային սեփականություն հանդիսացող ճանապարհներին և դրանց առանձին տեղամասերում ուղղորդ սարքվածքները կիրառվում են «Ավտոմոբիլային ճանապարհների մասին» Հայաստանի Հանրապետության օրենքի 4-րդ հոդվածով նախատեսված պետական կառավարման մարմնի համաձայնությամբ և տեղակայվում են «Գնումների մասին» Հայաստանի Հանրապետության օրենքի համաձայն ընտրված կապալառու կազմակերպությունների կողմից՝ համաձայնեցնելով Հայաստանի Հանրապետության կառավարությանն առընթեր Հայաստանի Հանրապետության ոստիկանության «Ճանապարհային ոստիկանություն» ծառայության հետ:
II. ՈՒՂՂՈՐԴ ՍԱՐՔՎԱԾՔՆԵՐԻՆ, ԴՐԱՆՑ ԿԻՐԱՌՄԱՆԸ ՆԵՐԿԱՅԱՑՎՈՂ ՊԱՀԱՆՋՆԵՐԸ
7. Ճանապարհային ազդանշանային սյունիկների կառուցվածքը պետք է համապատասխանի սույն կանոնների պահանջներին:
8. Երթևեկության համար վտանգավոր ճանապարհների տեղամասերն ուղղորդ սարքվածքներով պետք է կահավորված լինեն սույն կանոնների և ՀՀ ՇՆ IV-11.05.02-99 «Ավտոմոբիլային ճանապարհներ» շինարարական նորմերի պահանջներին համապատասխան:
9. Ուղղորդ սարքվածքները տեսանելի վնասվածքներ և ձևափոխություններ չպետք է ունենան, օրվա ցերեկային ժամերին հստակ պետք է տեսանելի լինեն 100 մ-ից ոչ պակաս հեռավորության վրա:
10. Ուղղորդ սարքվածքները պետք է գունավորվեն և լուսանդրադարձիչներով կահավորվեն ճանապարհային գծանշմանը ներկայացվող պահանջների, դրա կիրառման կանոնների պահանջներին համապատասխան (N 1 հավելված):
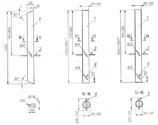
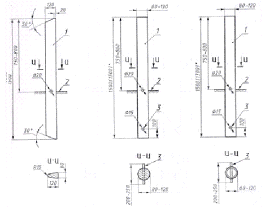
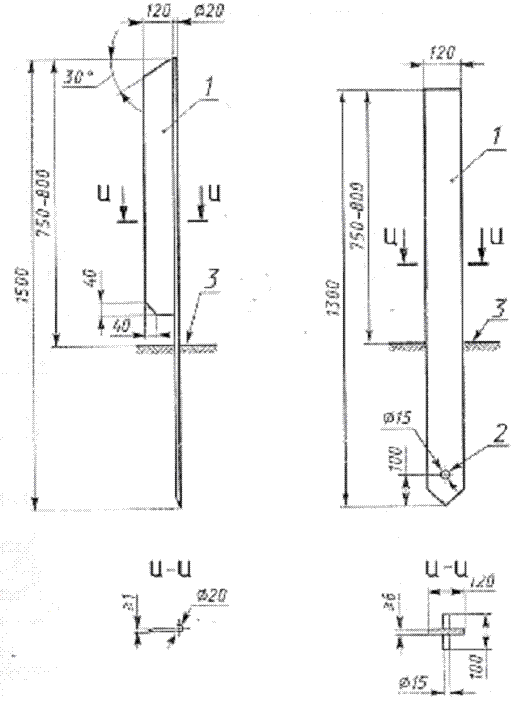
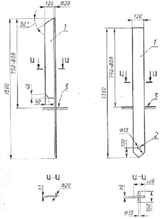
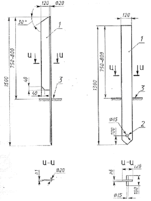
11. Ճանապարհային ազդանշանային սյունիկները լինում են հետևյալ տեսակների`
1) հասարակ՝ իրանը և հենակի մասը միաձույլ կառուցվածք են.
2) բաղկացուցիչ՝ իրանը և հենակի մասը ինքնուրույն կառուցվածքներ են, որոնք ճանապարհին մոնտաժելիս միմյանց միանում են զանազան կառուցվածքի հատուկ պահող սարքվածքների օգնությամբ:
12. Հասարակ ազդանշանային սյունիկների ձևն ու չափերը պետք է համապատասխանեն 1-5 նկարներում, իսկ բաղկացուցիչներինը` 6-8 նկարներում նշված չափերին:
13. Հասարակ ազդանշանային սյունիկները պատրաստվում են՝
1) երկաթբետոնից` նկար 1-ում նշված չափերով.
2) փայտից` նկար 2-ում նշված չափերով.
3) ասբեստացեմենտե կամ պլաստմասսայե խողովակից` նկար 3-ում նշված չափերով.
4) մետաղից` նկար 4-ում նշված չափերով.
5) պլաստմասսայից շերտերով` նկար 5-ում նշված չափերով:
Հասարակ ազդանշանային սյունիկների ձԵՎերն ու չափերը
|
Նկար 1 |
Նկար 2 |
Նկար 3 |
1` սյունիկի իրանը. 2` երկրի մակերևույթը. 3` խարսխային սարքվածքը
Փակագծերում նշվածները խարսխային սարքվածքներ կիրառելու դեպքերի համար են:
|
Նկար 4 |
Նկար 5 |
1` սյունիկի իրանը. 2` խարսխային սարքվածք. 3` երկրի մակերևույթը
14. 1-5 նկարներում հասարակ ազդանշանային սյունիկների նվազագույն երկայնական չափերը համապատասխանում են ճանապարհներին խարսխային սարքվածքներ կիրառելու դեպքին:
15. Բաղկացուցիչ ազդանշանային սյունիկները պատրաստվում են պլաստիկ զանգվածներից` 6-8 նկարներում նշված չափերով:
16. Սյունիկի իրանը պետք է պատրաստվի սպիտակ գույն ունեցող նյութերից կամ ներկվի սպիտակ ներկով: Սյունիկի իրանի վրա պետք է կատարվի ուղղաձիգ գծանշում, որը կապահովի դրա տեսանելիությունն օրվա բոլոր ժամերին:
17. Ազդանշանային սյունիկները պատրաստվում են հարվածադիմացկուն մածուցիկությամբ օժտված նյութերից: Սյունիկի կառուցվածքը պետք է բավարար ամուր լինի, որպեսզի ապահովի դրա պաշտպանվածությունը պահպանման աշխատանքների (իրանի լվացում, լուսանդրադարձիչների փոփոխում և այլն) ժամանակ:
Բաղկացուցիչ ազդանշանային սյունիկների ձԵՎերն ու չափերը
|
Նկար 6 |
Նկար 7 |
Նկար 8 |
1` սյունիկի իրանը. 2` պահող սարքվածքով հենակի մասը. 3` երկրի մակերևույթը
18. Ազդանշանային սյունիկները ճանապարհներին տեղակայվելուց հետո ուղղաձիգ դիրքում պետք է կայուն լինեն, որպեսզի ճանապարհատրանսպորտային պատահարների դեպքում չքանդվեն, չծռվեն կամ հիմնային մասն իրանից չառանձնանա, և հնարավոր լինի դրանց նորով փոխելը:
Նկար 9
19. Փայտից ազդանշանային սյունիկները պետք է պատրաստվեն փշատերև ծառատեսակների փայտանյութից: Թույլատրվում է սյունիկները պատրաստել այլ ծառատեսակների փայտանյութից, եթե դրանք իրենց հատկություններով համապատասխանում են փշատերև ծառատեսակների փայտանյութին:
20. Կոր անկյուններով ուղղանկյուն կամ եռանկյուն ընդլայնական կտրվածք ունեցող սյունիկի իրանի վերին մասը պետք է ունենա 300 անկյան շեղատ, ինչպես ցույց է տրված 1, 4, 7 նկարներում:
Նկար 10
21. Մոտեցող տրանսպորտային միջոցի կողմն ուղղված սյունիկների մակերևույթին կատարվում է ուղղաձիգ գծանշում` սև շերտի և լուսանդրադարձիչի տեսքով:
22. Վերին մասում շեղատ ունեցող սյունիկի իրանին պետք է կատարել ուղղաձիգ գծանշում` սև գույնի թեք շերտի տեսքով (նկար 9): Թեքության անկյունը պետք է հավասար լինի սյունիկի վերին մասի շեղատի անկյանը:
23. Շրջան, օղակ, աղեղ կամ ուղղանկյուն ընդլայնական կտրվածք ունեցող սյունիկի վերին մասը պետք է ունենա սև հորիզոնական շերտի տեսքով ուղղաձիգ գծանշում (նկար 10):
24. Ուղղաձիգ գծանշումը պետք է ունենա նաև ուղղանկյուն կամ կլոր լուսանդրադարձիչներ, որոնք ամրացվում են սյունիկի իրանի երկու կողմերում: Բաժանիչ գոտիով ճանապարհներին կիրառվող սյունիկների լուսանդրադարձիչները կարող են ամրացվել միայն տրանսպորտային միջոցի շարժման ուղղությամբ: Լուսանդրադարձիչների գույնը պետք է ընտրել այնպես, որպեսզի վարորդը շարժման ուղղությամբ աջ կողմում տեսնի կարմիր գույնի լուսանդրադարձիչ, իսկ ձախ կողմում՝ սպիտակ կամ դեղին գույնի լուսանդրադարձիչ (նկար 9, 10):
25. Գիշերային ժամերին սյունիկների տեսանելիությունն ապահովելու համար կիրառվող լուսանդրադարձիչների թաղանթի նյութերը պետք է ունենան աղյուսակ 1-ում նշված լույսի ուժի տեսակարար գործակից և աղյուսակ 2-ում նշվածից ոչ պակաս անդրադարձման գործակից:
Աղյուսակ 1. Լույսի ուժի տեսակարար գործակիցները
|
Լուսանդրադարձիչի |
Լույսի ուժի տեսակարար գործակիցը, կդ/լք.մ2 | |
|
լուսանդրադարձնող թաղանթում |
լուսանդրադարձնող թաղանթի | |
|
Կարմիր |
10 | 25 |
|
Դեղին |
35 | 120 |
|
Սպիտակ |
50 | 180 |
|
Շեղման անկյունը՝ a = 20o, լուսավորության անկյունը՝ β = 5օ | ||
Աղյուսակ 2. Անդրադարձման գործակիցները
|
Լուսանդրադարձիչի |
Անդրադարձման գործակիցը, |
|
Կարմիր |
5 |
|
Դեղին |
27 |
|
Սպիտակ |
35 |
26. Ազդանշանային սյունիկներին վրաերթ կատարելու դեպքում դրանք տրանսպորտային միջոցներին և երթևեկության մասնակիցներին լուրջ վնասվածքներ չպետք է պատճառեն:
27. Վնասված ճանապարհային ազդանշանային սյունիկները, կարճասյուները պետք է փոխանակվեն հայտնաբերվելուց հետո 5-օրյա ժամկետում:
28. Լուսավորվող կարճասյուների հոսանքի աղբյուրը շարքից դուրս գալու դեպքում դրանք պետք է վերականգնվեն, կամ վնասված տարրերը փոխանակվեն թերությունները հայտնաբերվելուց հետո մեկ օրվա ընթացքում:
III. ՈՒՂՂՈՐԴ ՍԱՐՔՎԱԾՔՆԵՐԻ ԿԻՐԱՌՄԱՆ ԵՎ ՏԵՂԱԿԱՅՄԱՆ ԿԱՆՈՆՆԵՐԸ
29. Ազդանշանային սյունիկները ճանապարհներին կիրառվում են սույն կանոններով և ՀՀ ՇՆ IV-11.05.02-99 «Ավտոմոբիլային ճանապարհներ» շինարարական նորմերով նախատեսված դեպքերում:
30. Արհեստական լուսավորություն չունեցող ճանապարհներին, որտեղ պահող ճանապարհային ցանկապատների տեղակայում չի պահանջվում, ազդանշանային սյունիկները տեղակայվում են`
1) երկայնական պրոֆիլի կորերի սահմաններում կամ դրանց մատույցներում (մոտենալիս ճանապարհի յուրաքանչյուր կողմում երեքական սյունիկ), լիցքի 2 մ-ից ոչ պակաս բարձրության, 1000 միավոր/օր-ից ոչ պակաս երթևեկության ինտենսիվության դեպքում` աղյուսակ 3-ում նշված l0 և l1 հեռավորությունների վրա (նկար 11) և 50 մ-ին հավասար l2 հեռավորության վրա.
Աղյուսակ 3. Երկայնական պրոֆիլում կորերի վրա ազդանշանային սյունիկների միջԵՎ հեռավորությունը
(մետրերով)
|
Երկայնական պրոֆիլում կորի շառավիղը, |
500 |
1000 |
2000 |
3000 |
4000 |
5000 |
6000 |
8000 և | |
|
Սյունիկների միջև հեռավորությունը |
կորի սահմաններում |
12 |
17 |
25 |
30 |
35 |
40 |
45 |
50 |
|
կորի մատույցներում |
20 |
27 |
40 |
47 |
50 | ||||
2) հատակագծում կորերի սահմաններում և դրանց մատույցներում (մոտենալիս ճանապարհի յուրաքանչյուր կողմում երեքական սյունիկ), 1 մ-ից ոչ պակաս լիցքի բարձրության դեպքում, աղյուսակ 4-ում նշված l0, l1 և l2 հեռավորությունների վրա և 50 մ-ին հավասար l3 հեռավորության վրա (նկար 12).
3) ճանապարհների ուղղագիծ տեղամասերում, լիցքի 2 մ-ից ոչ պակաս բարձրության և 1000 միավոր/օր-ից ոչ պակաս երթևեկության ինտենսիվության դեպքում` յուրաքանչյուր 50 մ հեռավորության վրա.
4) նույն մակարդակում ճանապարհների փոխհատումների և հարումների լծորդումների կորերի վրա՝ յուրաքանչյուր 3 մ հեռավորության վրա.
5) երկաթուղային գծանցներում` գծանցի երկու կողմերում, եզրային երկաթգծից 2,5-16,0 մ տեղամասում՝ յուրաքանչյուր 1,5 մ հեռավորության վրա.
6) ջրանցման խողովակների մոտ՝ ճանապարհի երկու կողմերում՝ երեքական սյունիկներ` խողովակից առաջ, և հետո` յուրաքանչյուր 10 մ հեռավորության վրա.
7) 1-ին կարգի ճանապարհների վրա՝ ամբողջ երկարությամբ յուրաքանչյուր 50 մ հեռավորության վրա:
Նկար 11
Նկար 12
31. Կողնակի վրա ազդանշանային սյունիկները տեղակայվում են հողային պաստառի եզերքից 0,35 մ հեռավորության վրա, ըստ որում, երթևեկելի մասի եզրից մինչև սյունիկը եղած հեռավորությունը պետք է լինի ոչ պակաս, քան 1,0 մ: Իսկ բաժանիչ գոտիներում դրանք տեղակայվում են ճանապարհային ցանկապատների տեղադրման կանոններին համապատասխան: Սյունիկը տեղակայելիս դրա վերին մասի շեղատը և գծանշման սև գոտու թեքությունը պետք է ուղղված լինեն դեպի երթևեկելի մասը:
32. Կողնակի կամ բաժանիչ գոտու մակերևույթից ազդանշանային սյունիկների բարձրությունը պետք է կազմի 0,75-0,80 մ: Հողային պաստառի մակերևույթից դեպի ներքև հասարակ ազդանշանային սյունիկների` առանց հիմքի ամրակցման խորությունը պետք է կազմի 0,7 մ: Խարսխային սարքվածքներ օգտագործելու դեպքում ամրակցման խորությունը կարող է նվազեցվել մինչև 0,5 մ:
Աղյուսակ 4. Հատակագծում կորերի վրա ազդանշանային սյունիկների միջԵՎ հեռավորությունը
(մետրերով)
|
Հատակագծում կորի շառավիղը, R, ոչ ավելի |
Սյունիկների միջև հեռավորությունը | ||
|
կորի արտաքին կողմում |
կորի ներքին կողմում |
կորի մատույցներում | |
|
50 |
5 | 10 | 12 |
|
100 |
10 | 20 | 25 |
|
200 |
15 | 30 | |
|
300 |
20 | 40 | |
|
400 |
30 | 50 | |
|
500 |
40 | ||
|
600 և ավելի |
50 | ||
33. Ճանապարհների ուղղագիծ տեղամասերում ազդանշանային սյունիկներ տեղակայելու դեպքում դրանք ճանապարհի աջ և ձախ կողմերում պետք է տեղաբաշխվեն նույն ընդլայնական կտրվածքում:
34. Բնակավայրերում արհեստական լուսավորությամբ կարճասյուները տեղակայվում են բաժանիչ գոտու սկզբում և տրանսպորտային թունելների հիմնապատերի ճակատային մասերից առաջ, ինչպես նաև բարձրացված անվտանգության կղզյակների և ուղղորդ կղզյակների վրա: Կարճասյուների բարձրությունը պետք է լինի 0,75-0,80 մ:
35. Երթևեկելի մասում գծանշմամբ կամ եզրաքարերով առանձնացված ուղղորդ կղզյակները դասավորվում են այն ճանապարհներին, որտեղ խաչմերուկներում երթևեկության գումարային ինտենսիվությունը կազմում է ոչ պակաս, քան 1000 միավոր/օր, երբ բնակավայրերից դուրս ճանապարհներին շրջադարձ կատարող տրանսպորտային միջոցների թիվը 10% և ավելի է, իսկ բնակավայրերում՝ 20% և ավելի: Բարձրացված ուղղորդ կղզյակի բարձրությունը պետք է լինի 15 սմ:
36. Երթևեկելի մասում գծանշմամբ կամ եզրաքարերով առանձնացված անվտանգության կղզյակները հետիոտնային անցումների վրա դասավորվում են երթևեկելի մասի մեկ գոտում տրանսպորտային միջոցների 400 միավոր/ժ-ից ոչ պակաս երթևեկության ինտենսիվության դեպքում և մայթի ու կղզյակի միջև 10,5 մ-ից ոչ պակաս հեռավորության վրա: Բարձրացված անվտանգության կղզյակի բարձրությունը պետք է լինի 10 սմ:
|
Հայաստանի Հանրապետության կառավարության աշխատակազմի ղեկավար-նախարար |
Մ. Թոփուզյան |